电脑桌面
添加小米粒文库到电脑桌面
安装后可以在桌面快捷访问

项目需求仪器名称参数数量备注全量程视频动态界面张力VIP免费

项目需求仪器名称参数数量备注全量程视频动态界面张力_第1页
1/2
项目需求仪器名称参数数量备注全量程视频动态界面张力_第2页
2/2
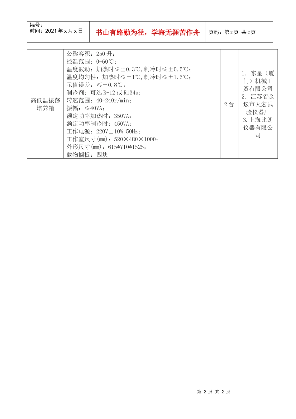
第1页共2页编号:时间:2021年x月x日书山有路勤为径,学海无涯苦作舟页码:第1页共2页项目需求仪器名称参数数量备注全量程视频动态界面张力仪·测量范围:表面及界面张力1x10-5–100mN/m;·测量范围0-6mm,测量精度0.001mm;·一体机结构,数字化电路,仪器台面LED数字显示,用计算机进行操作或单机操作;·一台计算机可控制多台主机;·数据传输信号方式为RS232串行通讯技术。·计算机直接设定工作温度和转速,视频光学系统采集图像,在计算机上测量;·可截取图像计算张力(屏幕显示最近拍摄图片12张),列表生成张力变化曲线;·双控温技术,内置加热或外接浴控温,温度控制范围0-100°C,温度显示精度:±0.1°C;·高速同步电机传动,转速范围1000-10000r/min,控制精度:0.1%;·静音光源,使用寿命大大优于普通频闪灯,既可频闪又可常亮,方便观测;·高纯度石英玻璃样品管内径:2mm,6mm;·独立的视频采集卡须安装在电脑主机内;·视频光学系统6.5倍光学变倍,两倍视频软件变倍;视频检测系统分辩率:768´576像素;视频采集速率:30帧/秒;视频传输速率:150兆/秒;·VIDEORCA接口(视频采集);·220V/50Hz±10%或110V/60Hz±10%;1台傅立叶红外光谱仪光谱范围:4000~400cm-1分辨率:1.5cm-1检测器:高灵敏度DTGS检测器分束器:进口多层镀膜溴化钾扫描速度:微机控制和选择不同的扫描速度,档次连续可调.光源:进口长寿命高强度空气冷却红外光源噪音:<4.3*10ˉ5A电源:AC220V,50Hz外形尺寸:48.3cmX35.6cmX43.2cm重量:16Kg1台1.天津港东科技发展有限公司2.北京智云达科技有限公司3.广州无锡建仪仪器有限公司第2页共2页第1页共2页编号:时间:2021年x月x日书山有路勤为径,学海无涯苦作舟页码:第2页共2页高低温振荡培养箱公称容积:250升;控温范围:0-60℃;温度波动:加热时≤±0.3℃,制冷时≤±0.5℃;温度均匀性:加热时≤±1℃,制冷时≤±1.5℃;示值误差:≤±0.8℃;制冷剂:可选R-12或R134a;转速范围:40-240r/min;振幅:≤40VA;额定功率加热时:350VA;额定功率制冷时:450VA;工作电源:220V±10%50Hz;工作室尺寸(mm):520×480×1000;外形尺寸(mm):615*710*1525;载物搁板:四块2台1.东星(厦门)机械工贸有限公司2.江苏省金坛市天宏试验仪器厂3.上海比朗仪器有限公司

1、当您付费下载文档后,您只拥有了使用权限,并不意味着购买了版权,文档只能用于自身使用,不得用于其他商业用途(如 [转卖]进行直接盈利或[编辑后售卖]进行间接盈利)。
2、本站所有内容均由合作方或网友上传,本站不对文档的完整性、权威性及其观点立场正确性做任何保证或承诺!文档内容仅供研究参考,付费前请自行鉴别。
3、如文档内容存在违规,或者侵犯商业秘密、侵犯著作权等,请点击“违规举报”。

碎片内容

项目需求仪器名称参数数量备注全量程视频动态界面张力

确认删除?
VIP
微信客服
  • 扫码咨询
会员Q群
  • 会员专属群点击这里加入QQ群
客服邮箱
回到顶部