电脑桌面
添加小米粒文库到电脑桌面
安装后可以在桌面快捷访问

高层民用建筑设计防火规范VIP免费

高层民用建筑设计防火规范_第1页
1/16
高层民用建筑设计防火规范_第2页
2/16
高层民用建筑设计防火规范_第3页
3/16
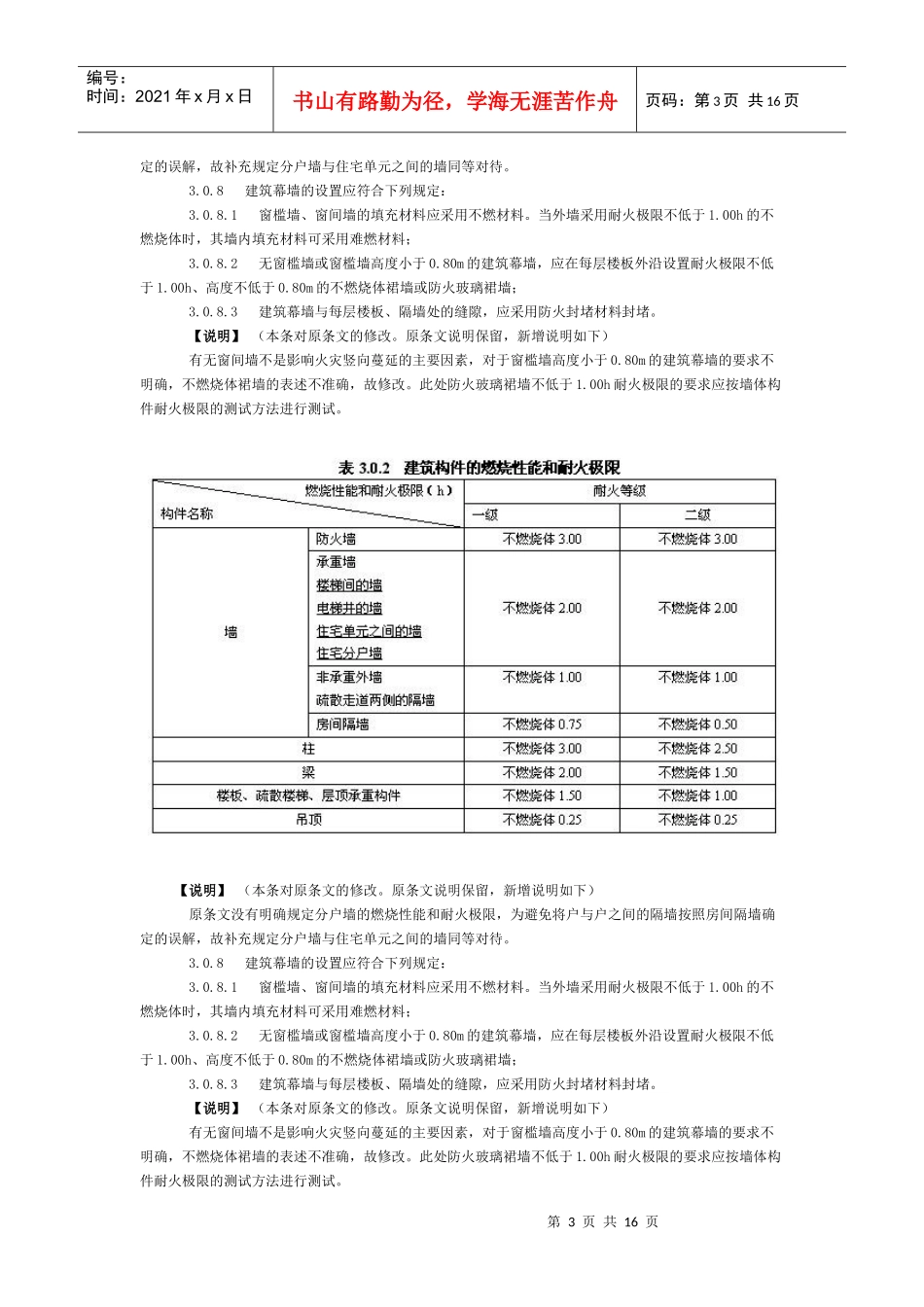
第1页共16页编号:时间:2021年x月x日书山有路勤为径,学海无涯苦作舟页码:第1页共16页中华人民共和国国家标准《高层民用建筑设计防火规范》GB50045-95局部修订条文目录2术语………………………………………………………………………………………………3建筑分类和耐火等级……………………………………………………………………………4总平面布局和平面布置…………………………………………………………………………4.1一般规定……………………………………………………………………………………4.2防火间距……………………………………………………………………………………4.3消防车道……………………………………………………………………………………6安全疏散和消防电梯………………………………………………………………………………6.1一般规定……………………………………………………………………………………7消防给水和灭火设备………………………………………………………………………………7.3室外消防给水管道、消防水池和室外消火栓………………………………………………7.4室内消防给水管道、室内消火栓和消防水箱………………………………………………7.6灭火设备………………………………………………………………………………………8防烟、排烟和通风、空气调节……………………………………………………………………8.4机械排烟………………………………………………………………………………………9电气…………………………………………………………………………………………………9.1消防电源及其配电……………………………………………………………………………9.4火灾自动报警系统、火灾应急广播和消防控制室…………………………………………9.5漏电火灾报警系统……………………………………………………………………………2术语2.1.07商业服务网点commercialservingcubby住宅底部(地上)设置的百货店、副食店、粮店、邮政所、储蓄所、理发店等小型商业服务用房。该用房层数不超过二层、建筑面积不超过300m2,采用耐火极限大于1.50h的楼板和耐火极限大于2.00h且不开门窗洞口的隔墙与住宅和其他用房完全分隔,该用房和住宅的疏散楼梯和安全出口应分别独立设置。【说明】(本条为新增条文)商业服务网点规范没有确切定义,与综合楼、商住楼难以区别,现加以规定以便实施。住宅底部(地上)设置的百货店、副食店、粮店、邮政所、储蓄所、理发店等小型商业服务用房,该用房层数不超过二层、建筑面积不超过300m2即地上一和二层可以是上述小型商业服务用房,但地上二层是上第2页共16页第1页共16页编号:时间:2021年x月x日书山有路勤为径,学海无涯苦作舟页码:第2页共16页述小型商业服务用房,则地上一层必须是上述小型商业服务用房。一层、二层上述小型商业服务用房建筑面积之和不能超过300m2。采用耐火极限大于1.50h的楼板和耐火极限大于2.00h、不开门窗洞口的隔墙与住宅和其他用房完全分隔,该用房和安全出口应分别独立设置并不得交叉也不能直接连通。3建筑分类和耐火等级3.0.1高层建筑应根据其使用性质、火灾危险性、疏散和扑救难度等进行分类,并应符合表3.0.1的规定。【说明】(本条对原条文的修改。原条文说明保留,新增说明如下)原条文规定的“每层建筑面积”在执行过程中不明确,为便于理解和执行,将“每层建筑面积”改为“24m以上部分的任一楼层的建筑面积”超过相应规定值时,该建筑即划分为一类高层建筑。3.0.2高层建筑的耐火等级应分为一、二两级,其建筑构件的燃烧性能和耐火极限不应低于表3.0.2的规定。各类建筑构件的燃烧性能和耐火极限可按附录A确定。表3.0.1建筑分类名称一类二类居住建筑十九层及十九层以上的住宅十层至十八层的住宅公共建筑1.医院2.高级旅馆3.建筑高度超过50m或24,m以上部分的任一楼层的建筑面积超过1000m2的商业楼、展览楼、综合楼、电信楼、财贸金融楼4.建筑高度超过10m或24,以上部分的任一楼层的建筑面积超过1500m2的商住楼5.中央级和省级(含计划单列市)广播电视楼6.网局级和省级(含计划单列市)电力...

1、当您付费下载文档后,您只拥有了使用权限,并不意味着购买了版权,文档只能用于自身使用,不得用于其他商业用途(如 [转卖]进行直接盈利或[编辑后售卖]进行间接盈利)。
2、本站所有内容均由合作方或网友上传,本站不对文档的完整性、权威性及其观点立场正确性做任何保证或承诺!文档内容仅供研究参考,付费前请自行鉴别。
3、如文档内容存在违规,或者侵犯商业秘密、侵犯著作权等,请点击“违规举报”。

碎片内容

高层民用建筑设计防火规范

确认删除?
VIP
微信客服
  • 扫码咨询
会员Q群
  • 会员专属群点击这里加入QQ群
客服邮箱
回到顶部