电脑桌面
添加小米粒文库到电脑桌面
安装后可以在桌面快捷访问

汽车运用与维修专业技能竞赛方案VIP免费

汽车运用与维修专业技能竞赛方案_第1页
1/11
汽车运用与维修专业技能竞赛方案_第2页
2/11
汽车运用与维修专业技能竞赛方案_第3页
3/11
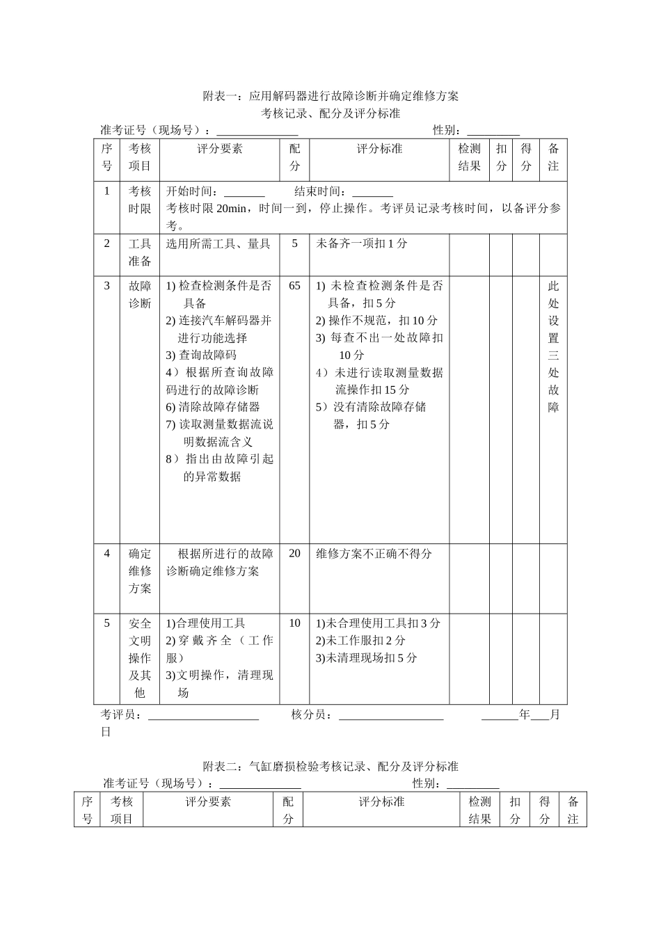
汽车运用与维修专业技能竞赛方案一、竞赛项目汽车维修工二、竞赛方式技能竞赛采取现场实地操作方式进行,参赛人员按照要求完成拆装、检测、修复、故障诊断、故障排除等内容,按照技术要求和评分标准由评委打出分数。三、竞赛场地与设施要求1.赛点决赛地点在哈尔滨市。2.赛场配置(1)汽车解码器3~4个,要求附使用说明书;(2)捷达电控轿车或其电子控制系统实验台2~3台,要求附原车维修手册;(3)计时表若干块。(4)内径百分表5~6个;(5)螺旋测微仪5~6个;(6)发动机气缸体(CA1091或EQ1090或BJ2020气缸体)3~4个;(7)汽车发动机曲轴(CA1091或EQ1090或BJ2020曲轴)5~6个;(8)检验平板3~4个;(9)CA1091汽车转向器总成4~6个;(10)CA1091汽车起动机3~4个;(11)万用表4~6个;(12)连杆校验仪3~4个,连杆校正器3~4套;或LX-70型连杆检验较整器3~4个。(13)塞尺3~4个;(14)汽车连杆(CA1091或EQ1090或BJ2020连杆)3~4个(15)捷达整车或捷达汽车全车电路实验台及其原车电路图2~3个;(16)其他常用工具(拆装工具、测量工具、仪器)若干。技能竞赛在标准实验室进行,相应设备和工具由专人负责统一安装、调试与检测。四、竞赛规则(一)竞赛说明大赛实践技能操作预设八个考核项目,技能竞赛前由竞赛考评组决定考核其中三项。每项操作100分,按考核内容及要求单项核分,三项操作求算术平均值作为选手实践技能操作的总成绩。竞赛实践技能操作预设的八个考核项目如下:1.应用解码器进行故障诊断并确定维修方案2.气缸磨损检验3.曲轴轴颈磨损检验4.曲轴弯扭检验5.转向器总成的拆检与组装6.起动机的拆检与组装7.连杆的检验与校正8.汽车全车电路故障诊断及排除每位参赛者必须参加三项技能操作比赛,并在规定时间内按要求完成比赛内容。每项操作100分,按考核内容及要求单项核分,三项操作求算术平均值作为实践技能操作的总成绩。参赛选手的成绩评定由大赛技术工作委员会的裁判组负责。技能竞赛采用现场实地操作方式,按要求完成实际操作。竞赛时间:技能操作竞赛时间为1小时。(二)基本要求1.爱岗敬业,忠于职守。2.努力钻研业务,刻苦学习,勤于思考,善于观察。3.工作认真负责,严于律己,吃苦耐劳。4.遵守操作规程,坚持安全生产。5.根据本工种工作要求着装,穿戴好所需的劳动用品。6.爱护设备,保持工作环境的清洁有序,做到文明生产。(三)技能竞赛规则1.技能竞赛以现场实地操作的方式,按操作项目要求完成操作。操作技能竞赛时间为1小时。满分为100分。2.选手的出场顺序由抽签决定,竞赛试题内容于赛前10分钟公布予以赛前准备。3.选手参加技能竞赛安市教育局统一安排进行。4.如果确实是因为设备故障原因导致选手中断或终止竞赛,由大赛裁判长视具体情况做出决定。5.竞赛过程中,选手若需休息、饮水或去洗手间,一律计算在操作时间内。6.如果选手提前结束竞赛,应举手向考评员示意。竞赛终止时间由考评员记录在案,选手提前结束比赛后不得再进行任何操作。7.考评员需在操作结束后检验和评分,要求参赛选手在登记簿上签字确认。五、成绩评定方法1.参赛选手的成绩评定由竞赛考评组负责。2.技能操作由评分考评员评分与计分。3.技能操作的成绩,根据现场实际操作表现,按照现场操作规范、评分标准,依据现场考评员的赛场纪录,由现场考评组集体评判成绩。4.参赛选手的名次依据技能竞赛的成绩排定。当出现成绩相同时,再比较理论知识成绩,以成绩高者名次在前。若仍不能分出先后,取相同名次。六、注意事项1.分解与组装顺序的正确性。2.检查的全面性与结果的正确性。3.正确选用所需工具、量具。4.正确安装使用仪器。5.测量部位和方法正确,测量结果正确。6.调整操作方法正确,数值准确。7.计算准确。8.结果分析全面、正确。9.判断与排除故障迅速而准确。10.要求操作规范、安全文明。七、技能竞赛的内容与评分标准汽车运用与维修专业技能竞赛包含发动机结构与维修、汽车底盘结构与维修、汽车电气设备结构与维修、汽车运用与检测等主要内容。技能竞赛的具体内容与评分标准如附表所示。附表一:应用解码器进行故障诊断并确定维修方案考核记录、配分...

1、当您付费下载文档后,您只拥有了使用权限,并不意味着购买了版权,文档只能用于自身使用,不得用于其他商业用途(如 [转卖]进行直接盈利或[编辑后售卖]进行间接盈利)。
2、本站所有内容均由合作方或网友上传,本站不对文档的完整性、权威性及其观点立场正确性做任何保证或承诺!文档内容仅供研究参考,付费前请自行鉴别。
3、如文档内容存在违规,或者侵犯商业秘密、侵犯著作权等,请点击“违规举报”。

碎片内容

汽车运用与维修专业技能竞赛方案

您可能关注的文档

确认删除?
VIP
微信客服
  • 扫码咨询
会员Q群
  • 会员专属群点击这里加入QQ群
客服邮箱
回到顶部