电脑桌面
添加小米粒文库到电脑桌面
安装后可以在桌面快捷访问

奥康集团质量管理部成型品检员岗位说明书VIP免费

奥康集团质量管理部成型品检员岗位说明书_第1页
1/2
奥康集团质量管理部成型品检员岗位说明书_第2页
2/2
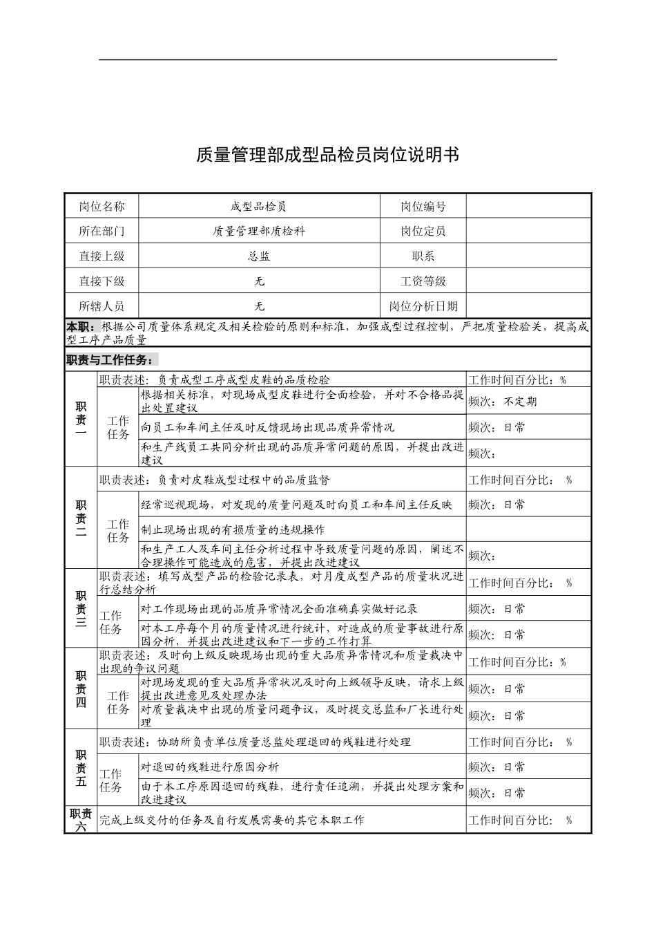
质量管理部成型品检员岗位说明书岗位名称成型品检员岗位编号所在部门质量管理部质检科岗位定员直接上级总监职系直接下级无工资等级所辖人员无岗位分析日期本职:根据公司质量体系规定及相关检验的原则和标准,加强成型过程控制,严把质量检验关,提高成型工序产品质量职责与工作任务:职责一职责表述:负责成型工序成型皮鞋的品质检验工作时间百分比:%工作任务根据相关标准,对现场成型皮鞋进行全面检验,并对不合格品提出处置建议频次:不定期向员工和车间主任及时反馈现场出现品质异常情况频次:日常和生产线员工共同分析出现的品质异常问题的原因,并提出改进建议频次:职责二职责表述:负责对皮鞋成型过程中的品质监督工作时间百分比:%工作任务经常巡视现场,对发现的质量问题及时向员工和车间主任反映频次:日常制止现场出现的有损质量的违规操作和生产工人及车间主任分析过程中导致质量问题的原因,阐述不合理操作可能造成的危害,并提出改进建议频次:职责三职责表述:填写成型产品的检验记录表,对月度成型产品的质量状况进行总结分析工作时间百分比:%工作任务对工作现场出现的品质异常情况全面准确真实做好记录频次:日常对本工序每个月的质量情况进行统计,对造成的质量事故进行原因分析,并提出改进建议和下一步的工作打算频次:日常职责四职责表述:及时向上级反映现场出现的重大品质异常情况和质量裁决中出现的争议问题工作时间百分比:%工作任务对现场发现的重大品质异常状况及时向上级领导反映,请求上级提出改进意见及处理办法频次:日常对质量裁决中出现的质量问题争议,及时提交总监和厂长进行处理频次:日常职责五职责表述:协助所负责单位质量总监处理退回的残鞋进行处理工作时间百分比:%工作任务对退回的残鞋进行原因分析频次:日常由于本工序原因退回的残鞋,进行责任追溯,并提出处理方案和改进建议频次:日常职责六完成上级交付的任务及自行发展需要的其它本职工作工作时间百分比:%权力:对本工序的产品有品质检验权对本工序的品质异常情况有直接向上级领导反映的汇报权对本工序影响质量的违规作业行为有制止权和命令整改权对本工序制作工艺有提出改进建议的建议权对本工序生产的不合格产品有要求其返工的权力对本工序出现的质量事故有奖惩建议权工作协作关系:内部协调关系成型车间主任及员工外部协调关系任职资格:教育水平高中以上学历专业(附底、夹包)培训经历成型技能培训、质量管理培训、ISO9002.4、ISO14001质量管理体系培训经验从事附底或夹包工作三年、品检工作一年知识成型制作工艺知识、成型品质检验标准知识、ISO9002.4、ISO14001质量管理体系知识技能技巧熟练的成型工艺制作技能,准确鉴别质量问题所在并分析判断出现问题的原因的能力,良好的沟通协调能力其它:使用工具设备尺子、工作台台板子工作环境生产车间工作时间特征正常工作时间,经常需要加班所需记录文档备注:

1、当您付费下载文档后,您只拥有了使用权限,并不意味着购买了版权,文档只能用于自身使用,不得用于其他商业用途(如 [转卖]进行直接盈利或[编辑后售卖]进行间接盈利)。
2、本站所有内容均由合作方或网友上传,本站不对文档的完整性、权威性及其观点立场正确性做任何保证或承诺!文档内容仅供研究参考,付费前请自行鉴别。
3、如文档内容存在违规,或者侵犯商业秘密、侵犯著作权等,请点击“违规举报”。

碎片内容

奥康集团质量管理部成型品检员岗位说明书

您可能关注的文档

确认删除?
VIP
微信客服
  • 扫码咨询
会员Q群
  • 会员专属群点击这里加入QQ群
客服邮箱
回到顶部