电脑桌面
添加小米粒文库到电脑桌面
安装后可以在桌面快捷访问

雷士照明屋面防水工程施工方案VIP专享VIP免费

雷士照明屋面防水工程施工方案_第1页
1/5
雷士照明屋面防水工程施工方案_第2页
2/5
雷士照明屋面防水工程施工方案_第3页
3/5
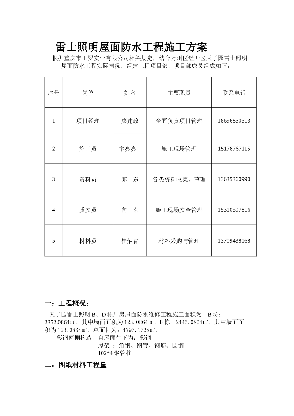
雷士照明屋面防水工程施工方案根据重庆市玉罗实业有限公司相关规定,结合万州区经开区天子园雷士照明屋面防水工程实际情况,组建工程项目部,项目部成员组成如下:序号岗位姓名主要职责联系电话1项目经理康建政全面负责项目管理186968505132施工员卞亮亮施工现场管理151787671153资料员郎东各类资料收集、整理136353609904质安员向东施工现场安全管理153105078165材料员崔炳青材料采购与管理13709438168一:工程概况:天子园雷士照明B、D栋厂房屋面防水维修工程施工面积为B栋:2352.0864㎡,其中墙面面积为123.0864㎡,D栋:2445.0864㎡,其中墙面面积为123.0864㎡,总面积为:4797.1728㎡.彩钢雨棚构造:自屋面往下为:彩钢屋架:角钢、钢管、钢筋、圆钢102*4钢管柱二:图纸材料工程量序号材料名称数量单位材料品质1<80×5角钢16.35T2<50×3角钢5.21T3<50×4角钢0.024T4-6钢板2.7T5-8钢板1.122T6-10钢板1.66T7Φ20钢筋和圆钢1.266T8Ф80×3钢管3.446T9Ф102×4钢管1.91T10Ф12钢管1.14T11Ф32×2钢管0.184T12C160×50×20×2.2檩条20.54T13-2钢板天沟6.72T14V-760彩钢板5954m0.47615脊瓦115m0.47616彩钢板檐口折件90m0.47617PVC落水管f110108支18钻尾钉螺栓电焊条切割片氧气乙炔等辅材4652㎡19油漆4652㎡20花篮螺栓40个21混凝土1立方米三:施工准备:本道路工程计划分4个作业工序:1、材料进场;2、屋架结构制作;3、檩条安装;4、彩钢板铺设及固定。根据施工图,提材料需求计划,便于采购提早掌握材料来源及询价,为施工材料的按时进场,保障施工进度做好材料准备。落实施工队伍,落实满足该工程施工进度的施工机具、设备配置。根据施工进程,施工机具、设备要按需进场。四,施工部署:成立现场项目管理部确定屋架结构施工单位(待定)设备机具进行施工施工同时,提出钢材、钢管等材料计划及道路材料计划,供物资部门询价及采购檩条安装彩钢铺设及固定天沟制作及场地清理五:道路施工主要技术措施:1.材料进场(1)材料进场,厂商应附原厂出厂材质检验证明。(2)检验成型浪板、钢筋、角钢、檩条等材料的规格、尺寸、厚度。(3)检验各式收边材料的规格、尺寸、厚度。(4)检验零配件各种辅材是否符合要求(自攻螺丝、垫片、止水胶等)。(5)彩色钢浪板外观不得有拖拉伤痕、色斑,表面膜层磨损、扭曲、污染、色差、翘角等现象。(6)材料进场时,应堆放在甲方指定之区域,同时乙方自行负责该部分材料的安全措施,材料应有适当的包装,以免损毁。2.吊运(1)材料进场设置指定地点前,须分批、分类放置,不能立即使用时应整齐堆放并以帆布或胶布覆盖。(2)地面堆放材料时,为保持干燥必须铺设枕木,材料不得接触地面。(3)材料吊运至屋架前,应以钢带捆扎束紧。材料吊上屋架施工要点:(1)放置钢板至屋架,吊放钢板前,须先设置挡板防止钢板滑落。(2)材料吊运至屋架时,吊杆上系住彩色钢板的垂直系带间距不得大于6公尺,两端须加斜向吊带,以防止滑落。(每捆重不得大于2吨)。(3)保持平稳缓缓吊升,吊车作业范围内,非吊装人员不得靠近。(4)吊升过程中,彩色钢板垂直系带如有松脱,应放下重新调整后再吊升。(5)彩色钢板缓缓下降,待吊车人员控制定位后,依序放下。(6)材料吊至屋架后,所有皮肋须朝上,板面应朝同一方向(,并应以尼龙绳固定于钢主架上。3.屋架结构焊接4.檩条安装:整平:安装前对檩条支承进行检测和整平,对檩条逐根复查其平整度,安装的檩条间高差控制在±5mm范围内。弹线:檩条支承点应按设计要求的支承点位置固定,因此支承点应用线划出,经檩条安装定位,按檩条布置图验收。固定:按设计要求进行焊接或螺栓固定,固定前再次调整位置,偏差≤±5mm。验收:檩条安装后由项目技术责任人通知质量员或监理工程师验收,确认合格再转入下道工序。5.彩色钢板铺设及固定彩色钢板铺设顺序,原则上是由上而下,由常年风尾方向起铺。(1)屋面a、以山墙边做起点,由左而右(或同右而左)依顺序铺设。b、第一片板安置完毕后,沿板下缘拉准线,每片依准线安装,随时检查使不发生偏离。c、铺设面以自攻螺丝,沿每一板肋中心固定于衍条上。(2)收边a、屋面收...

1、当您付费下载文档后,您只拥有了使用权限,并不意味着购买了版权,文档只能用于自身使用,不得用于其他商业用途(如 [转卖]进行直接盈利或[编辑后售卖]进行间接盈利)。
2、本站所有内容均由合作方或网友上传,本站不对文档的完整性、权威性及其观点立场正确性做任何保证或承诺!文档内容仅供研究参考,付费前请自行鉴别。
3、如文档内容存在违规,或者侵犯商业秘密、侵犯著作权等,请点击“违规举报”。

碎片内容

雷士照明屋面防水工程施工方案

黄金阁书苑+ 关注
实名认证
内容提供者

热爱教学事业,对互联网知识分享很感兴趣

确认删除?
VIP
微信客服
  • 扫码咨询
会员Q群
  • 会员专属群点击这里加入QQ群
客服邮箱
回到顶部