电脑桌面
添加小米粒文库到电脑桌面
安装后可以在桌面快捷访问

顾客满意度测量程序VIP免费

顾客满意度测量程序_第1页
1/7
顾客满意度测量程序_第2页
2/7
顾客满意度测量程序_第3页
3/7
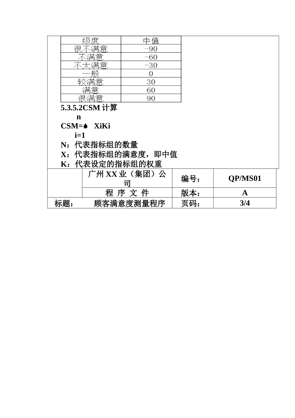
广州XX业(集团)公司编号:QP/MS01程序文件版本:A标题:顾客满意度测量程序页码:1/41.0目的通过对顾客满意度的测量,了解顾客对公司产品、服务体系等方面的满意度,并根据调查结果改善质量体系,不断提高顾客的满意水平。2.0适用范围本程序适用于公司对主要客户满意度的测量。主要客户是指集团公司在世界范围内的长期客户(业务持续往来两年以上的客户)、大宗客户(年交易额达到万美元的客户)、有发展潜力客户(客户或其经营的商品是新兴的,有潜在较大市场的客户)等。3.0职责3.1相关业务公司(部)负责:电话调查的记录、发放和收回调查表。3.2电脑中心负责在国际互联网上的调查和记录。3.3企管部负责评估方案的设计及调查表内容的设计。3.4企管部、相关业务公司(部)负责:3.4.1对相关问题进行分析,提出改进意见。3.4.2对改进意见进行跟踪处理。3.4.3根据需要启动《纠正和预防措施控制程序》。3.5主管副总经理负责审批《满意度调查结果及分析报告》及是否启动《纠正和预防措施控制程序》。4.0定义4.1CS:CustomSatisfaction顾客满意4.2CSM:CustiomSatisfactionMeasurement顾客满意度4.3CSI:CustiomSatisfactionIndex顾客满意指标5.0运作程序5.1CSM调查的组织5.1.1企管部和相关业务公司(部)每年组织一次对主要客户的满意度调查5.2CSI的设计[使用模块《评估指标组》《评估指标》]5.2.1评估项目组的设计评估项目由CSI评估指标组构成,每个指标组分解为多个指标5.2.2评估指标组及指标可以包括:(1)产品质量a)外观b)性能广州XX业(集团)公司编号:QP/MS01程序文件版本:A标题:顾客满意度测量程序页码:2/4(2)服务a)程序b)及时性C)人员能力(3)价格a)绝对价格b)性能价格比(4)交货期a)交付及时性b)交付准确性(5)投诉处理a)响应速度b)对投诉处理满意度5.3评估方案的设计与审批[使用模块《评估方案》]5.3.1可以选择5.2中提及的指标或增减修改相对的指标作为评估项目5.3.2根据所选择的评估组的重要程度设定每个评估组在所有评估项目组中所占的权重,总权重之和为15.3.3上述所有内容的设定通过顾客满意评估软件系统完成5.3.4评估方案设定后提交企管部分管客户满意度测量的副总经理批准5.3.5CSM划分及计算5.3.5.1采用级度法:将满意度分为七梯级,即:很不满意、不满意、不太满意、满意和很满意5.3.5.2CSM计算nCSM=XiKii=1N:代表指标组的数量X:代表指标组的满意度,即中值K:代表设定的指标组的权重广州XX业(集团)公司编号:QP/MS01程序文件版本:A标题:顾客满意度测量程序页码:3/45.4调查的实施5.4.1由相关业务公司(部)根据5.1要求向主要客户发出调查表或电话调查,电脑中心在网上进行调查。5.4.2调查表或电话调查范围占所有主要客户的60%以上5.4.3相关业务公司(部)在调查表发出后跟踪主要客户的情况,在一个月内尽可能加收所发出的调查表,回收率超过80%时才能视为此次主调查有效,方可进行调查结果的分析。5.5调查结果的录入[使用模块《评估记录》]5.5.1调查表收回后由企管部将结果输入顾客满意评估软件系统,包括:a)主要客户名、主要客户编号、主要客户类型、产品编号b)每项指标的评估结果(满意级别)c)与同类顾客的比较结果5.6CSMR的分析与比较结果5.6.1根据输入结果可以通过软件对以下项目进行计算和分析(1)择所选定的产品对应的方案进行百分比分析a)所有评估指标组加权总分b)某一评估指标组的分数c)某一评估指标的分数(2)对评估记录的综合分析a)分析所有指标组b)分析一个指标组中所有指标5.6.2监控(1)对下列指标或内容进行监控a)对分析结果的分数最低值的指标组或指标b)对主要客户提出的最不满意之处c)与上次调查结果比较满意程度降低的指标组及指标(2)由企管部发出《满意度调查结果及分析报告》会同相关业务公司(部)提出改进意见上报主管副总经理(3)由相关业务公司(部)对改进意见进行跟踪处理(4)根据主要客户反馈回的意见对改进意见进行验证(5)根据需要启动《纠正和预防措施控制程序》广州XX业(集团)公司编号:QP/MS01程序文件版本:A标题:顾客满意度测量程序页码:4/46.0相关文件及质量记录《客户满意度调查表》《满意度...

1、当您付费下载文档后,您只拥有了使用权限,并不意味着购买了版权,文档只能用于自身使用,不得用于其他商业用途(如 [转卖]进行直接盈利或[编辑后售卖]进行间接盈利)。
2、本站所有内容均由合作方或网友上传,本站不对文档的完整性、权威性及其观点立场正确性做任何保证或承诺!文档内容仅供研究参考,付费前请自行鉴别。
3、如文档内容存在违规,或者侵犯商业秘密、侵犯著作权等,请点击“违规举报”。

碎片内容

顾客满意度测量程序

您可能关注的文档

确认删除?
VIP
微信客服
  • 扫码咨询
会员Q群
  • 会员专属群点击这里加入QQ群
客服邮箱
回到顶部