电脑桌面
添加小米粒文库到电脑桌面
安装后可以在桌面快捷访问

基坑支护施工方案115(专家论证后)VIP专享VIP免费

基坑支护施工方案115(专家论证后)_第1页
1/64
基坑支护施工方案115(专家论证后)_第2页
2/64
基坑支护施工方案115(专家论证后)_第3页
3/64
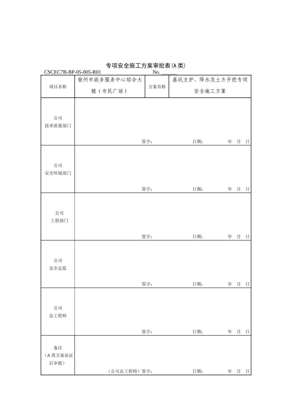
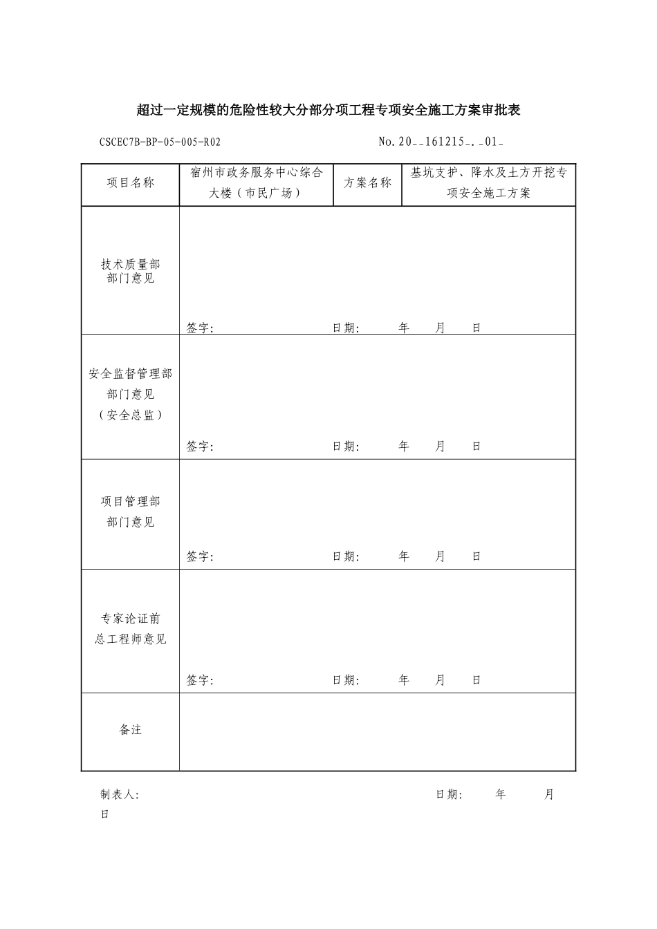
超过一定规模的危险性较大分部分项工程专项安全施工方案审批表CSCEC7B-BP-05-005-R02No.20__161215_._01_制表人:日期:年月日项目名称宿州市政务服务中心综合大楼(市民广场)方案名称基坑支护、降水及土方开挖专项安全施工方案技术质量部部门意见签字:日期:年月日安全监督管理部部门意见(安全总监)签字:日期:年月日项目管理部部门意见签字:日期:年月日专家论证前总工程师意见签字:日期:年月日备注专项安全施工方案审批表(A类)CSCEC7B-BP-05-005-R01No.______项目名称宿州市政务服务中心综合大楼(市民广场)方案名称基坑支护、降水及土方开挖专项安全施工方案公司技术质量部门签字:日期:年月日公司安全环境部门签字:日期:年月日公司工程部门签字:日期:年月日公司安全总监签字:日期:年月日公司总工程师签字:日期:年月日备注(A类方案论证后审批)(公司总工程师)签字:日期:年月日制表人:日期:年月日宿州市政务服务中心综合大楼(市民广场)基坑支护、降水及土方开挖专项安全施工方案中国建筑第七工程局有限公司2016年12月8日目录第一章编制依据及原则..........................................................................................................................................................41.1编制说明及目标..............................................................................................................................................................41.2编制依据..........................................................................................................................................................................41.3编制原则..........................................................................................................................................................................5第二章工程概况......................................................................................................................................................................62.1工程总体概况..................................................................................................................................................................62.2地质水文概况..................................................................................................................................................................62.4本工程特点、难点和需重点考虑的问题..................................................................................................................92.5施工要求及目标............................................................................................................................................................102.6技术保证条件................................................................................................................................................................10第三章施工部署及施工组织管理........................................................................................................................................113.1、总体施工部署.............................................................................................................................................................113.2土方开挖总体部署........................................................................................................................................................113.3施工组织管理..............................................................................................................................................................

1、当您付费下载文档后,您只拥有了使用权限,并不意味着购买了版权,文档只能用于自身使用,不得用于其他商业用途(如 [转卖]进行直接盈利或[编辑后售卖]进行间接盈利)。
2、本站所有内容均由合作方或网友上传,本站不对文档的完整性、权威性及其观点立场正确性做任何保证或承诺!文档内容仅供研究参考,付费前请自行鉴别。
3、如文档内容存在违规,或者侵犯商业秘密、侵犯著作权等,请点击“违规举报”。

碎片内容

基坑支护施工方案115(专家论证后)

确认删除?
VIP
微信客服
  • 扫码咨询
会员Q群
  • 会员专属群点击这里加入QQ群
客服邮箱
回到顶部