电脑桌面
添加小米粒文库到电脑桌面
安装后可以在桌面快捷访问

土建工程竣工资料范本(整套)(DOC136页)VIP免费

土建工程竣工资料范本(整套)(DOC136页)_第1页
1/146
土建工程竣工资料范本(整套)(DOC136页)_第2页
2/146
土建工程竣工资料范本(整套)(DOC136页)_第3页
3/146
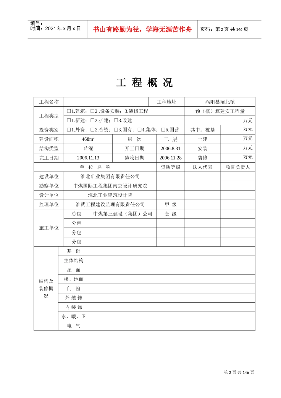
第1页共146页编号:时间:2021年x月x日书山有路勤为径,学海无涯苦作舟页码:第1页共146页施工技术管理资料第2页共146页编号:时间:2021年x月x日书山有路勤为径,学海无涯苦作舟页码:第2页共146页工程概况工程名称工程地址涡阳县闸北镇工程类型□1.建筑;□2.设备安装;3.装修工程预(概)算建安工程量□1.新建;□2.扩建;□3.改建万元投资类别□1.外资;□2.合资;□3.国有;□4.集体;□5.国营其中:桩基万元建设面积468m2层次二层土建万元结构类型砖混开工日期2006.8.31安装万元完工日期2006.11.13验收日期2006.11.28装修万元单位名称资质等级法人代表项目负责人建设单位淮北矿业集团有限责任公司勘察单位中煤国际工程集团南京设计研究院设计单位淮北工业建筑设计院监理单位淮武工程建设监理有限责任公司甲级施工单位总包中煤第三建设(集团)公司壹级分包分包分包结构及装修概况基础主体结构屋面楼、地面门窗外装饰内装饰水、暖、卫电气第3页共146页编号:时间:2021年x月x日书山有路勤为径,学海无涯苦作舟页码:第3页共146页附注:复核人:填表人:工程项目施工管理人员名单工程名称施工单位中煤第三建设(集团)公司技术部门负责人袁斌执业证号0211290联系电话13305579050质量部门负责人王太林执业证号011057联系电话0557-2173315项目经理牛刚执业证号皖建安B(2004)0039558联系电话13155670066项目技术负责人崔怀胜执业证号0412302联系电话13696593383专职质检员李伟执业证号057029联系电话13731806551第4页共146页编号:时间:2021年x月x日书山有路勤为径,学海无涯苦作舟页码:第4页共146页上述人员是我单位为配备的项目施工管理人员,请建设(监理)单位审核。技术负责人:年月日审核意见:建设单位项目负责人(总监理工程师):年月日施工现场质量管理检查记录开工日期:2006年8月31日工程名称施工许可证(开工证)建设单位淮北矿业集团有限责任公司项目负责人王合作设计单位淮北工业建筑设计院项目负责人监理单位淮武工程建设监理有限责任公司总监理工程师丁进民施工单位中煤第三建设(集团)公司项目经理牛刚项目技术负责人崔怀胜序号项目内容1现场质量管理制度质量例会制度;三检及交接检制度;月评比与奖罚制度;质量与经济挂钩制度2质量责任制岗位责任制;设计交底会制度;技术交底制度;挂牌制度第5页共146页编号:时间:2021年x月x日书山有路勤为径,学海无涯苦作舟页码:第5页共146页3主要专业工种操作上岗证书测量工、钢筋工、电焊工、架子工4施工图纸审查情况已审查5地质勘察资料6施工组织设计、施工方案及审批施工组织设计编制、审核、批准齐全7施工技术标准各技术标准齐全8工程质量检验制度原材料及施工制度;抽测项目自检测计划9搅拌站及计量设置有管理制度和计量设施,精确度及控制措施10现场材料、设备存放与管理钢材、砂、石、水泥及材料管理方法检查结论:总监理工程师:(建设单位项目负责人)年月日工程开工报审表工程名称:编号:第6页共146页编号:时间:2021年x月x日书山有路勤为径,学海无涯苦作舟页码:第6页共146页致:淮武监理公司(监理单位)我方承担的工程,已完成了以下各项工作,具备了开工条件,特此申请施工,请核查并签发开工指令。附件:1、开工报告2、(证明文件)承包单位(章)中煤三建项目经理日期审查意见:项目监理机构总监理工程师日期开工报告第7页共146页编号:时间:2021年x月x日书山有路勤为径,学海无涯苦作舟页码:第7页共146页建设单位:淮北矿业集团有限责任公司工程名称工程地点施工单位中煤第三建设(集团)公司监理单位淮武工程建设监理有限责任公司中标价格万元承包方式合同编号合同工期天计划开工日期计划竣工日期说明上述准备工作已就绪,定于正式开工,希望建设(监理)单位于前进行审核,特此报告。施工单位:中煤第三建设(集团)公司项目经理:(公章)年月日审核意见:总监理工程师(建设单位项目负责人):(公章)年月日工程竣工报告第8页共146页编号:时间:2021年x月x日书山有路勤为径,学海无涯苦作舟页码:第8页共146页00007工程名称结构类型工程地址涡阳县闸北镇建筑面积建设单位淮北矿业集...

1、当您付费下载文档后,您只拥有了使用权限,并不意味着购买了版权,文档只能用于自身使用,不得用于其他商业用途(如 [转卖]进行直接盈利或[编辑后售卖]进行间接盈利)。
2、本站所有内容均由合作方或网友上传,本站不对文档的完整性、权威性及其观点立场正确性做任何保证或承诺!文档内容仅供研究参考,付费前请自行鉴别。
3、如文档内容存在违规,或者侵犯商业秘密、侵犯著作权等,请点击“违规举报”。

碎片内容

土建工程竣工资料范本(整套)(DOC136页)

您可能关注的文档

确认删除?
VIP
微信客服
  • 扫码咨询
会员Q群
  • 会员专属群点击这里加入QQ群
客服邮箱
回到顶部