电脑桌面
添加小米粒文库到电脑桌面
安装后可以在桌面快捷访问

大润发消防工程竣工资料模版VIP专享VIP免费

大润发消防工程竣工资料模版_第1页
1/48
大润发消防工程竣工资料模版_第2页
2/48
大润发消防工程竣工资料模版_第3页
3/48
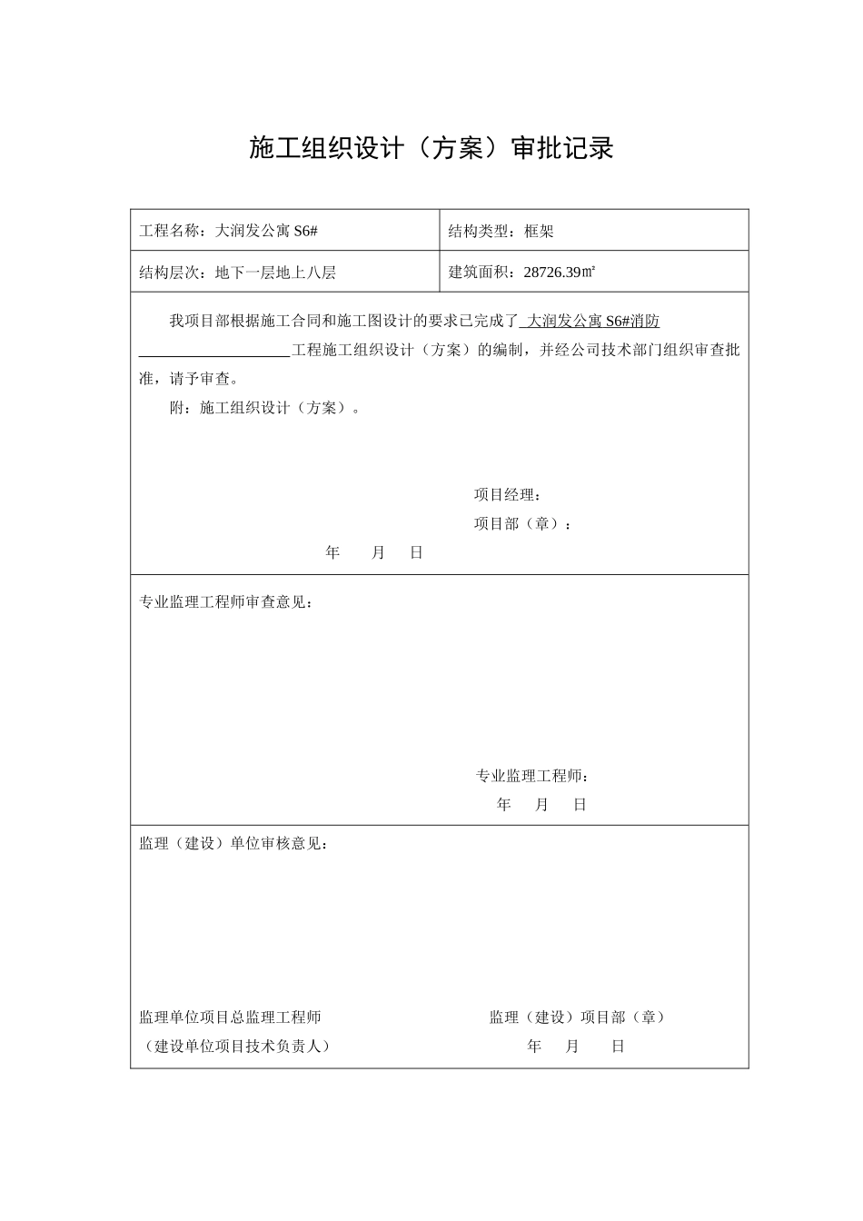
施工组织设计(方案)审批记录工程名称:大润发公寓S6#结构类型:框架结构层次:地下一层地上八层建筑面积:28726.39㎡我项目部根据施工合同和施工图设计的要求已完成了大润发公寓S6#消防工程施工组织设计(方案)的编制,并经公司技术部门组织审查批准,请予审查。附:施工组织设计(方案)。项目经理:项目部(章):年月日专业监理工程师审查意见:专业监理工程师:年月日监理(建设)单位审核意见:监理单位项目总监理工程师监理(建设)项目部(章)(建设单位项目技术负责人)年月日施工技术交底记录施工技术交底记录工程名称:大润发公寓S6#编号:项目技术负责人:项目专业施工员:项目专业质量检查员:专业班组长:交底时间:年月日交底地址:交底内容1、交底分部(子分部)、分项工程名称:自动喷水灭火系统工程2、交底执行标准名称编号:《自动喷水灾火系统施工及验收规范》(GB50261-96)3、交底内容摘要:(一)管件管道进场时应仔细检查其表面有无裂纹、重皮等。(二)喷头的型号、公称动作温度等标志应齐全。(三)报警阀应有商标、型号等标志。(四)消防水箱的容积、安装位置应符合设计要求。(五)消防气压给水设备安装位置、进水管及出水管方向应符合设计要求。(六)地上消防水泵接合器应设置与消火栓区别的固定标志。(七)进入工地必须带安全帽,严格遵守安全生产规章制度。(八)严禁高空向下抛砖、石以及什物等。(九)高空作业需系安全带。(十)电气设备需做好安全措施,如保护接地、保护接零等。(十一)注意安全,时刻提高警惕。施工单位技术交底人签字:施工班组接受人签字:注①执行标准名称及编号系指施工单位自选制定的企业标准(如施工操作工艺标准、工法等)的名称、编号;②企业标准应有编制人、批准人、批准间时、执行时间、标准名称及编号③企业标准的质量水平不得低于国家施工质量验收规范的规定要求;④施工单位当前如无企业标准,可暂选用国家有关部委、省市及其他企业公开发布的标准,但选用的标准的质量水平不得低于国家现行施工质量验收规范的规定要求;⑤交底内容摘要,只填写已交待执行标准中的章、节标题的补充内容概要。开工综合性文件工程开工/复工报审表工程名称:大润发公寓S6#编号:致:安徽振华建设监理咨询有限公司(项目监理机构)我方承担的大润发公寓S6#消防工程工程,已完成了以下各项工作,具备了开工/复工条件,特申请施工,请核查并签发开工/复工指令。附件:1、开工报告:2、(证明文件)。施工项目经理部(盖章):项目经理或项目技术负责人(签字):年月日审查意见:项目监理机构(盖章):专业监理工程师(签字):年月日建筑消防设施开工报告建设单位宁国市三江房地产开发有限公司设计单位上海申联建筑设计有限公司施工单位安徽新恒基消防工程有限公司工程地址宁国市宁阳东路津河中学对面工程名称大润发公寓S6#申请开工日期消防系统名称火灾报警及室内外消火栓和喷淋施工准备工作情况及开工具备条件1、所有施工图纸已准备完善。2、所有材料已进场。3、员工已进行了安全培训,已具备了各项开工条件。施工单位意见建设监理单位意见监理单位意见施工员材料设备进场汇总表序号产品名称生产厂家规格型号单位数量1喷头福建省南安颍龙消防工贸有限公司T-ZSTX15-68℃只28502消防栓泵中国上海连城(集团)有限公司XBD7.5/45-SLS/125台23喷淋栓泵上中国上海连城(集团)有限公司XBD7/40-SLS125台24烟感北大青鸟环宇消防设备股份有限公司JTY-GD-JBF-4100只9005温感北大青鸟环宇消防设备股份有限公司JTW-ZD-JBF-4110只526隔离器北大青鸟环宇消防设备股份有限公司JBF-171K只347消防栓按钮北大青鸟环宇消防设备股份有限公司JBF-VM3333A只1598模块北大青鸟环宇消防设备股份有限公司JBF-3131只349模块北大青鸟环宇消防设备股份有限公司JBF-3141只27210模块北大青鸟环宇消防设备股份有限公司JBF-155F只2911报警控制器北大青鸟环宇消防设备股份有限公司JB-TG-JBF-11SF-H(联动型)台112消防广播北大青鸟环宇消防设备股份有限公司WY-XD5-5A只6013湿式报警阀福建省南安颍龙消防工贸有限公司ZSFZ-150只414151617181920工程材料/构配件/...

1、当您付费下载文档后,您只拥有了使用权限,并不意味着购买了版权,文档只能用于自身使用,不得用于其他商业用途(如 [转卖]进行直接盈利或[编辑后售卖]进行间接盈利)。
2、本站所有内容均由合作方或网友上传,本站不对文档的完整性、权威性及其观点立场正确性做任何保证或承诺!文档内容仅供研究参考,付费前请自行鉴别。
3、如文档内容存在违规,或者侵犯商业秘密、侵犯著作权等,请点击“违规举报”。

碎片内容

大润发消防工程竣工资料模版

确认删除?
VIP
微信客服
  • 扫码咨询
会员Q群
  • 会员专属群点击这里加入QQ群
客服邮箱
回到顶部