电脑桌面
添加小米粒文库到电脑桌面
安装后可以在桌面快捷访问

压力计式截止阀VIP免费

压力计式截止阀_第1页
1/93
压力计式截止阀_第2页
2/93
压力计式截止阀_第3页
3/93
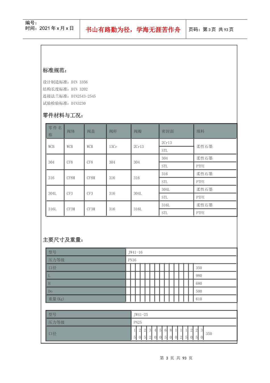
第1页共93页编号:时间:2021年x月x日书山有路勤为径,学海无涯苦作舟页码:第1页共93页压力计式截止阀爆发”)。在此背景下,笔者认为,对于中国正在建设之中的国家战略石油储备,应该等到2008年以后,国际原油价格下跌到27美元/桶一线后,再采购注油方为上策。中国外汇储备即将破万亿美元大关安全信心增强中国的外汇储备即将突破1万亿美元大关。中国人民银行13日发布的数据显示,截至9月30日,中国外汇储备余额达9879亿美元,且正以每个月200亿美元的速度增长。这样一个数据引来世界各国关注,它们惊讶的同时也感到担忧,不少人甚至替中国出谋划策,为怎么花这些钱“支招”。1万亿美元的外汇储备对中国意味着什么?它会有什么危险吗?各方反响不一日本对中国外汇储备创新高心情复杂。《朝日新闻》、《日本经济新闻》等连续对此进行了报道,强调“中国的外汇存款已超过一般的安全水平”。报道称,为抑制人民币升值,中国花了大量人民币购买美元,造成中国外汇储备急速增长。同时,它们对包括美国花旗银行在内的大型国际银行积极地向中国政府“自我推销”感到眼红。《富士产经新闻》报道时文章所用的标题就意味深长——《中国外汇储备即将达到1万亿美元,存储了美元却增加了火种》。文章把重心放在人民币升值问题上,称美国“一向要求人民币升值,却并不希望中国出售手中拥有的大德标阀门>>德标截止阀>>德标截止阀产品名称:德标截止阀产品型号:JW41H产品口径:DN15~DN400产品压力:0.6~10.0MPa产品材质:铸钢、不锈钢、合金钢等产品概括:生产标准:国家标准GB、机械标准JB、化工标准HG、美标API、ANSI、德标DIN、日本JIS、JPI、英标BS生产。阀体材质:铜、铸铁、铸钢、碳钢、WCB、WC6、WC9、20#、25#、锻第2页共93页第1页共93页编号:时间:2021年x月x日书山有路勤为径,学海无涯苦作舟页码:第2页共93页钢、A105、F11、F22、不锈钢、304、304L、316、316L、铬钼钢、低温钢、钛合金钢等。工作压力1.0Mpa-50.0Mpa。工作温度:-196℃-650℃。连接方式:内螺纹、外螺纹、法兰、焊接、对焊、承插焊、卡套、卡箍。驱动方式:手动、气动、液动、电动。产品详细信息产品介绍:德标截止阀产品结构合理、密封可靠,特别适用于易燃、易爆、剧毒、毒性流体、高温导热油、液氨、乙二醇等介质。德标截止阀驱动方式有手动、齿轮传动、电动、气动等。应用范围:德标法兰截止阀适用于公称压力PN16~PN160,工作温度-29~350℃的易燃、易爆、剧毒、毒性流体、高温导热油、液氨、乙二醇等工业流体介质。德标截止阀广泛应用于石油化工、化纤纺织、塑料造纸、电力钢铁、印染橡胶、天然气等其它气体系统,性能安全可靠。结构特点:双重坚固耐用的波纹管密封设计(波纹管+填料),保证阀杆的零泄漏。没有流体损失,提高工厂设备安全,并符合国际密封标准。德标截止阀密封面堆焊Co基硬质合金、耐磨、耐腐、抗摩擦性能好、使用寿命长。阀杆调质及表面氮化处理,有良好的抗腐和抗摩擦性能;阀杆升降位置指示,更直观。技术规范公称压力(MPa)壳体试验压力(MPa)密封试验压力(MPa)适用温度(℃)1.62.41.76≤350℃2.53.752.754.06.04.46.49.67.04第3页共93页第2页共93页编号:时间:2021年x月x日书山有路勤为径,学海无涯苦作舟页码:第3页共93页标准规范:设计制造标准:DIN3356结构长度标准:DIN3202连接法兰标准:DIN2543-2545试验检验标准:DIN3230零件材料与工况:零件名称阀体阀盖阀杆阀瓣密封面填料WCBWCBWCB13Cr2Cr132Cr13柔性石墨STL304CF8CF8304304304柔性石墨STLPTFE316CF8MCF8M316316316柔性石墨STLPTFE304LCF3CF3316304L304L柔性石墨STLPTFE316LCF3MCF3M316316L316L柔性石墨STLPTFE主要尺寸及重量:型号JW41-16压力等级PN16口径350L980H680Do500重量(Kg)610型号JW41-25压力等级PN25口径1520253240506580101215202530350第4页共93页第3页共93页编号:时间:2021年x月x日书山有路勤为径,学海无涯苦作舟页码:第4页共93页050000L130150160180200230290310350400480600730850980H195200220225235250260265370400515550600630680Do130130130130150150180180200200400450450500450重量(Kg)44.557...

1、当您付费下载文档后,您只拥有了使用权限,并不意味着购买了版权,文档只能用于自身使用,不得用于其他商业用途(如 [转卖]进行直接盈利或[编辑后售卖]进行间接盈利)。
2、本站所有内容均由合作方或网友上传,本站不对文档的完整性、权威性及其观点立场正确性做任何保证或承诺!文档内容仅供研究参考,付费前请自行鉴别。
3、如文档内容存在违规,或者侵犯商业秘密、侵犯著作权等,请点击“违规举报”。

碎片内容

压力计式截止阀

您可能关注的文档

确认删除?
VIP
微信客服
  • 扫码咨询
会员Q群
  • 会员专属群点击这里加入QQ群
客服邮箱
回到顶部