电脑桌面
添加小米粒文库到电脑桌面
安装后可以在桌面快捷访问

某饲料有限公司生产部绩效考核VIP免费

某饲料有限公司生产部绩效考核_第1页
1/6
某饲料有限公司生产部绩效考核_第2页
2/6
某饲料有限公司生产部绩效考核_第3页
3/6
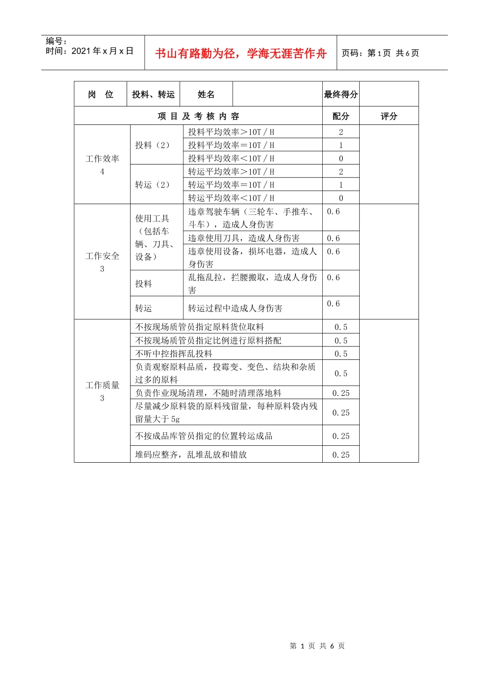
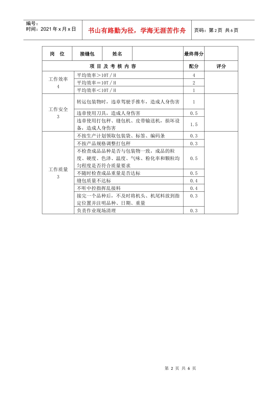
第1页共6页编号:时间:2021年x月x日书山有路勤为径,学海无涯苦作舟页码:第1页共6页岗位投料、转运姓名最终得分项目及考核内容配分评分工作效率4投料(2)投料平均效率>10T∕H2投料平均效率=10T∕H1投料平均效率<10T∕H0转运(2)转运平均效率>10T∕H2转运平均效率=10T∕H1转运平均效率<10T∕H0工作安全3使用工具(包括车辆、刀具、设备)违章驾驶车辆(三轮车、手推车、斗车),造成人身伤害0.6违章使用刀具,造成人身伤害0.6违章使用设备,损坏电器,造成人身伤害0.6投料乱拖乱拉,拦腰搬取,造成人身伤害0.6转运转运过程中造成人身伤害0.6工作质量3不按现场质管员指定原料货位取料0.5不按现场质管员指定比例进行原料搭配0.5不听中控指挥乱投料0.5负责观察原料品质,投霉变、变色、结块和杂质过多的原料0.5负责作业现场清理,不随时清理落地料0.25尽量减少原料袋的原料残留量,每种原料袋内残留量大于5g0.25不按成品库管员指定的位置转运成品0.25堆码应整齐,乱堆乱放和错放0.25第2页共6页第1页共6页编号:时间:2021年x月x日书山有路勤为径,学海无涯苦作舟页码:第2页共6页岗位接缝包姓名最终得分项目及考核内容配分评分工作效率4平均效率>10T∕H4平均效率=10T∕H2平均效率<10T∕H1工作安全3转运包装物时,违章驾驶手推车,造成人身伤害1违章使用刀具,造成人身伤害0.5违章使用打包秤、缝包机、皮带输送机,损坏设备,造成人身伤害1.5工作质量3不按生产计划领取包装袋、标签、编码条0.3不按产品规格调整打包秤0.3不检查成品品种是否与包装物一致,成品的粒度、硬度、色泽、温度、气味、粉化率和颗粒均匀程度是否符合质量要求0.5不随时检查成品重量是否达标0.5缝包质量不达标0.4不听中控指挥乱接料0.4接完一个品种后,不及时将机头、机尾料放到指定位置并注明品种、日期、重量0.3负责作业现场清理0.3第3页共6页第2页共6页编号:时间:2021年x月x日书山有路勤为径,学海无涯苦作舟页码:第3页共6页岗位投药、仓顶姓名最终得分项目及考核内容配分评分工作效率4投药2浓缩料1平均效率>10T∕H1平均效率=10T∕H0.5平均效率<10T∕H0全价料1平均效率>15T∕H1平均效率=15T∕H0.5平均效率<15T∕H0拉药2<50T1平均时间<50分钟1平均时间=50分钟0.5平均时间>50分钟0≥50T1平均时间<70分钟1平均时间=70分钟0.5平均时间>70分钟0工作安全3使用手推车转运小药、回料时,造成人身伤害0.6违章使用刀具,造成人身伤害0.6违章使用本岗位的设备(含吊篮),损坏设备,造成人身伤害0.6清理设备时,不事先告知中控1.2工作质量3不按生产计划领取小药0.2不按质管部要求添加回料0.5投错药或乱投药0.5不随时核对标示牌所示应投药盘数和配料盘数是否一致0.5不听中控指挥进行吹仓作业0.3负责作业现场清理,不随时清理残留小药0.3不定期清理永磁桶(每班一次)和初清筛(每月一次)0.2没有对仓顶设备运行状况进行监控或没有及时将设备异常情况告知中控0.5第4页共6页第3页共6页编号:时间:2021年x月x日书山有路勤为径,学海无涯苦作舟页码:第4页共6页岗位中控姓名最终得分项目及考核内容配分评分工作效率4浓缩料2平均效率>10T∕H2平均效率=10T∕H1.5平均效率<10T∕H0.5全价料2平均效率>15T∕H2平均效率=15T∕H1.5平均效率<15T∕H0.5工作安全3违章操作设备,造成设备损坏0.6未经生产部领导同意,私自将配方带出中控室,将配方泄露给他人0.6违章使用电脑和打印机,造成电脑故障和打印机损坏0.6发现空开或热继电器跳闸保护时,没有立即通知电工进行检查,排除故障0.6清理或维修设备时,没有接到当事人通知就开启该设备0.6工作质量3不按生产计划进行生产0.2不按质管部要求进行生产0.4配错料或乱配料0.4不随时核对配料盘数和投药标示牌所示应投药盘数是否一致0.2带料转仓0.2不按生产线启停要求启停设备0.2生产前不核对配方与电脑所存配方是否一致0.4对仓进行调整使用时没有确定仓是否已排空清理就将原料进仓。0.2电话联系时不使用普通话和对内容进行重复并得以确认0.2上班时手机开机、看书、看报、打瞌睡、随意离开工作岗位0.4没有完成生产计划0.2第5页共6页第4页共6页编号:时间:202...

1、当您付费下载文档后,您只拥有了使用权限,并不意味着购买了版权,文档只能用于自身使用,不得用于其他商业用途(如 [转卖]进行直接盈利或[编辑后售卖]进行间接盈利)。
2、本站所有内容均由合作方或网友上传,本站不对文档的完整性、权威性及其观点立场正确性做任何保证或承诺!文档内容仅供研究参考,付费前请自行鉴别。
3、如文档内容存在违规,或者侵犯商业秘密、侵犯著作权等,请点击“违规举报”。

碎片内容

某饲料有限公司生产部绩效考核

您可能关注的文档

确认删除?
VIP
微信客服
  • 扫码咨询
会员Q群
  • 会员专属群点击这里加入QQ群
客服邮箱
回到顶部