电脑桌面
添加小米粒文库到电脑桌面
安装后可以在桌面快捷访问

金蝶EAS工作流iPad版用户操作手册VIP免费

金蝶EAS工作流iPad版用户操作手册_第1页
1/47
金蝶EAS工作流iPad版用户操作手册_第2页
2/47
金蝶EAS工作流iPad版用户操作手册_第3页
3/47
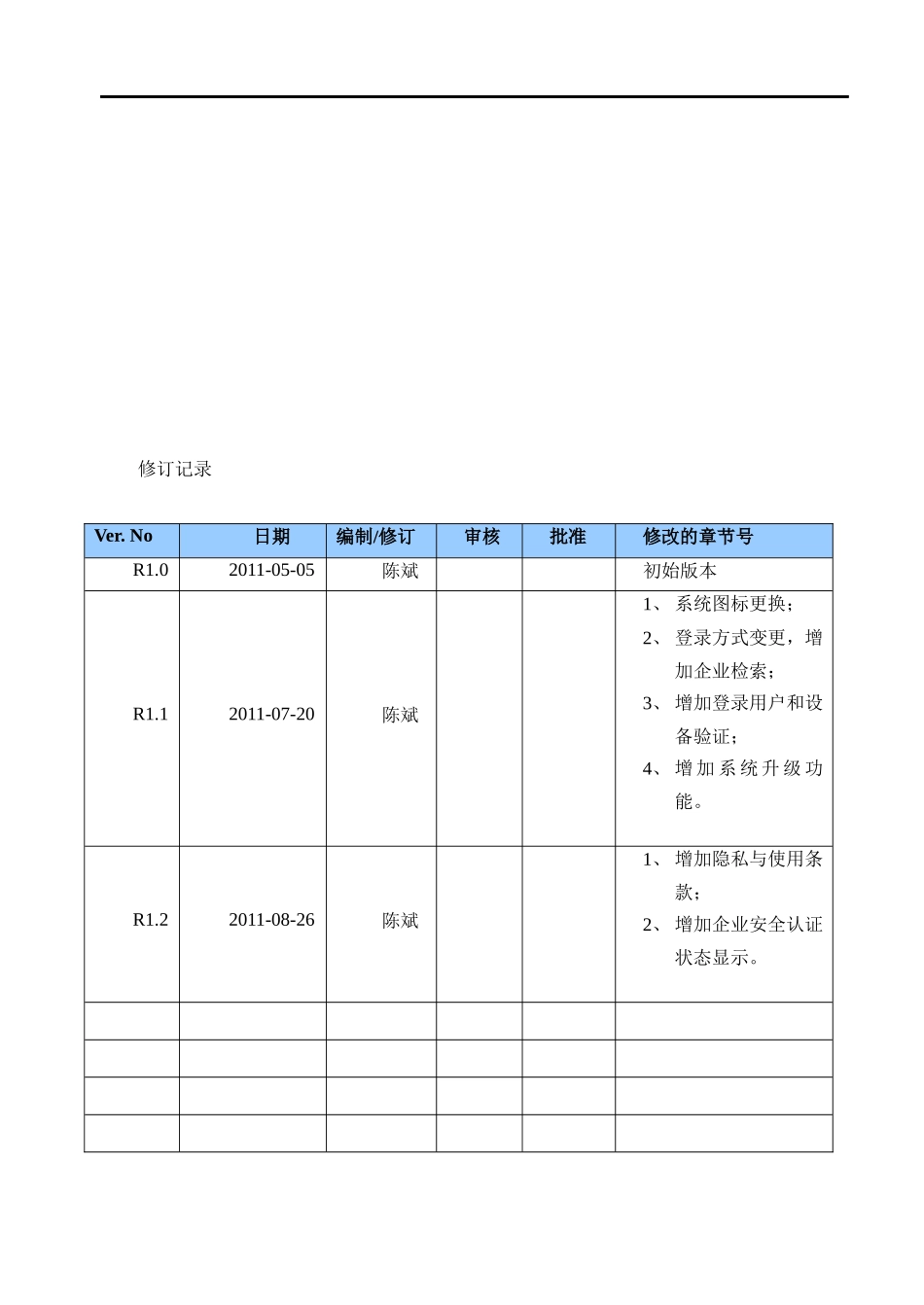
金蝶EAS工作流-iPad版用户手册修订记录Ver.No日期编制/修订审核批准修改的章节号R1.02011-05-05陈斌初始版本R1.12011-07-20陈斌1、系统图标更换;2、登录方式变更,增加企业检索;3、增加登录用户和设备验证;4、增加系统升级功能。R1.22011-08-26陈斌1、增加隐私与使用条款;2、增加企业安全认证状态显示。目录工作流iPad版.......................................................................................................................5010系统概述......................................................................................................................5020名词解释......................................................................................................................5030应用准备......................................................................................................................5040功能详述......................................................................................................................7040010登陆................................................................................................................7040020升级..............................................................................................................17040030设置..............................................................................................................18040040关于..............................................................................................................19040050退出..............................................................................................................20040060待办查询......................................................................................................20040070待办审批......................................................................................................26040080待办决策......................................................................................................34040090已办查询......................................................................................................36050常见问题....................................................................................................................40050010系统无法联网...............................................................................................40050020更换设备后提示进行设备注册...................................................................41050030更换用户后提示进行用户和设备注册.......................................................42050040登录提示在线人数达到最大值...................................................................42050050无法看到待办流程.......................................................................................43050060无法看到已办流程.......................................................................................44050070无法打开流程附件.......................................................................................45第5页共47页编号:时间:2021年x月x日书山有路勤为径,学海无涯苦作舟页码:第5页共47页工作流iPad版系统要求:需要iOS3.2或更高版本010系统概述工作流iPad版产品是EAS工作流审批在3G移动互联网的新型应用,通过在iPad上进行EAS工作流处理,满足了企业随时随地移动办公的需求,提高业务处理的及时性和效率。020名词解释3G:第三代移动通信技术(3rd-generation,3G),是指支持高速数据传输的蜂窝移动通讯技术。3G服务能够同时传送声音及数据信息,速率一般在几百kb...

1、当您付费下载文档后,您只拥有了使用权限,并不意味着购买了版权,文档只能用于自身使用,不得用于其他商业用途(如 [转卖]进行直接盈利或[编辑后售卖]进行间接盈利)。
2、本站所有内容均由合作方或网友上传,本站不对文档的完整性、权威性及其观点立场正确性做任何保证或承诺!文档内容仅供研究参考,付费前请自行鉴别。
3、如文档内容存在违规,或者侵犯商业秘密、侵犯著作权等,请点击“违规举报”。

碎片内容

金蝶EAS工作流iPad版用户操作手册

您可能关注的文档

确认删除?
VIP
微信客服
  • 扫码咨询
会员Q群
  • 会员专属群点击这里加入QQ群
客服邮箱
回到顶部