电脑桌面
添加小米粒文库到电脑桌面
安装后可以在桌面快捷访问

用人单位职业卫生档案VIP免费

用人单位职业卫生档案_第1页
1/52
用人单位职业卫生档案_第2页
2/52
用人单位职业卫生档案_第3页
3/52
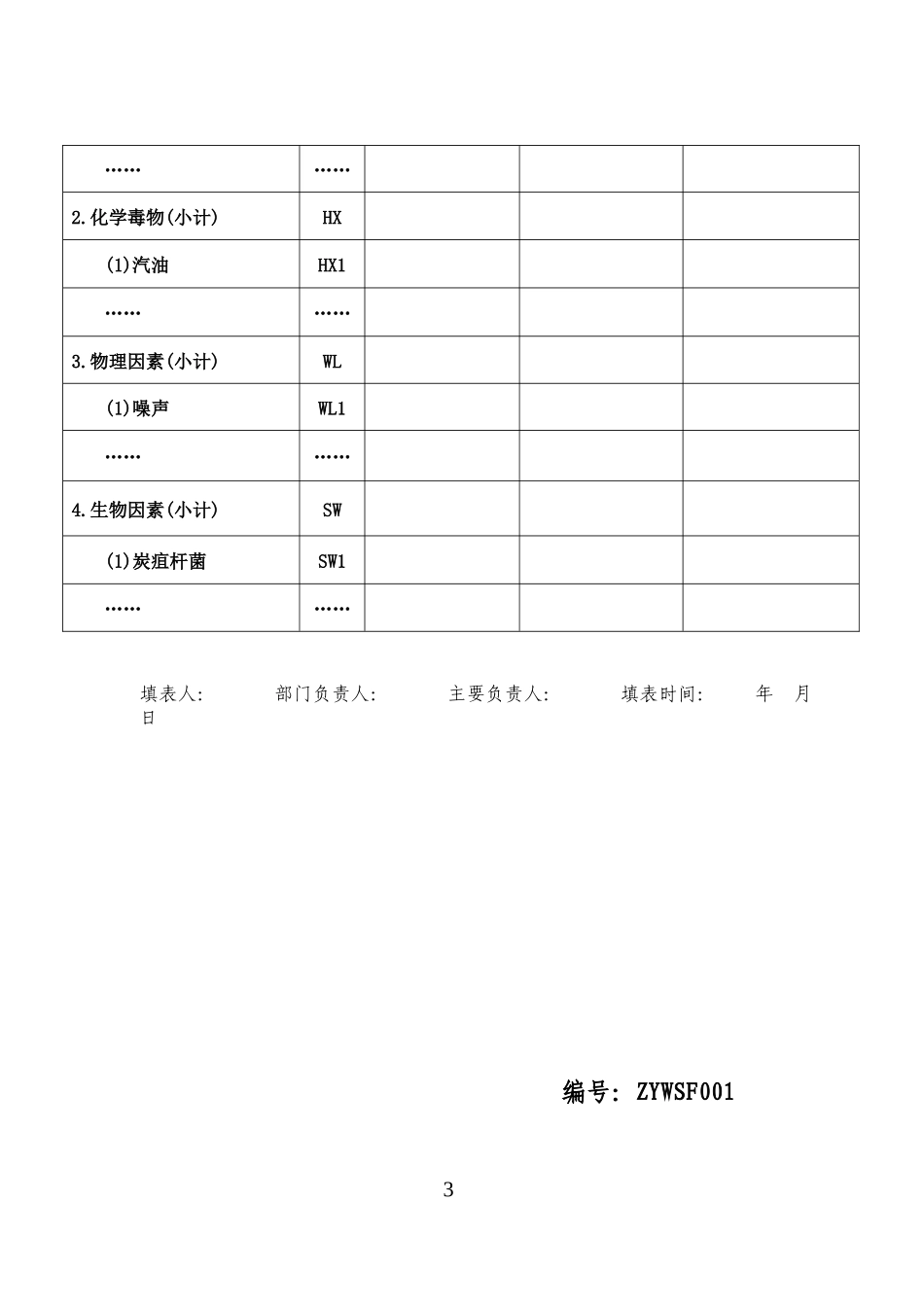
1编号:ZYWSZ001用人单位职业卫生档案(汇总档案)单位******有限公司(公章)负责人建档时间2017.1.27(2附表一用人单位基本情况汇总一览表企业名称组织机构代码注册地址工作场所地址法定代表人(主要负责人或实际控制人)联系电话所属行业登记注册类型有限责任公司企业规模小型从业人员数(人)接触职业病危害因素人数(人)合同告知职业病危害人数(人)女职工人数(人)外协工人数(人)农民工人数(人)专职职业卫生管理人数(人)兼职职业卫生管理人数(人)建立职业健康监护档案人数(人)应职业卫生培训人数(人)实际职业卫生培训人数(人)设置警示标识岗位数(个)职业病危害作业岗位数(个)应职业病危害预评价项目数(个)实际职业病危害预评价项目数(个)应职业病危害控效果评价项目数(个)实际职业病危害控效果评价项目数(个)职业病危害申报■已申报□未申报主要负责人职业卫生培训□已培训■未培训职业健康应检查人数(人)实际职业健康检查人数(人)岗前在岗离岗岗前在岗离岗新发职业病病例数(人)累计职业病病例数(人)合计尘肺职业中毒噪声聋职业性皮肤病合计尘肺职业中毒噪声聋职业性皮肤病职业病危害因素接触人数(人)检测点数(个)达标点数(个)1.粉尘(小计)FC(1)其他粉尘FC13…………2.化学毒物(小计)HX(1)汽油HX1…………3.物理因素(小计)WL(1)噪声WL1…………4.生物因素(小计)SW(1)炭疽杆菌SW1…………填表人:部门负责人:主要负责人:填表时间:年月日编号:ZYWSF0014用人单位职业卫生档案(职业卫生管理机构和职业病防治责任制文件)单位***有限公司(公章)负责人建档时间2017.1.27(内部资料注意保密专人保管)5表1-1职业卫生管理机构与组成人员一览表填表时间:年月日职业卫生管理机构名称组成姓名性别所在部门职务职称专/兼职是否经过安监部门职业卫生培训电话备注主要负责人分管负责人办:手:部门负责人办:手:具体负责人办:手:管理人员办:手:办:手:办:手:……办:手:6注:本表记录用人单位职业卫生管理人员基本情况,人员变化时本表应重新填写并同调整前表格一并存档。7编号:ZYWSF002用人单位职业卫生档案(职业卫生管理规章制度、操作规程)单位****有限公司(公章)负责人建档时间2017.1.27(内部资料注意保密专人保管)8制9表2-1职业卫生管理制度、操作规程一览表注:1)本表记录用人单位职业卫生管理制度和操作规程,每年度的职业病防治计划和实施方案应及时归档;2)岗位职业卫生操作规程与其他操作规程合并的,内容必须有职业病防护设施、应急救援设施和个人防护用品操作的相关规定。序号管理制度、操作规程名称实施时间实施部门页数备注一职业病防治计划和实施方案2017.1.5综合办二职业卫生管理规章制度1职业病危害警示与告知制度2017.4全厂2职业病危害项目申报制度2017.4全厂3职业病防治宣传教育培训制度2017.4全厂4职业病防护设施维护检修制度2017.4全厂5职业病防护用品管理制度2017.4全厂6职业病危害因素监测与评价管理制度2017.4全厂7建设项目职业卫生“三同时”管理制度2017.4全厂8劳动者职业健康监护及其档案管理制度2017.4全厂9职业病危害事故处置与报告制度2017.4全厂10职业病危害应急救援与管理制度2017.4全厂11职业病防治工作自检自查制度2017.4全厂12职业病防治责任制度2017.4全厂三岗位职业卫生操作规程12017.4全厂22017.4全厂2017.4全厂10表2-2职业病防治法律、法规、规范、标准、文件一览表序号来发文日期职业卫生法律、法规、规章、规范、标准、文件名称编号实施时间发布部门备注1234567注:1)本表记录用人单位收集的职业病防治法律、法规、规范、标准和文件,文件包括上级机关发文和企业发文;2)发布部门是指发文机关或企业发文部门。11编号:ZYWSF003用人单位职业卫生档案(工作场所职业病危害因素种类清单、岗位分布以及作业人员接触情况等资料)单位*****(公章)负责人建档时间2017.1.27(内部资料注意保密专人保管)12表3-1-1生产工艺流程图注:1)本图为生产工艺流程图示例。用人单位应根据本单位实际绘制工艺流程图,注明存在职业病危害因素的环节或部位;2)生产工艺流程图按产品或车间流程绘制;3)生产工艺流程用方框标明工艺、...

1、当您付费下载文档后,您只拥有了使用权限,并不意味着购买了版权,文档只能用于自身使用,不得用于其他商业用途(如 [转卖]进行直接盈利或[编辑后售卖]进行间接盈利)。
2、本站所有内容均由合作方或网友上传,本站不对文档的完整性、权威性及其观点立场正确性做任何保证或承诺!文档内容仅供研究参考,付费前请自行鉴别。
3、如文档内容存在违规,或者侵犯商业秘密、侵犯著作权等,请点击“违规举报”。

碎片内容

用人单位职业卫生档案

确认删除?
VIP
微信客服
  • 扫码咨询
会员Q群
  • 会员专属群点击这里加入QQ群
客服邮箱
回到顶部