电脑桌面
添加小米粒文库到电脑桌面
安装后可以在桌面快捷访问

职务说明书_品管部VIP免费

职务说明书_品管部_第1页
1/26
职务说明书_品管部_第2页
2/26
职务说明书_品管部_第3页
3/26
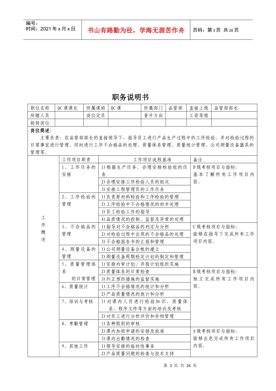
第1页共26页编号:时间:2021年x月x日书山有路勤为径,学海无涯苦作舟页码:第1页共26页职务说明书职位名称品管部部长所属课班所属部门品管部直接上级副总经理所辖人员岗位定员晋升方向工资等级轮转岗位岗位简述:主要负责:在副总经理的直接领导下,对内负责工序检验和最终检验的管理指导,工序不合格品的处理决策,初度品的品质确认,质量体系与统计、公司测量设备器具、产品出库包装等的管理,对外主要负责顾客反馈质量问题的解决。同时进行部门之间的协调。工作概述工作项目职责工作项目流程基准备注1、检验工作的管理1)负责各种检验过程异常情况的管理2)检验过程中复杂检验技术问题的解决3)不合格品的确认、决策与处理4)产品质量的控制和指导5)进行产品质量的监控过程,并及时要求有关部门采取纠正/预防措施2、测量设备的管理1)公司测量设备台帐的审核2)公司测量设备周期检定计划的制定和管理3)公司测量设备的验收与更新计划的制定3、质量管理体系的日常管理1)编制内审计划,并按计划组织实施的监督2)体系的日常检查与纠正预防措施的监督实施4、质量统计1)产品不合格情况的统计、分析和决策2)产品质量情况的统计、分析和决策5、出库包装的管理1)根据出库计划安排包装任务2)包装材料的验收及其管理6、顾客管理1)对顾客反馈进行调查后的分析2)组织制定纠正预防措施并反馈给客户3)对顾客反馈纠正措施的跟踪管理7、重要文件的编制及计划审批1)参与公司程序文件等管理和技术文件的编制2)品质计划、培训及人员配置的批准8、员工管理1)员工技能培训、考核及激励措施的监督执行2)员工批假与沟通及其工作描述9、部门间协作事项1)部门间协作,并提供必要的技术支持2)产品品质问题追溯过程的协助10、目标管理1)公司经营目标的分解与实施监督2)公司战略目标的参与制定与适时调整11、作业现场管理1)部门人员的安排与协调2)安全生产的监督与指导3)现场5S管理领导职责1)对部门检验的产品品质负责第2页共26页第1页共26页编号:时间:2021年x月x日书山有路勤为径,学海无涯苦作舟页码:第2页共26页2)对发出的产品品质负责3)对客户的质量反馈的追溯负责任职资格1、教育背景大学专科以上学历,模具或机械专业,从事模具或相关工作10年以上2、培训经历与要求培训经历:受过管理学、组织行为学、质量管理、质量统计技术、质量体系、机械知识、客户管理、检验技术等方面的培训培训要求:加强部门之间沟通效果、团队组织协调、不合格品处理技术、工作管理知识、员工激励技巧、有效领导技巧、质量认证体系培训等方面的培训3、技能技巧1)基本技能熟练掌握计算机办公软件产品图纸的识别、测量仪器的使用和测量方法产品检验方法及不合格品判定2)管理决策能力各项技术问题的决策能力不合格品的处理、判定与决策顾客反馈问题的分析决策对各项突发问题的管理决策能力3)解决问题能力对生产过程中出现的质量问题能够有效解决检验中的突发情况及时提出有效方案并进行处理对包装中出现的问题进行有效解决对顾客反馈问题进行合理解决能分析解决工序检验中的复杂问题能够通过分析及时发现工序中存在的隐患4)工作协调能力根据部门情况,有效与公司领导进行工作汇报与沟通准确与相关部门对工作相关问题进行协调有条理安排部门内部工作的相互协调5)人际沟通技巧具有与客户需求问题等的沟通能力具有与领导或部门及下属之间较强的沟通能力4、工作态度和品性1)具有较强的工作责任心。2)具有良好的沟通能力和组织能力。3)具有相当的逻辑思维能力和判断能力。5、身心条件身体健康,具有较好的精神面貌6、工作环境办公室,无工作危害第3页共26页第2页共26页编号:时间:2021年x月x日书山有路勤为径,学海无涯苦作舟页码:第3页共26页职务说明书职位名称QC课课长所属课班QC课所属部门品管部直接上级品管部部长所辖人员岗位定员晋升方向工资等级轮转岗位岗位简述:主要负责:在品管部部长的直接领导下,指导员工进行产品生产过程中的工序检验,并对检验过程的日常事宜进行管理、同时进行工序不合格品的处理、质量体系管理、质量统计管理、公司测量设备器具的管理等。工作概述工作项目职责工作项目流程基准备注1、工作任务的安...

1、当您付费下载文档后,您只拥有了使用权限,并不意味着购买了版权,文档只能用于自身使用,不得用于其他商业用途(如 [转卖]进行直接盈利或[编辑后售卖]进行间接盈利)。
2、本站所有内容均由合作方或网友上传,本站不对文档的完整性、权威性及其观点立场正确性做任何保证或承诺!文档内容仅供研究参考,付费前请自行鉴别。
3、如文档内容存在违规,或者侵犯商业秘密、侵犯著作权等,请点击“违规举报”。

碎片内容

职务说明书_品管部

您可能关注的文档

确认删除?
VIP
微信客服
  • 扫码咨询
会员Q群
  • 会员专属群点击这里加入QQ群
客服邮箱
回到顶部