电脑桌面
添加小米粒文库到电脑桌面
安装后可以在桌面快捷访问

进阶培训资料finalVIP免费

进阶培训资料final_第1页
1/97
进阶培训资料final_第2页
2/97
进阶培训资料final_第3页
3/97
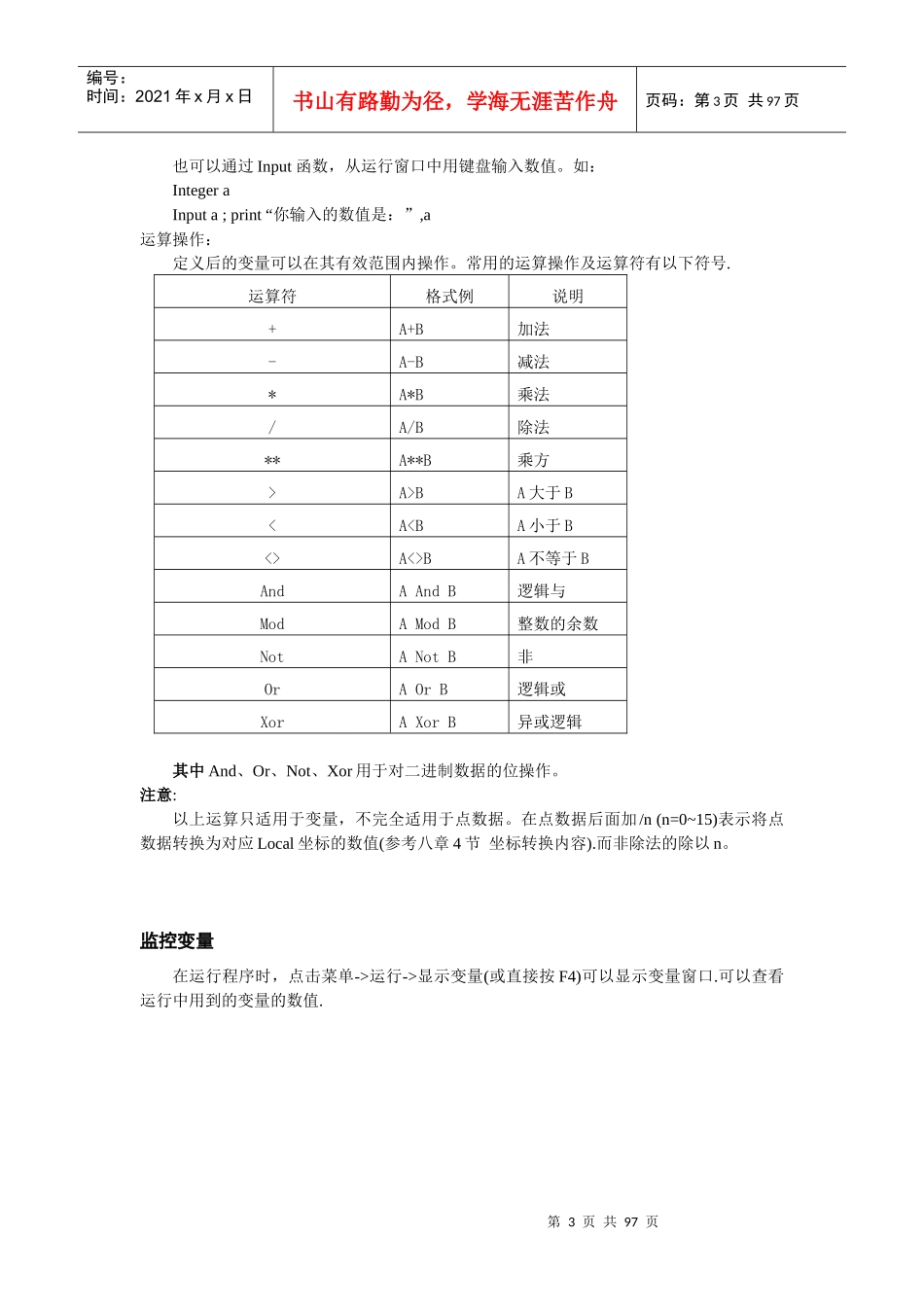
第1页共97页编号:时间:2021年x月x日书山有路勤为径,学海无涯苦作舟页码:第1页共97页一变量与数值运算在机械手运行过程中,往往会需要涉及到大量数据的处理与运算。简单的,如工件的数量,工件的种类编号,复杂的,如工件的位置补正数据,产品的良品率计算等等。为了能够有效的在程序中获取,保存和使用这些数值,需要通过变量来储存这些数据。变量的作用,相当于在系统的内存中,开辟一个有特定名称的区域,来保存特定的数据。规划好这个区域后,对该数据的读写只需要通过变量名称前访问即可。1.变量的类型与范围变量的数据类型:根据储存的数据格式的不同,我们可以给变量设定能够不同的数据类型。当赋值给变量的数值超过了其范围,会出现错误报警(错误:2243,变量溢出。指定变量超过最大允许值。)数据类型长度范围Boolean1字节TRUE或者FALSEByte1字节-128~+127Double8字节-1.79E+308~1.79E+308Integer2字节-32768~+32767Long4字节-2147483648~+2147483647Real4字节-3.40E+38~3.40E+38String255字节全部是ASCII字符定义变量使用变量之前必须先要定义变量的名称.定义格式为:变量类型+变量名称。如:Integeri,j,k'定义全局整型变量变量的作用范围SPEL+语言有三种作用范围的变量:•Local:局部变量•Module:模块变量•Global:全局变量一般函数内部使用局部变量,需要函数之间共享的数据使用全局变量。在函数内部直接用变量类型+变量名称定义的变量为局部变量。只能在函数内部使用,当函数结束时变量的生存期也就结束了。在函数外部,使用Global关键字+变量类型+变量名称定义的为全局变量。全局变量的第2页共97页第1页共97页编号:时间:2021年x月x日书山有路勤为径,学海无涯苦作舟页码:第2页共97页生存周期为程序开始运行到程序结束。在程序中任意位置任意时刻均可以使用。全局保存变量:一般变量在程序运行时会初始化,不能保存上一次运行时的数据。如果需要保存之前运行的数据,以便在重新运行程序,甚至机械手控制器断电重启之后,能够读回原有数据的话,可以使用Preserve关键字,将变量定义为全局保存变量。GlobalPreserveIntegerGi2.变量的操作数值表示与转换:一般数值型的数据(Boolean,Int,Real等等)可以直接进行数学运算。但字符串型的数据不能进行数学运行,必须将字符串转换为数值。Val函数Val函数用于将字符串转换为数值.同样适用于浮点数.Realaa=val(“1.234”)则a=1.234如果字符串不是有效的数字格式,返回0。如a=val(“A1.234”)则a=0Int函数:将其他数值类型的数据转换为整型。如Int(1.2)则返回1进制转换一般常用人便于认知的10进制数表示。但在位运算中,用2进制或者16进制会更加方便。16进制的表示方式:&H数值。如10进制的255转换为16进制为FF,在SPEL+语言中写为:&HFF。2进制写为&B11111111。如A=&HFF,则A=255使用hex$()函数可以将数值转换为16进制编码(返回结果是字符串)。如>printhex$(255)>FF如将16进制表示的字符串转换为数值,可以用Val函数。16进制转换为数值:i=val("&HFF");则i=255。>printval("&HFF")>255>print&HFF+1>256数值运算:变量的赋值:直接使用=符号可以给变量赋值。如A=0第3页共97页第2页共97页编号:时间:2021年x月x日书山有路勤为径,学海无涯苦作舟页码:第3页共97页也可以通过Input函数,从运行窗口中用键盘输入数值。如:IntegeraInputa;print“你输入的数值是:”,a运算操作:定义后的变量可以在其有效范围内操作。常用的运算操作及运算符有以下符号.运算符格式例说明+A+B加法-A-B减法*A*B乘法/A/B除法**A**B乘方>A>BA大于BA<>BA不等于BAndAAndB逻辑与ModAModB整数的余数NotANotB非OrAOrB逻辑或XorAXorB异或逻辑其中And、Or、Not、Xor用于对二进制数据的位操作。注意:以上运算只适用于变量,不完全适用于点数据。在点数据后面加/n(n=0~15)表示将点数据转换为对应Local坐标的数值(参考八章4节坐标转换内容).而非除法的除以n。监控变量在运行程序时,点击菜单->运行->显示变量(或直接按F4)可以显示变量窗口.可以查看运行中用到的变量的数值.第4页共97页第3页共97页编号:时间:2021年x月x日书山有路勤为径,学海...

1、当您付费下载文档后,您只拥有了使用权限,并不意味着购买了版权,文档只能用于自身使用,不得用于其他商业用途(如 [转卖]进行直接盈利或[编辑后售卖]进行间接盈利)。
2、本站所有内容均由合作方或网友上传,本站不对文档的完整性、权威性及其观点立场正确性做任何保证或承诺!文档内容仅供研究参考,付费前请自行鉴别。
3、如文档内容存在违规,或者侵犯商业秘密、侵犯著作权等,请点击“违规举报”。

碎片内容

进阶培训资料final

确认删除?
VIP
微信客服
  • 扫码咨询
会员Q群
  • 会员专属群点击这里加入QQ群
客服邮箱
回到顶部