电脑桌面
添加小米粒文库到电脑桌面
安装后可以在桌面快捷访问

中华人民共和国国家经济贸易委员会VIP免费

中华人民共和国国家经济贸易委员会_第1页
1/8
中华人民共和国国家经济贸易委员会_第2页
2/8
中华人民共和国国家经济贸易委员会_第3页
3/8
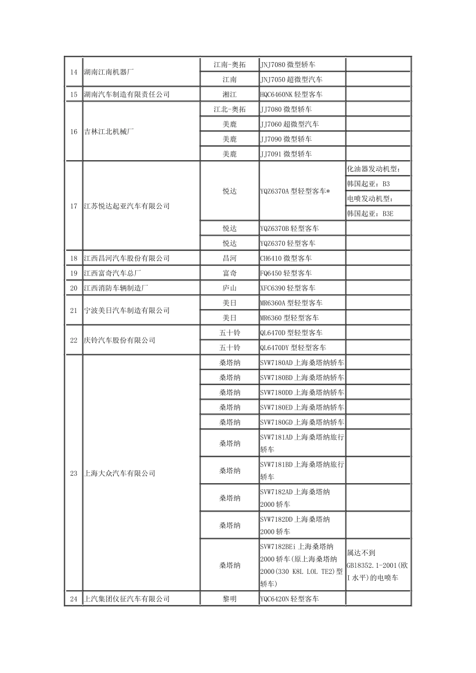
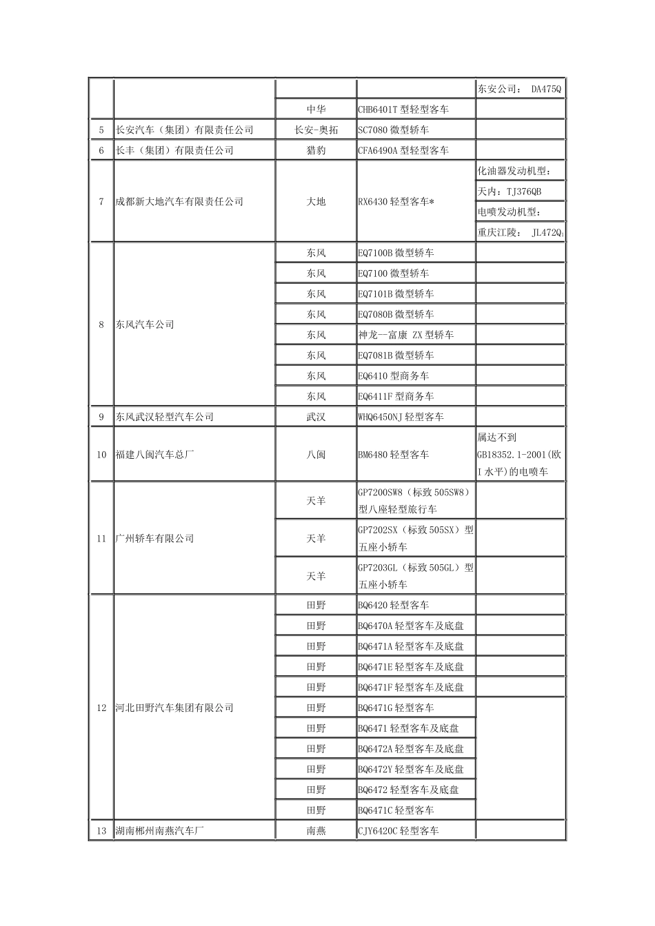
中华人民共和国国家经济贸易委员会公告二OO一年第15号为贯彻落实国务院办公厅《关于限期停止生产销售使用车用含铅汽油的通知》(国办[1998]129号)精神,国家环境保护总局、国家经济贸易委员会、公安部、国家工商行政管理总局联合下发了《关于限期停止生产销售化油器类轿车及5座客车的通知》(环发[2001)97号)。按照车辆管理的有关规定,国家经贸委决定,自2001年9月1日起,撤销《全国汽车、民用改装车和摩托车生产企业及产品目录》中的187项使用化油器的轿车及5座客车(不包括使用电喷发动机的车型)、达不到《轻型汽车污染物排放限值及测试方式(I)》(GB18352.1_2001)的电喷轿车产品。现将撤销车辆产品公告如下:撤销化油器类轿车、5座客车及达不到排放标准电喷轿车产品目录序号企业名称商标车型备注1安驰汽车股份有限公司松花江(安驰)MC6410型客车松花江(安驰)MC6410A型客车2北京吉普汽车有限公司切诺基BJ7250轿车切诺基BJ6420A轻型客车切诺基BJ6420轻型客车切诺基BJ6430A轻型客车切诺基BJ6430轻型客车切诺基BJ7250L轿车北京BJ6395轻型客车及底盘3北京汽车摩托车联合制造公司北京BJ6390Q轻型客车北京BJ6390轻型客车及底盘北京BJ6391Q轻型客车北京BJ6391轻型客车及底盘北京BJ6400V轻型客车北京BJ6400轻型客车北京BJ6461R轻型客车北京BJ6470轻型客车北京BJ6480轻型客车4北京中华汽车制造有限公司中华CHB6401TA轻型客车中华CHB6401TE型轻型客车*化油器发动机型:北内:475Q中华:GAl6天内;TJ376Q电喷发动机型:东安公司:DA475Q中华CHB6401T型轻型客车5长安汽车(集团)有限责任公司长安-奥拓SC7080微型轿车6长丰(集团)有限责任公司猎豹CFA6490A型轻型客车7成都新大地汽车有限责任公司大地RX6430轻型客车*化油器发动机型:天内:TJ376QB电喷发动机型:重庆江陵:JL472Q18东风汽车公司东风EQ7100B微型轿车东风EQ7100微型轿车东风EQ7101B微型轿车东风EQ7080B微型轿车东风神龙--富康ZX型轿车东风EQ7081B微型轿车东风EQ6410型商务车东风EQ6411F型商务车9东风武汉轻型汽车公司武汉WHQ6450NJ轻型客车10福建八闽汽车总厂八闽BM6480轻型客车属达不到GB18352.1-2001(欧I水平)的电喷车11广州轿车有限公司天羊GP7200SW8(标致505SW8)型八座轻型旅行车天羊GP7202SX(标致505SX)型五座小轿车天羊GP7203GL(标致505GL)型五座小轿车12河北田野汽车集团有限公司田野BQ6420轻型客车田野BQ6470A轻型客车及底盘田野BQ6471A轻型客车及底盘田野BQ6471E轻型客车及底盘田野BQ6471F轻型客车及底盘田野BQ6471G轻型客车田野BQ6471轻型客车及底盘田野BQ6472A轻型客车及底盘田野BQ6472Y轻型客车及底盘田野BQ6472轻型客车及底盘田野BQ6471C轻型客车13湖南郴州南燕汽车厂南燕CJY6420C轻型客车14湖南江南机器厂江南-奥拓JNJ7080微型轿车江南JNJ7050超微型汽车15湖南汽车制造有限责任公司湘江HQC6460NK轻型客车16吉林江北机械厂江北-奥拓JJ7080微型轿车美鹿JJ7060超微型汽车美鹿JJ7090微型轿车美鹿JJ7091微型轿车17江苏悦达起亚汽车有限公司悦达YQZ6370A型轻型客车*化油器发动机型:韩国起亚:B3电喷发动机型:韩国起亚:B3E悦达YQZ6370B轻型客车悦达YQZ6370轻型客车18江西昌河汽车股份有限公司昌河CH6410微型客车19江西富奇汽车总厂富奇FQ6450轻型客车20江西消防车辆制造厂庐山XFC6390轻型客车21宁波美日汽车制造有限公司美日MR6360A型轻型客车美日MR6360型轻型客车22庆铃汽车股份有限公司五十铃QL6470D型轻型客车五十铃QL6470DY型轻型客车23上海大众汽车有限公司桑塔纳SVW7180AD上海桑塔纳轿车桑塔纳SVW7180BD上海桑塔纳轿车桑塔纳SVW7180DD上海桑塔纳轿车桑塔纳SVW7180ED上海桑塔纳轿车桑塔纳SVW7180GD上海桑塔纳轿车桑塔纳SVW7181AD上海桑塔纳旅行轿车桑塔纳SVW7181BD上海桑塔纳旅行轿车桑塔纳SVW7182AD上海桑塔纳2000轿车桑塔纳SVW7182DD上海桑塔纳2000轿车桑塔纳SVW7182BEi上海桑塔纳2000轿车(原上海桑塔纳2000(330K8LLOLTE2)型轿车)属达不到GBl8352.1-2001(欧I水平)的电喷车24上汽集团仪征汽车有限公司黎明YQC6420N轻型客车黎明YQC6460NL型旅行车黎明YQC6460NZ型客车25神龙汽车有限公司神龙-富康DC7140R...

1、当您付费下载文档后,您只拥有了使用权限,并不意味着购买了版权,文档只能用于自身使用,不得用于其他商业用途(如 [转卖]进行直接盈利或[编辑后售卖]进行间接盈利)。
2、本站所有内容均由合作方或网友上传,本站不对文档的完整性、权威性及其观点立场正确性做任何保证或承诺!文档内容仅供研究参考,付费前请自行鉴别。
3、如文档内容存在违规,或者侵犯商业秘密、侵犯著作权等,请点击“违规举报”。

碎片内容

中华人民共和国国家经济贸易委员会

海纳百川+ 关注
实名认证
内容提供者

热爱教学事业,对互联网知识分享很感兴趣

确认删除?
VIP
微信客服
  • 扫码咨询
会员Q群
  • 会员专属群点击这里加入QQ群
客服邮箱
回到顶部