电脑桌面
添加小米粒文库到电脑桌面
安装后可以在桌面快捷访问

某高速公路人工挖孔桩技术交底VIP免费

某高速公路人工挖孔桩技术交底_第1页
1/3
某高速公路人工挖孔桩技术交底_第2页
2/3
某高速公路人工挖孔桩技术交底_第3页
3/3
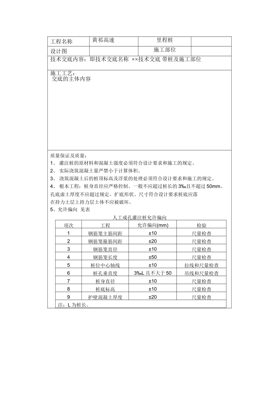
人工挖孔桩技术交底工程名称黄祁高速里程桩设计图施工部位技术交底内容:即技术交底名称××技术交底带桩及施工部位施工工艺:交底的主体内容质量保证及质量:1、灌注桩的原材料和混凝土强度必须符合设计要求和施工的规定。2、实际浇筑混凝土量严禁小于计算体积。3、浇筑混凝土后的桩顶标高及浮浆的处理必须符合设计要求和施工的规定。4、根本工程:桩身直径应严格控制。一般不应超过桩长的3‰且不超过50mm。孔底虚土厚度不应超过规定。扩底形状、尺寸符合设计要求桩底应落在持力土层上持力层土体不应被破坏。5、允许偏向见表人工成孔灌注桩允许偏向项次工程允许偏向(mm)检验1钢筋笼主筋间距±10尺量检查2钢筋笼箍筋间距±20尺量检查3钢筋笼直径±10尺量检查4钢筋笼长度±50尺量检查5桩位中心轴线±10拉线和尺量检查6桩孔垂直度3‰L且不大于50吊线和尺量检查7桩身直径±10尺量检查8桩底标高±10尺量检查9护壁混凝土厚度±20尺量检查注:L为桩长。名称:黄祁十五标工程部年月日交底人:领工员:施工班组:其它要求:平安措施、考前须知等附图:附相关图使交底更加简单明了;可以是简图或CAD图

1、当您付费下载文档后,您只拥有了使用权限,并不意味着购买了版权,文档只能用于自身使用,不得用于其他商业用途(如 [转卖]进行直接盈利或[编辑后售卖]进行间接盈利)。
2、本站所有内容均由合作方或网友上传,本站不对文档的完整性、权威性及其观点立场正确性做任何保证或承诺!文档内容仅供研究参考,付费前请自行鉴别。
3、如文档内容存在违规,或者侵犯商业秘密、侵犯著作权等,请点击“违规举报”。

碎片内容

某高速公路人工挖孔桩技术交底

书海行舟+ 关注
实名认证
内容提供者

热爱教学事业,对互联网知识分享很感兴趣

确认删除?
VIP
微信客服
  • 扫码咨询
会员Q群
  • 会员专属群点击这里加入QQ群
客服邮箱
回到顶部