电脑桌面
添加小米粒文库到电脑桌面
安装后可以在桌面快捷访问

施工现场__安全文明标准工地及文明施工标准VIP免费

施工现场__安全文明标准工地及文明施工标准_第1页
1/38
施工现场__安全文明标准工地及文明施工标准_第2页
2/38
施工现场__安全文明标准工地及文明施工标准_第3页
3/38
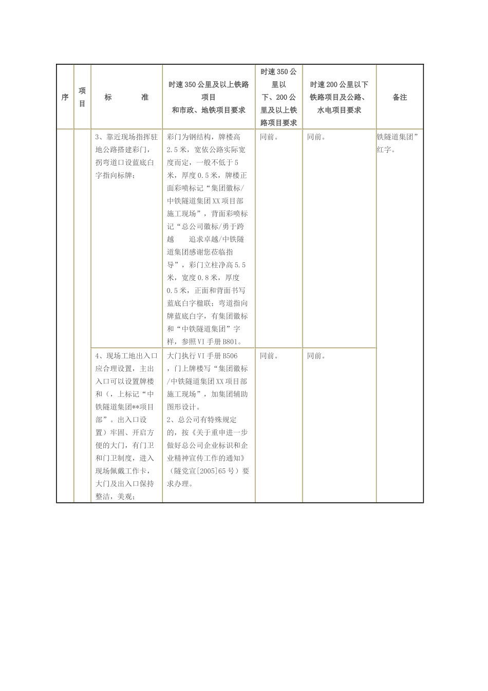
施工现场——安全文明标准工地及文明施工标准序项目标准时速350公里及以上铁路项目和市政、地铁项目要求时速350公里以下、200公里及以上铁路项目要求时速200公里以下铁路项目及公路、水电项目要求备注1总体布置1、生产、办公、生活区划分明显,布局合理、环境整洁;1、有明显标识,标识颜色执行VI手册B802。2、施工区域内的民工、分包方统一纳入总体规划。按原“标准”。视场地条件,一般项目生活办公区可分开设,不作区域划分。1、彩门横批正面写“中铁隧道集团承建XX工程”,反面写“中铁隧道集团向XX人民学习致敬”。竖幅正反面写树形象、壮士气,鼓斗志内容。2、管理、技术人员戴红色安全帽印“中铁隧道集团”白字;施工人员戴黄色安全帽印“中2、现场四周应连续设置,应设置不低于2米的围栏,优先采用彩钢板,砖砌围墙(外侧粉刷,上有压顶装饰线,下有勒脚装饰线),保持坚固、稳定和整齐美观;1、主要施工现场四周应连续设置不低于2米的围栏,采用彩钢板,砖砌围墙。2、办公区亦可采用铁艺栏杆造型,保持坚固、稳定和整齐美观。围墙宣传要求执行VI手册B505、508。主要办公、生活区四周应连续设置不低于2米的围栏,优先采用彩钢板,砖砌围墙。2、办公区亦可采用铁艺栏杆造型,保持坚固、稳定和整齐美观。3、施工现场四周可拉彩线。1.主要办公区四周应连续设置不低于2米的围栏,2.视场地条件,生产、生活区现场四周可设置不低于2米的铁丝网围栏。3、施工现场四周可拉彩线。序项目标准时速350公里及以上铁路项目和市政、地铁项目要求时速350公里以下、200公里及以上铁路项目要求时速200公里以下铁路项目及公路、水电项目要求备注铁隧道集团”红字。3、靠近现场指挥驻地公路搭建彩门,拐弯道口设蓝底白字指向标牌;彩门为钢结构,牌楼高2.5米,宽依公路实际宽度而定,一般不低于5米,厚度0.5米,牌楼正面彩喷标记“集团徽标/中铁隧道集团XX项目部施工现场”,背面彩喷标记“总公司徽标/勇于跨越追求卓越/中铁隧道集团感谢您莅临指导”,彩门立柱净高5.5米,宽度0.8米,厚度0.5米,正面和背面书写蓝底白字楹联;弯道指向牌蓝底白字,有集团徽标和“中铁隧道集团”字样,参照VI手册B801。同前。同前。4、现场工地出入口应合理设置,主出入口可以设置牌楼和(,上标记“中铁隧道集团**项目部”。出入口设置)牢固、开启方便的大门,有门卫和门卫制度,进入现场佩戴工作卡,大门及出入口保持整洁,美观;大门执行VI手册B506,门上牌楼写“集团徽标/中铁隧道集团XX项目部施工现场”,加集团辅助图形设计。2、总公司有特殊规定的,按《关于重申进一步做好总公司企业标识和企业精神宣传工作的通知》(隧党宣[2005]65号)要求办理。同前。同前。序项目标准时速350公里及以上铁路项目和市政、地铁项目要求时速350公里以下、200公里及以上铁路项目要求时速200公里以下铁路项目及公路、水电项目要求备注5、现场彩旗统一印“中铁隧道集团”,每隔10米一旗;印红底黄字和团徽的“青年突击队”旗插工地青年岗上醒目处;1、现场刀旗统一印“集团徽标中隧集团”和“总公司徽标中铁工程”两种字样,印制要求执行VI手册B111,区分名称和颜色每隔5米一旗交叉插设;印红底黄字和党徽的“党员先锋队”旗,红底黄字、团徽的“青年突击队”旗插工地醒目处;2、适当位置设“党员先锋岗”、“工会安全哨兵”、“共青团安全监督岗”职责牌,上为红底“党徽(黄色)党员先锋岗(白字)”、红底“工会会徽(黄色)工会安全哨兵(白字)”、红底“团徽(黄色)共青团安全监督岗(白字)”,下为集团辅助图形,中间职责内容为企业标准色蓝字,尺寸为0.6m×0.8m。同前。同前。6、停车场地设蓝底白字“XX车停车位”标牌(0.6m×0.6m);1、停车场地硬化地面划白线明显标识,2、未硬化地面以砌砖或拉线条旗等形式明显标识。设停车场指示牌,场内根据情况设“XX车停车位”标牌。停车场指示牌执行VI手册B801,停车位标牌尺寸为0.8m×0.6m,下方印有“集团徽标和中铁隧道集团”字样。同前。同前。序项目标准时速350公里及以上铁路项目和市政、地铁项目要求时速350公里以下、200公里及以上铁路项目要求时速200公里以下...

1、当您付费下载文档后,您只拥有了使用权限,并不意味着购买了版权,文档只能用于自身使用,不得用于其他商业用途(如 [转卖]进行直接盈利或[编辑后售卖]进行间接盈利)。
2、本站所有内容均由合作方或网友上传,本站不对文档的完整性、权威性及其观点立场正确性做任何保证或承诺!文档内容仅供研究参考,付费前请自行鉴别。
3、如文档内容存在违规,或者侵犯商业秘密、侵犯著作权等,请点击“违规举报”。

碎片内容

施工现场__安全文明标准工地及文明施工标准

确认删除?
VIP
微信客服
  • 扫码咨询
会员Q群
  • 会员专属群点击这里加入QQ群
客服邮箱
回到顶部