电脑桌面
添加小米粒文库到电脑桌面
安装后可以在桌面快捷访问

海氏(HAY)职位评价系统VIP免费

海氏(HAY)职位评价系统_第1页
1/6
海氏(HAY)职位评价系统_第2页
2/6
海氏(HAY)职位评价系统_第3页
3/6
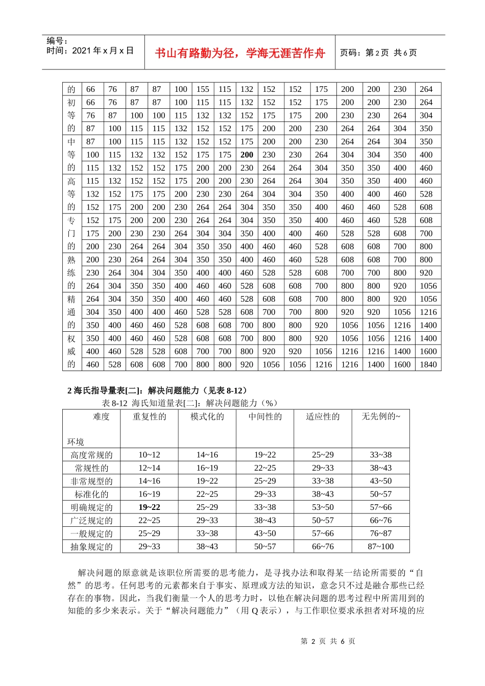
第1页共6页编号:时间:2021年x月x日书山有路勤为径,学海无涯苦作舟页码:第1页共6页海氏(HAY)职位评价系统美国薪酬设计专家艾德华·海于1951年沿着点数法的思路,进一步研究开发出海氏职位评价系统又叫“指导图表—形状构成法”,它有效地解决了不同职能部门的不同职务之间相对价值的相互比较和量化的难题,被企业界广泛接受。据统计,世界500强企业中有1/3以上的企业岗位评价都采用了海氏三要素评价法。海氏评价法,实质上是将付酬因素进一步抽象为具有普遍适用性的三大因素,即智能水平、解决问题能力和风险责任,相应设计了三套标尺性评价量表,最后将所得分值加以综合,算出各个工作职位的相对价值。海氏评价法对所评价的岗位按照以上三个要素及相应的标准进行评价打分,得出每个职位评价分,即职位评价分=知能得分+解决问题得分+应负责任得分。其中知能得分和应付责任评价得分和最后得分都是绝对分,而解决问题的评价分是相对分(百分值),经过调整后为最后得分后才是绝对分。利用海氏评价法在评价三种主要付酬因素方面不同的分数时,还必须考虑各职位的“形状构成”,以确定该因素的权重,进而统计算出各职位相对价值的总分,完成职位评价活动。所谓职务的“形状构成”主要取决于知能和解决问题的能力两因素相对于职位责任这一因素的影响力的对比与分配。8.51海氏评价法原理:“指导量表”意义解析海氏评价法原理“指导量表”意义解析:海氏认为,各种工作职位虽然千差万别、各不相同,但无论如何总有共性,也就是说,任何工作职位都存在某种具有普遍适用性的因素,他认为最一般地可以将之归结为三,即知能水平、解决问题能力和风险责任。1.海氏指导量表[知能水平](8-11)知能,指达到标准的业绩水平所需的各类知识,技能与经验的深度和广度,如能由技术知识、管理范围和人际关系技巧三个要素构成。(1)技术知识。有关科学知识、专门技术及操作方法(表中用T表示),分为基本的、初等业务的、中等业务的、高等业务的、基本专门技术的、熟练专门技术的、精通专门技术的和权威专门技术的八个等级。(2)管理范围。有关计划、组织、执行、控制及评价等管理诀窍(表中用M表示),分为起码的、有关的、多样的、广博的和全面的五个等级。(3)人际关系技巧。有关激励、沟通、协调、培养等人际关系技巧(表中用H表示),分为基本的、重要的和关键的三个等级。这三个成分的每一种组合分值如量表[一]所示,即为该职位知能水平的相对价值。表中各数值的相对差异,遵循心里测量学所谓15%韦伯分级定律表8-11海氏知道量表[一]:知能水平M起码的有关的多样的广博的全面的HT基本的重要的关键的基本的重要的关键的基本的重要的关键的基本的重要的关键的基本的重要的关键的基本505766667687871001151151321521521752005766767687100100115132132152175175200230第2页共6页第1页共6页编号:时间:2021年x月x日书山有路勤为径,学海无涯苦作舟页码:第2页共6页的66768787100155115132152152175200200230264初等的66768787100115115132152152175200200230264768710010011513213215217517520023023026430487100115115132152152175200200230264264304350中等的87100115115132152152175200200230264264304350100115132132152175175200230230264304304350400115132152152175200200230264264304350350400460高等的115132152152175200200230264264304350350400460132152175175200230230264304304350400400460528152175200200230264264304350350400460460528608专门的152175200200230264264304350350400460460528608175200230230264304304350400400460528528608700200230264264304350350400460460528608608700800熟练的2002302642643043503504004604605286086087008002302643043043504004004605285286087007008009202643043503504004604605286086087008008009201056精通的2643043503504004604605286086087008008009201056304350400400460528528608700700800920920105612163504004604605286086087008008009201056105612161400权威的35040046046052860860870080080092010561056121614004004605285286...

1、当您付费下载文档后,您只拥有了使用权限,并不意味着购买了版权,文档只能用于自身使用,不得用于其他商业用途(如 [转卖]进行直接盈利或[编辑后售卖]进行间接盈利)。
2、本站所有内容均由合作方或网友上传,本站不对文档的完整性、权威性及其观点立场正确性做任何保证或承诺!文档内容仅供研究参考,付费前请自行鉴别。
3、如文档内容存在违规,或者侵犯商业秘密、侵犯著作权等,请点击“违规举报”。

碎片内容

海氏(HAY)职位评价系统

您可能关注的文档

中小学教育精品资料+ 关注
实名认证
内容提供者

中小学教育资料,优质文档创作者

确认删除?
VIP
微信客服
  • 扫码咨询
会员Q群
  • 会员专属群点击这里加入QQ群
客服邮箱
回到顶部