电脑桌面
添加小米粒文库到电脑桌面
安装后可以在桌面快捷访问

厦门市住宅小区安全防范工程技术规定VIP免费

厦门市住宅小区安全防范工程技术规定_第1页
1/20
厦门市住宅小区安全防范工程技术规定_第2页
2/20
厦门市住宅小区安全防范工程技术规定_第3页
3/20
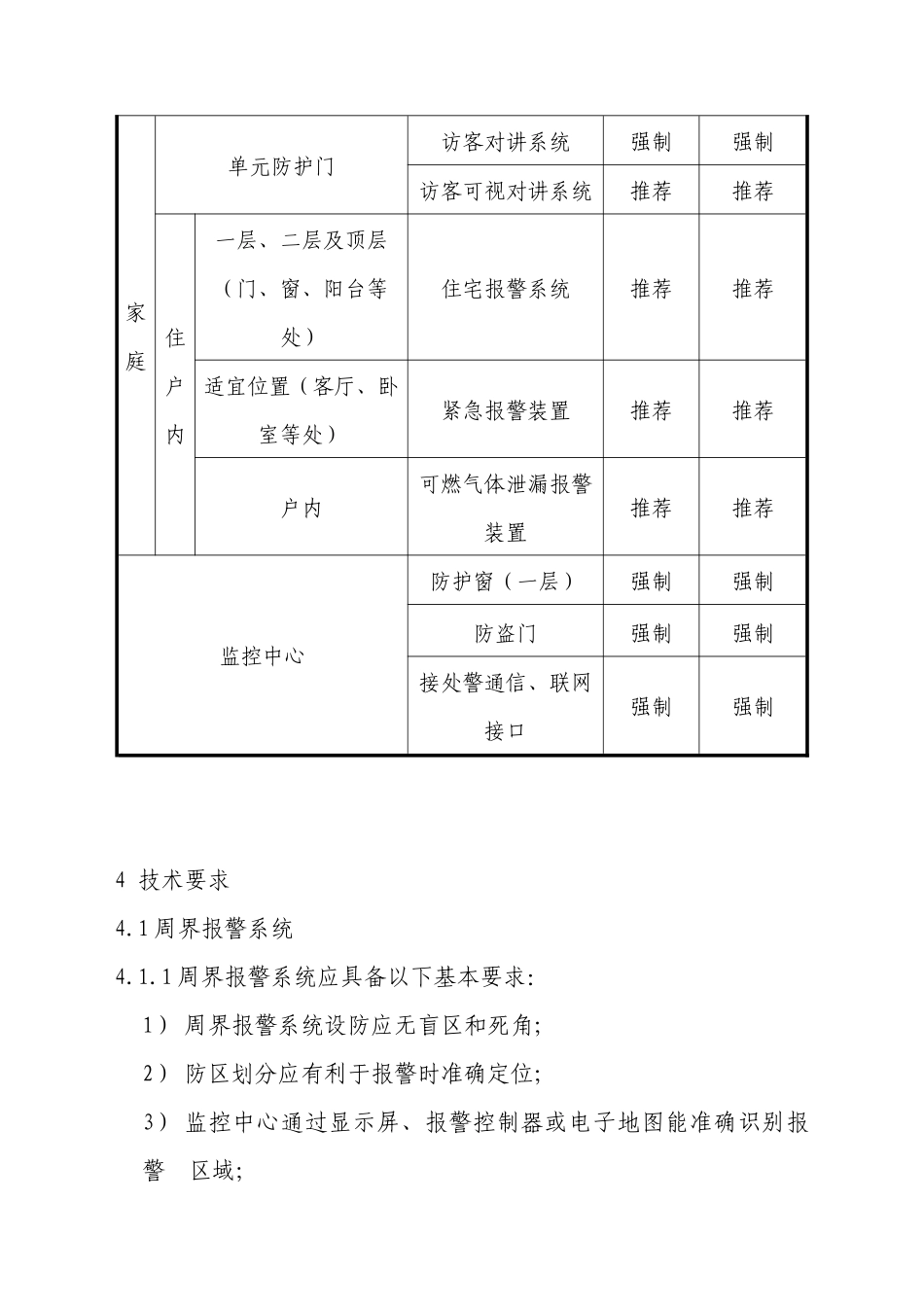
厦门市住宅小区安全防范工程技术规定1总则1.1为规范本市住宅小区安全技术防范工程的设计、施工、检测和验收,提高安全防范工程的质量,保护公民人身安全和国家、集体、个人财产安全,特制定本规定。1.2本规定适用于本市行政区域内新建、改建和扩建住宅小区的安全技术防范工程。1.3安全技术防范工程的建设,应纳入工程建设的总体规划,根据其使用功能、管理要求和建设投资等因素,进行统一设计、同步施工和验收。1.4安全技术防范工程应具有安全性、可靠性、开放性、可扩充性和使用灵活性,做到技术先进,经济合理,实用可靠。1.5安全技术防范工程的建设应推广应用可靠、先进、适用、优化集成的技术和设备。1.6安全技术防范工程的建设必须实行严格的质量控制,并达到规定的验收标准。1.7安全技术防范工程的建设,除执行本规定外,还应符合国家现行工程建设强制性标准及有关技术标准、规范的规定。2术语2.1封闭式住宅小区封闭式住宅小区是指有围墙、栅栏、河道等固定封闭周界的住宅小区。2.2非封闭式住宅小区非封闭式住宅小区是指没有固定封闭周界的住宅小区或住宅楼。2.3其它术语参照《安全防范工程技术规范》GB50348-2004。3配置要求部位防护措施封闭式非封闭式周界周界报警系统强制推荐视频安防监控系统强制强制小区出入口视频安防监控系统强制推荐公共区域区域内电子巡查系统强制强制小区主要通道视频安防监控系统强制强制楼宇出入口推荐强制电梯轿厢强制强制底层电梯厅推荐推荐车辆出入口(包括车库出入口)强制强制停车区(车库)推荐推荐重要部位或区域强制强制车辆出入口(包括车库出入口)停车场管理系统(图像对比)推荐推荐家庭单元防护门访客对讲系统强制强制访客可视对讲系统推荐推荐住户内一层、二层及顶层(门、窗、阳台等处)住宅报警系统推荐推荐适宜位置(客厅、卧室等处)紧急报警装置推荐推荐户内可燃气体泄漏报警装置推荐推荐监控中心防护窗(一层)强制强制防盗门强制强制接处警通信、联网接口强制强制4技术要求4.1周界报警系统4.1.1周界报警系统应具备以下基本要求:1)周界报警系统设防应无盲区和死角;2)防区划分应有利于报警时准确定位;3)监控中心通过显示屏、报警控制器或电子地图能准确识别报警区域;4)监控中心在收到警情时能同时发出声光报警信号,并具有记录功能;5)报警响应时间≤2s。4.1.2周界报警系统前端设备需选用稳定可靠误报率低的入侵探测器。4.1.3入侵探测器安装规定:入侵探测器的探测距离应以100m以内为宜。周界入侵探测器在安装时,应充分考虑气候对有效探测距离的影响,实际使用距离不超过产品有效探测距离的70%。4.1.4周界报警系统应符合GB10408.1《入侵探测器,通用要求》、GB10408.4《入侵探测器,主动红外入侵探测器》、GB12663《防盗报警控制器通用技术条件》的技术要求。4.2视频安防监控系统4.2.1室外视频安防监控系统的摄像机应选用自动光圈镜头,大范围监控宜选用带有云台和变焦镜头的摄像机,并应配置室外防护罩。4.2.2应保证夜间图像清晰。4.2.3出入口设置的视频安防监控系统应能清楚地识别出入人员的面部特征或车辆的车牌号码。4.2.4电梯轿厢内的摄像机应安装在电梯门的左上方或右上方的厢顶部。监视系统应配置楼层显示器。4.2.5系统应能在监控中心显示监视图像,并具有图像、时间、日期记录功能;系统应配置硬盘录像机等数字录像设备,每路录像资源应不低于每秒6帧,录像清晰度不低于CIF格式,推荐采用D1格式记录,录像记录保存时间不低于15d;系统应能自动或手动切换图像,遥控云台及镜头。4.2.6系统应具有报警联动功能。4.2.7当周界入侵探测器发出报警信号时,监控中心图像显示屏能立即自动切换出与报警相关的摄像机图像(晚间报警区域的灯光自动开启)。4.2.8视频安防监控系统图像信号的技术指标应满足表4.2.8的要求(在摄像机的标准照度情况下)。表4.2.8系统图像信号的技术指标项目指标值复合视频信号幅度(1±0.3)Vp-p黑白电视水平清晰度≥400TVL彩色电视水平清晰度≥270TVL黑白电视灰度等级≥8信噪比≥38dB4.2.9视频安防监控系统的图像质量要求:在摄像机正常工作条件下按GB7401《彩色电视图像质量主观评价方法...

1、当您付费下载文档后,您只拥有了使用权限,并不意味着购买了版权,文档只能用于自身使用,不得用于其他商业用途(如 [转卖]进行直接盈利或[编辑后售卖]进行间接盈利)。
2、本站所有内容均由合作方或网友上传,本站不对文档的完整性、权威性及其观点立场正确性做任何保证或承诺!文档内容仅供研究参考,付费前请自行鉴别。
3、如文档内容存在违规,或者侵犯商业秘密、侵犯著作权等,请点击“违规举报”。

碎片内容

厦门市住宅小区安全防范工程技术规定

文泉书屋+ 关注
实名认证
内容提供者

热爱教学事业,对互联网知识分享很感兴趣

确认删除?
VIP
微信客服
  • 扫码咨询
会员Q群
  • 会员专属群点击这里加入QQ群
客服邮箱
回到顶部