电脑桌面
添加小米粒文库到电脑桌面
安装后可以在桌面快捷访问

阀门培训课件VIP免费

阀门培训课件_第1页
1/42
阀门培训课件_第2页
2/42
阀门培训课件_第3页
3/42
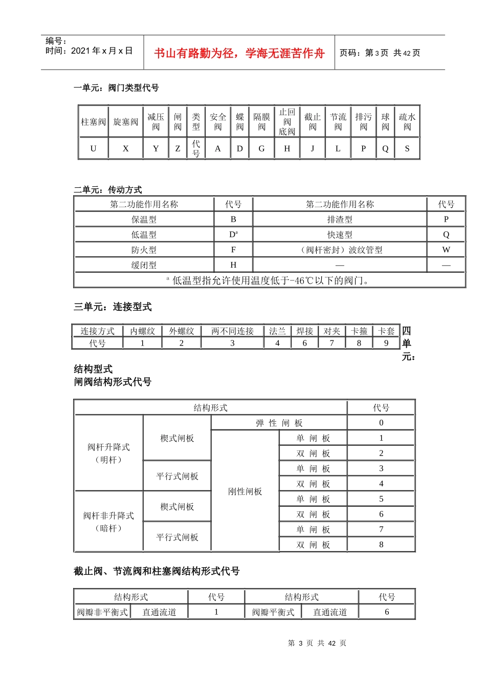
第1页共42页编号:时间:2021年x月x日书山有路勤为径,学海无涯苦作舟页码:第1页共42页目录1阀门的概述1.1基本概念1.2阀门基本作用1.3阀门命名1.4阀门的分类2阀门的类型、原理、用途、优缺点3工程设计中阀门类别选用3.1阀门选用标准及要求3.2密封面材料4管道压力、材料、连接5管阀门的泄露的原因分析及对策第2页共42页第1页共42页编号:时间:2021年x月x日书山有路勤为径,学海无涯苦作舟页码:第2页共42页1阀门的概述1.1基本概念阀门用来控制管道内介质流动的具有可动机构的机械产品的总称。阀门是化工管路上控制介质流动的一种重要附件,主要有阀体、启闭机构、阀盖三大部分组成。1.2阀门基本作用阀门是流体输送系统中的控制部件,具有导流、截流、调节、节流、防止倒流、分流或溢流卸载等功能。1)截断阀类主要用于截断或接通介质流。包括闸阀、截止阀、隔膜阀、旋塞阀、球阀、蝶阀等。2)调节阀类主要用于调节介质的流量、压力等。包括调节阀、节流阀、减阀等。3)止回阀类用于阻止介质倒流。包括各种结构的止回阀。4)分流阀类用于分配、分离或混合介质。包括各种结构的分配阀和疏水阀等。5)安全阀类用于超压安全保护。包括各种类型的安全阀。1.3阀门命名1)编号我国虽然有阀门型号编制的统一标准,但逐渐不能适应阀门工业发展的需要。目前,阀门制造厂一般采用统一的编号方法;不能采用统一编号方法的,各生产厂可按自己的情况制订出编号方法。第3页共42页第2页共42页编号:时间:2021年x月x日书山有路勤为径,学海无涯苦作舟页码:第3页共42页一单元:阀门类型代号二单元:传动方式第二功能作用名称代号第二功能作用名称代号保温型B排渣型P低温型Da快速型Q防火型F(阀杆密封)波纹管型W缓闭型H——a低温型指允许使用温度低于-46℃以下的阀门。三单元:连接型式四单元:结构型式闸阀结构形式代号结构形式代号阀杆升降式(明杆)楔式闸板弹性闸板0刚性闸板单闸板1双闸板2平行式闸板单闸板3双闸板4阀杆非升降式(暗杆)楔式闸板单闸板5双闸板6平行式闸板单闸板7双闸板8截止阀、节流阀和柱塞阀结构形式代号结构形式代号结构形式代号阀瓣非平衡式直通流道1阀瓣平衡式直通流道6柱塞阀旋塞阀减压阀闸阀类型安全阀蝶阀隔膜阀止回阀底阀截止阀节流阀排污阀球阀疏水阀UXYZ代号ADGHJLPQS连接方式内螺纹外螺纹两不同连接法兰焊接对夹卡箍卡套代号12346789第4页共42页第3页共42页编号:时间:2021年x月x日书山有路勤为径,学海无涯苦作舟页码:第4页共42页Z形流道2角式流道7三通流道3——角式流道4——直流流道5——球阀结构形式代号结构形式代号结构形式代号浮动球直通流道1固定球直通流道7Y形三通流道2四通流道6L形三通流道4T形三通流道8T形三通流道5L形三通流道9——半球直通0蝶阀结构形式代号结构形式代号结构形式代号密封型单偏心0非密封型单偏心5中心垂直板1中心垂直板6双偏心2双偏心7三偏心3三偏心8连杆机构4连杆机构9隔膜阀结构形式代号结构形式代号结构形式代号屋脊流道1直通流道6直流流道5Y形角式流道8旋塞阀结构形式代号结构形式代号结构形式代号填料密封直通流道3油密封直通流道7T形三通流道4T形三通流道8四通流道5——止回阀结构形式代号第5页共42页第4页共42页编号:时间:2021年x月x日书山有路勤为径,学海无涯苦作舟页码:第5页共42页结构形式代号结构形式代号升降式阀瓣直通流道1旋启式阀瓣单瓣结构4立式结构2多瓣结构5角式流道3双瓣结构6———蝶形止回式7安全阀结构形式代号结构形式代号结构形式代号弹簧载荷弹簧密封结构带散热片全启式0弹簧载荷弹簧不封闭且带扳手结构微启式、双联阀3微启式1微启式7全启式2全启式8带扳手全启式4——杠杆式单杠杆2带控制机构全启式6双杠杆4脉冲式9减压阀结构形式代号结构形式代号结构形式代号薄膜式1波纹管式4弹簧薄膜式2杠杆式5活塞式3——蒸汽疏水阀结构形式代号结构形式代号结构形式代号浮球式1蒸汽压力式或膜盒式6浮桶式3双金属片式7液体或固体膨胀式4脉冲式8钟形浮子式5圆盘热动力式9排污阀结构形式代号结构形式代号结构形式代号液面连接排放截止型直通式1液底间断排放截止型直流式5截止型角式2截止型直通式6第6页共42页第5页...

1、当您付费下载文档后,您只拥有了使用权限,并不意味着购买了版权,文档只能用于自身使用,不得用于其他商业用途(如 [转卖]进行直接盈利或[编辑后售卖]进行间接盈利)。
2、本站所有内容均由合作方或网友上传,本站不对文档的完整性、权威性及其观点立场正确性做任何保证或承诺!文档内容仅供研究参考,付费前请自行鉴别。
3、如文档内容存在违规,或者侵犯商业秘密、侵犯著作权等,请点击“违规举报”。

碎片内容

阀门培训课件

中小学教育精品资料+ 关注
实名认证
内容提供者

中小学教育资料,优质文档创作者

相关文档

确认删除?
VIP
微信客服
  • 扫码咨询
会员Q群
  • 会员专属群点击这里加入QQ群
客服邮箱
回到顶部