电脑桌面
添加小米粒文库到电脑桌面
安装后可以在桌面快捷访问

深加工培训课程内容VIP免费

深加工培训课程内容_第1页
1/8
深加工培训课程内容_第2页
2/8
深加工培训课程内容_第3页
3/8
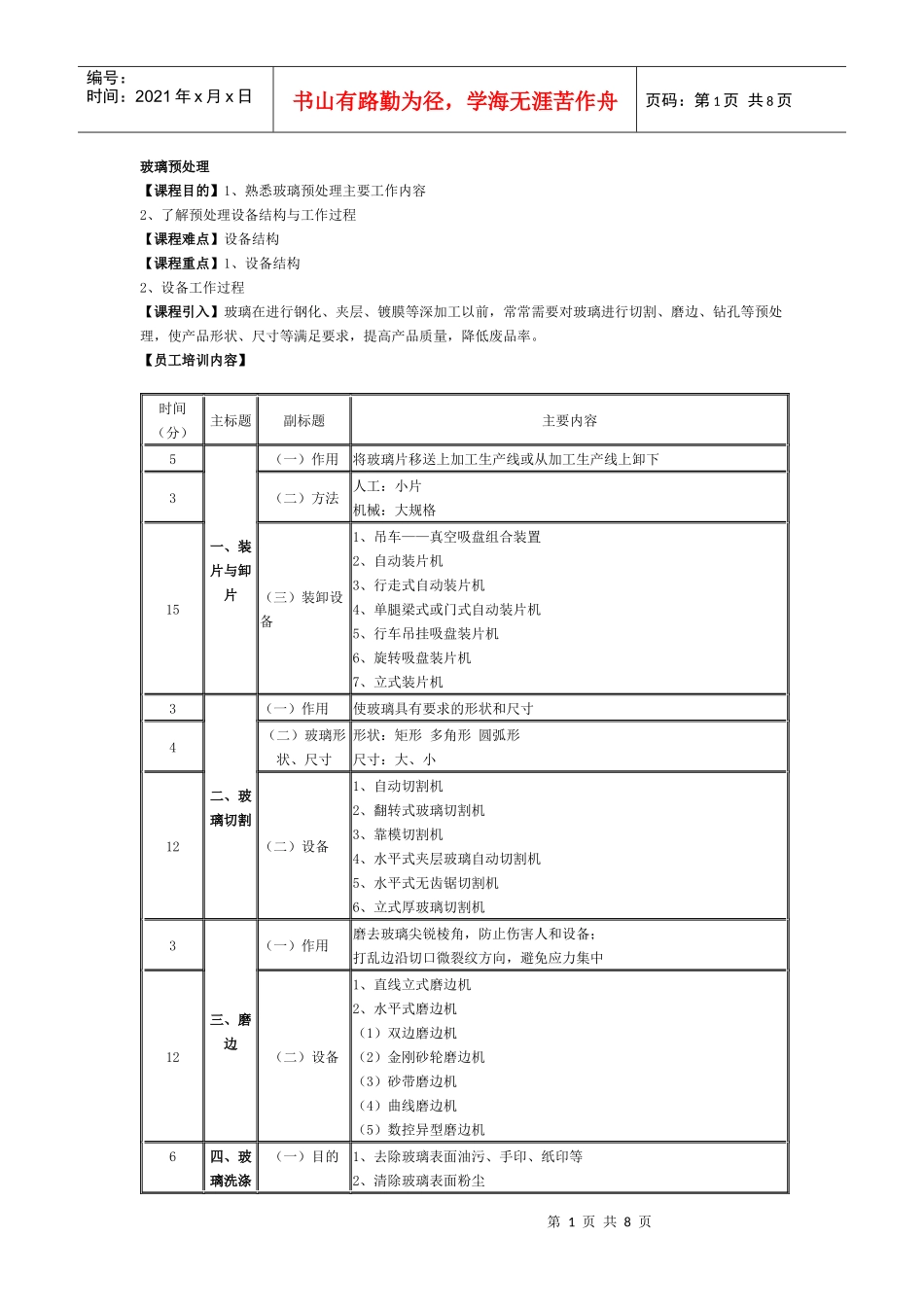
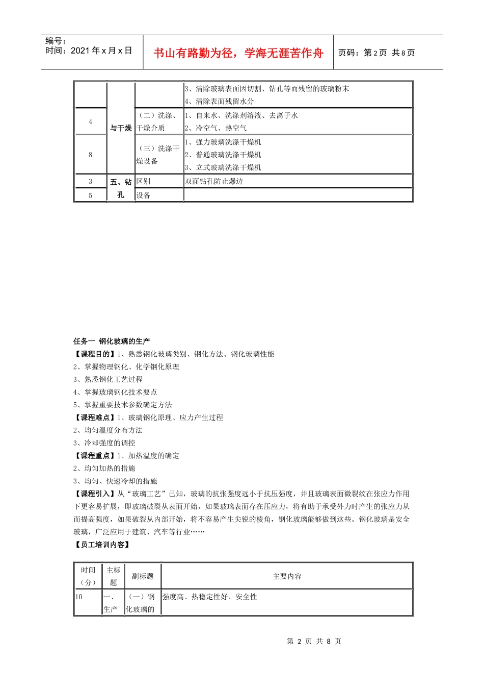
第1页共8页编号:时间:2021年x月x日书山有路勤为径,学海无涯苦作舟页码:第1页共8页玻璃预处理【课程目的】1、熟悉玻璃预处理主要工作内容2、了解预处理设备结构与工作过程【课程难点】设备结构【课程重点】1、设备结构2、设备工作过程【课程引入】玻璃在进行钢化、夹层、镀膜等深加工以前,常常需要对玻璃进行切割、磨边、钻孔等预处理,使产品形状、尺寸等满足要求,提高产品质量,降低废品率。【员工培训内容】时间(分)主标题副标题主要内容5一、装片与卸片(一)作用将玻璃片移送上加工生产线或从加工生产线上卸下3(二)方法人工:小片机械:大规格15(三)装卸设备1、吊车——真空吸盘组合装置2、自动装片机3、行走式自动装片机4、单腿梁式或门式自动装片机5、行车吊挂吸盘装片机6、旋转吸盘装片机7、立式装片机3二、玻璃切割(一)作用使玻璃具有要求的形状和尺寸4(二)玻璃形状、尺寸形状:矩形多角形圆弧形尺寸:大、小12(二)设备1、自动切割机2、翻转式玻璃切割机3、靠模切割机4、水平式夹层玻璃自动切割机5、水平式无齿锯切割机6、立式厚玻璃切割机3三、磨边(一)作用磨去玻璃尖锐棱角,防止伤害人和设备;打乱边沿切口微裂纹方向,避免应力集中12(二)设备1、直线立式磨边机2、水平式磨边机(1)双边磨边机(2)金刚砂轮磨边机(3)砂带磨边机(4)曲线磨边机(5)数控异型磨边机6四、玻璃洗涤(一)目的1、去除玻璃表面油污、手印、纸印等2、清除玻璃表面粉尘第2页共8页第1页共8页编号:时间:2021年x月x日书山有路勤为径,学海无涯苦作舟页码:第2页共8页与干燥3、清除玻璃表面因切割、钻孔等而残留的玻璃粉末4、清除表面残留水分4(二)洗涤、干燥介质1、自来水、洗涤剂溶液、去离子水2、冷空气、热空气8(三)洗涤干燥设备1、强力玻璃洗涤干燥机2、普通玻璃洗涤干燥机3、立式玻璃洗涤干燥机3五、钻孔区别双面钻孔防止爆边5设备任务一钢化玻璃的生产【课程目的】1、熟悉钢化玻璃类别、钢化方法、钢化玻璃性能2、掌握物理钢化、化学钢化原理3、熟悉钢化工艺过程4、掌握玻璃钢化技术要点5、掌握重要技术参数确定方法【课程难点】1、玻璃钢化原理、应力产生过程2、均匀温度分布方法3、冷却强度的调控【课程重点】1、加热温度的确定2、均匀加热的措施3、均匀、快速冷却的措施【课程引入】从“玻璃工艺”已知,玻璃的抗张强度远小于抗压强度,并且玻璃表面微裂纹在张应力作用下更容易扩展,即玻璃破裂从表面开始,如果玻璃表面存在压应力,将有助于承受外力时产生的张应力从而提高强度,如果破裂从内部开始,将不容易产生尖锐的棱角,钢化玻璃能够做到这些。钢化玻璃是安全玻璃,广泛应用于建筑、汽车等行业……【员工培训内容】时间(分)主标题副标题主要内容10一、生产(一)钢化玻璃的强度高、热稳定性好、安全性第3页共8页第2页共8页编号:时间:2021年x月x日书山有路勤为径,学海无涯苦作舟页码:第3页共8页方法与品种性能15(二)钢化玻璃生产方法15(三)钢化玻璃品种1、按生产方法分(1)物理钢化玻璃:全钢化区域钢化半钢化(2)化学钢化2、按制造钢化玻璃所用材料分(1)透明钢化玻璃(2)着色钢化玻璃(3)镀膜钢化玻璃(4)釉面钢化玻璃(5)热线印刷钢化玻璃3、按产品外形分(1)平钢化(2)弯钢化10二、物理钢化工艺(一)物理钢化原理Na2O-CaO-SiO2玻璃转变点(1012PaS)590-530℃,自重伸长软化点(106.6PaS)590-530℃左右。暂时应力与永久应力产生35(二)钢化生产工艺1、钢化工艺流程P1432、生产线生产能力:取决于加热炉生产能力3、玻璃加热工艺(1)要求:快速、均匀加热到要求温度不变形加热后快速出炉(2)影响因素A、加热方式:一般用电,也可以火焰辐射:玻璃对2.5UM热射线吸收程度大(低于600、高于800℃不当)对流:燃料燃烧、炉内温度不均、炉门开闭传导:玻璃表面向内部、辊道向玻璃B、加热时间:40S/mmC、加热温度:钢化温度低于软化温度5-20℃,最佳加热温度比钢化温度高90-130℃(厚度越小,温度越高),温度过高变形。D、加热功率P146E、装片形式及对玻璃温度的影响要求:玻璃受热均匀方法:每一炉装同一厚度玻璃第4页共8页...

1、当您付费下载文档后,您只拥有了使用权限,并不意味着购买了版权,文档只能用于自身使用,不得用于其他商业用途(如 [转卖]进行直接盈利或[编辑后售卖]进行间接盈利)。
2、本站所有内容均由合作方或网友上传,本站不对文档的完整性、权威性及其观点立场正确性做任何保证或承诺!文档内容仅供研究参考,付费前请自行鉴别。
3、如文档内容存在违规,或者侵犯商业秘密、侵犯著作权等,请点击“违规举报”。

碎片内容

深加工培训课程内容

确认删除?
VIP
微信客服
  • 扫码咨询
会员Q群
  • 会员专属群点击这里加入QQ群
客服邮箱
回到顶部