电脑桌面
添加小米粒文库到电脑桌面
安装后可以在桌面快捷访问

生产技术部工作手册VIP免费

生产技术部工作手册_第1页
1/25
生产技术部工作手册_第2页
2/25
生产技术部工作手册_第3页
3/25
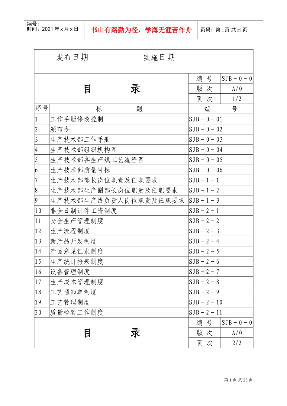
xxxxxx有限公司生产技术部文件编号:工作手册(依据IS09001:2000)第A版编制:日期:审核:日期:批准:日期:受控状态:分发号:第1页共25页编号:时间:2021年x月x日书山有路勤为径,学海无涯苦作舟页码:第1页共25页发布日期实施日期目录编号SJB-0-0版次A/0页次1/2序号标题编号1工作手册修改控制SJB-0-012颁布令SJB-0-023生产技术部工作手册SJB-0-034生产技术部组织机构图SJB-0-045生产技术部各生产线工艺流程图SJB-0-056生产技术部质量目标SJB-0-067生产技术部部长岗位职责及任职要求SJB-1-18生产技术部生产副部长岗位职责及任职要求SJB-1-29生产技术部生产线负责人岗位职责及任职要求SJB-1-310非全日制计件工资制度SJB-2-111安全生产管理制度SJB-2-212生产流程制度SJB-2-313新产品开发制度SJB-2-414产品意见征求制度SJB-2-515生产统计报表制度SJB-2-616设备管理制度SJB-2-717生产成本管理制度SJB-2-818工艺通知单制度SJB-2-919工艺管理制度SJB-2-1020质量检验工作制度SJB-2-11目录编号SJB-0-0版次A/0页次2/2第2页共25页编号:时间:2021年x月x日书山有路勤为径,学海无涯苦作舟页码:第2页共25页序号标题编号21生产日报表SJB-7.5-0122生产质量记录表SJB-7.5-0223生产日报表SJB-7.5-0324生产质量记录表SJB-7.5-0425生产设施配置申请单SJB-6.2-0126设备检修计划SJB-6.2-0227设备验收单SJB-6.2-0328生产设施一览表SJB-6.2-0429设备检修单SJB-6.2-0530设备报废单SJB-6.2-0631设计开发输入清单SJB-7.3-0132设计开发输出清单SJB-7.3-0233试产报告SJB-7.3-0334新产品鉴定报告SJB-7.3-0435设计开发信息联络单SJB-7.3-0536设计和开发评审报告SJB-7.3-0637产品设计和开发计划书SJB-7.3-0738产品设计和开发评审记录SJB-7.3-0839产品设计和开发确认记录SJB-7.3-0940产品设计和开发验证记录SJB-7.3-1041产品设计申请SJB-7.3-11工作手册修改控制编号SJB-0-01版次A/0页次1/1编号修改内容修改日期修改人修改通知单号第3页共25页编号:时间:2021年x月x日书山有路勤为径,学海无涯苦作舟页码:第3页共25页颁布令编号SJB-0-02版次A/0页次1/1公司依据ISO9001:2000《质量管理体系--要求》编制了《生产技术部工作手册》第A版,现予以批准,第4页共25页编号:时间:2021年x月x日书山有路勤为径,学海无涯苦作舟页码:第4页共25页颁布实施。本手册是公司质量管理体系的法规性文件,是指导公司建立并实施质量管理体系的纲领和行动准则,公司全体员工必须认真学习、遵照执行。总经理:年月日生产技术部工作手册编号SJB-0-03版次A/0页次1/2目的:对生产技术工作职能、职责的规定和要求,以达到各项生产技术工作的有效展开。范围:编制各项生产工艺设计、操作规程,负责生产系统设施、设备,工艺、操作等管理工作,负责各道工序、工艺流程,半成品传递的程序控制。第5页共25页编号:时间:2021年x月x日书山有路勤为径,学海无涯苦作舟页码:第5页共25页职责:1、主管生产和服务提供控制程序;2、主管产品工艺的制定和贯彻;3、负责生产过程的合理配置;4、负责生产特殊工种岗位人员的培训;5、负责生产部门安全工作;6、规范工作环境控制程序;7、配合总工制定企业产品技术标准及检验标准;8、参与不合格品控制;9、参与原料、机零配件、辅料的质量控制;10、参与公司的管理评审工作。11、负责产品工艺设计、工艺上车。严格工艺纪律,加强工艺检查,解决生产关键问题,坚持工艺更改审批制度,保证工艺指导生产。建立健全工艺档案;12、严格贯彻操作规程。负责组织对各车间操作人员的技术测查工作,做好技术培训上档工作,建立健全操作技术档案,严格进行生产现场的操作检查,对违章操作员工进行帮教和培训。生产技术部工作手册编号SJB-0-03版次A/0页次2/2第6页共25页编号:时间:2021年x月x日书山有路勤为径,学海无涯苦作舟页码:第6页共25页13、认真贯彻《工业设备管理制度》,坚持日常运转设备的完好检查,作好检查记录,及时整改设备隐患,设备完好率力争达到95%以上,避免设备事故的发生,保证生产正常运行。14、负责对生产...

1、当您付费下载文档后,您只拥有了使用权限,并不意味着购买了版权,文档只能用于自身使用,不得用于其他商业用途(如 [转卖]进行直接盈利或[编辑后售卖]进行间接盈利)。
2、本站所有内容均由合作方或网友上传,本站不对文档的完整性、权威性及其观点立场正确性做任何保证或承诺!文档内容仅供研究参考,付费前请自行鉴别。
3、如文档内容存在违规,或者侵犯商业秘密、侵犯著作权等,请点击“违规举报”。

碎片内容

生产技术部工作手册

确认删除?
VIP
微信客服
  • 扫码咨询
会员Q群
  • 会员专属群点击这里加入QQ群
客服邮箱
回到顶部