电脑桌面
添加小米粒文库到电脑桌面
安装后可以在桌面快捷访问

第五人力资源工具分析VIP免费

第五人力资源工具分析_第1页
1/126
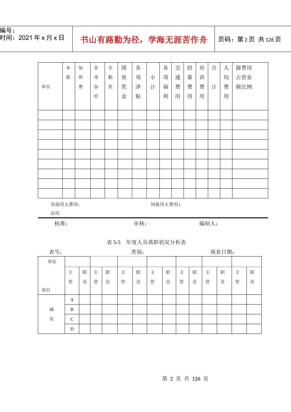
第五人力资源工具分析_第2页
2/126
第五人力资源工具分析_第3页
3/126
第0页共126页编号:时间:2021年x月x日书山有路勤为径,学海无涯苦作舟页码:第0页共126页表5-1计划内容示例要素计划类别计划依据可预计效果总方针、政策职位编制计划人员储备计划人员需求预估内部供给计划外部招聘计划教育培训计划人力资源管理政策调整计划投资预算表5-2年度部门工作计划达成情况一览表表号:类别:填表日期:部门目标主办/协办目标达成自我评价经验总结第1页共126页第0页共126页编号:时间:2021年x月x日书山有路勤为径,学海无涯苦作舟页码:第1页共126页表5-3年度人力需求与供给一览表表号:类别:填表日期:部门职位编制人数实际人数(年底)流失人数(升级、转换或离职)内部招聘人数外部招聘人数表5-4年度人力费用汇总表表号:类别:填表日期:项目薪酬人力资第2页共126页第1页共126页编号:时间:2021年x月x日书山有路勤为径,学海无涯苦作舟页码:第2页共126页单位各项福利交通费用招募费用培训费用合计人均费用源费用占营业额比例本薪加班费各项加给全勤奖绩效奖金各项津贴小计直接用人费用:间接用人费用:总结核准:审核:编制人:表5-5年度人员离职状况分析表表号:类别:填表日期:单位项目主管职员主管职员主管职员主管职员主管职员主管职员主管职员减员ABCD第3页共126页第2页共126页编号:时间:2021年x月x日书山有路勤为径,学海无涯苦作舟页码:第3页共126页除名ABCD试用不合格ABCD上学ABCD生病ABCD家庭原因ABCD待遇不合格ABCD交通不便ABCD第4页共126页第3页共126页编号:时间:2021年x月x日书山有路勤为径,学海无涯苦作舟页码:第4页共126页A工作环境不佳BCD合计核准:审核:编制人:表5-6年度新进员工统计表表号:类别:填表日期:姓名性别年龄学历专业原职业进入公司时间业绩排名能力排名备注第5页共126页第4页共126页编号:时间:2021年x月x日书山有路勤为径,学海无涯苦作舟页码:第5页共126页核准:审核:编制人:表5-7年度招聘工作总结表表号:类别:填表日期:项目检讨(1)招聘计划达成情况与原因(2)招聘工作实际成效(依据《年度新进员工统计表》中新老员工的排名情况)(3)用人部门对招聘工作的满意度(4)企业形象在招聘时的吸引力(5)人员需求与招聘时间的配合情形(6)招聘速度评估(7)招聘渠道成效(8)测评方法与测评工具评估(9)面试心得(10)新员工流失率及原因(11)该年度所面临的主要招聘问题与可能的解决方法(12)招聘改进事项核准:审核:编制人:表5-8年度培训实施总结表第6页共126页第5页共126页编号:时间:2021年x月x日书山有路勤为径,学海无涯苦作舟页码:第6页共126页表号:类别:填表日期:部门项目部门项目培训课程计划达成率(%)管理营销技术专业工勤受训人次达成率(%)管理营销技术专业工勤人均训练课时达成率(%)管理营销技术专业工勤培训费用计划达成率(%)管理营销技术专业工勤讲师授课满意度核准:审核:编制人:表5-9年度部门工作计划表第7页共126页第6页共126页编号:时间:2021年x月x日书山有路勤为径,学海无涯苦作舟页码:第7页共126页表号:类别:填表日期:上级方针部门目标阶段指标1季度2季度3季度4季度行动计划每月进度1234567891011负责人预算核准:审核:编制人:表5-10年度人员编制计划表表号:类别:填表日期:部门职位编制部门职位编制部门职位编制第8页共126页第7页共126页编号:时间:2021年x月x日书山有路勤为径,学海无涯苦作舟页码:第8页共126页人员人员人员核准:审核:编制人:第9页共126页第8页共126页编号:时间:2021年x月x日书山有路勤为径,学海无涯苦作舟页码:第9页共126页(1(2(3第10页共126页第9页共126页编号:时间:2021年x月x日书山有路勤为径,学海无涯苦作舟页码:第10页共126页表5-11年度人力资源需求与供给增减预估表表号:类别:填表日期:部门职位编制人数实际人数.(年底)预计流失人数(升级、转换或离职)预计内部招聘人数外部招聘人数第11页共126页第10页共126页编号:时间:2021年x月x日书山有路勤为径,学海无涯苦作舟页码:第11页共126页合计(人)核准:审核:编制人:表5-12年度招聘计划表表号:类别:填表日期:部门招聘职位招聘人数...

1、当您付费下载文档后,您只拥有了使用权限,并不意味着购买了版权,文档只能用于自身使用,不得用于其他商业用途(如 [转卖]进行直接盈利或[编辑后售卖]进行间接盈利)。
2、本站所有内容均由合作方或网友上传,本站不对文档的完整性、权威性及其观点立场正确性做任何保证或承诺!文档内容仅供研究参考,付费前请自行鉴别。
3、如文档内容存在违规,或者侵犯商业秘密、侵犯著作权等,请点击“违规举报”。

碎片内容

第五人力资源工具分析

精品中小学文档+ 关注
实名认证
内容提供者

精品资料,值得下载

确认删除?
VIP
微信客服
  • 扫码咨询
会员Q群
  • 会员专属群点击这里加入QQ群
客服邮箱
回到顶部