电脑桌面
添加小米粒文库到电脑桌面
安装后可以在桌面快捷访问

某发电企业运行分部任务绩效考核指标详细说明表VIP免费

某发电企业运行分部任务绩效考核指标详细说明表_第1页
1/5
某发电企业运行分部任务绩效考核指标详细说明表_第2页
2/5
某发电企业运行分部任务绩效考核指标详细说明表_第3页
3/5
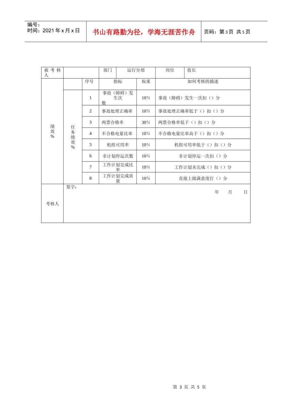
第1页共5页编号:时间:2021年x月x日书山有路勤为径,学海无涯苦作舟页码:第1页共5页某发电企业运行分部任务绩效考核指标详细说明表被考核人部门运行分部岗位主任指标权重如何考核的描述事故(障碍)发生次数10%事故(障碍)发生一次扣()分2事故处理正确率10%事故处理正确率低于()扣()分3两票合格率20%两票合格率低于()扣()分4不合格电量比率10%不合格电量比率高于()扣()分5机组可用率10%机组可用率低于()扣()分6非计划停运次数10%非计划停运一次扣()分7工作计划完成比率15%工作计划未完成()扣()分8工作计划完成质量15%直接上级满意度打()分考核人签字:2002年月日第2页共5页第1页共5页编号:时间:2021年x月x日书山有路勤为径,学海无涯苦作舟页码:第2页共5页被考核人部门运行分部岗位主任助理绩效%序号指标权重如何考核的描述任务绩效%1事故(障碍)发生次数10%事故(障碍)发生一次扣()分2事故处理正确率10%事故处理正确率低于()扣()分3两票合格率20%两票合格率低于()扣()分4不合格电量比率10%不合格电量比率高于()扣()分5机组可用率10%机组可用率低于()扣()分6非计划停运次数10%非计划停运一次扣()分7工作计划完成比率15%工作计划未完成()扣()分8工作计划完成质量15%直接上级满意度打()分考核人签字:年月日被考核人部门运行分部岗位值长绩效%序号指标权重如何考核的描述任务绩效%1事故(障碍)发生次数10%事故(障碍)发生一次扣()分2事故处理正确率10%事故处理正确率低于()扣()分3两票合格率30%两票合格率低于()扣()分4不合格电量比率10%不合格电量比率高于()扣()分5机组可用率10%机组可用率低于()扣()分6非计划停运次数10%非计划停运一次扣()分7工作计划完成比率10%工作计划未完成()扣()分8工作计划完成质量10%直接上级满意度打()分考核人签字:年月日第3页共5页第2页共5页编号:时间:2021年x月x日书山有路勤为径,学海无涯苦作舟页码:第3页共5页被考核人部门运行分部岗位值长绩效%序号指标权重如何考核的描述任务绩效%1事故(障碍)发生次数10%事故(障碍)发生一次扣()分2事故处理正确率10%事故处理正确率低于()扣()分3两票合格率30%两票合格率低于()扣()分4不合格电量比率10%不合格电量比率高于()扣()分5机组可用率10%机组可用率低于()扣()分6非计划停运次数10%非计划停运一次扣()分7工作计划完成比率10%工作计划未完成()扣()分8工作计划完成质量10%直接上级满意度打()分考核人签字:年月日第4页共5页第3页共5页编号:时间:2021年x月x日书山有路勤为径,学海无涯苦作舟页码:第4页共5页被考核人部门运行分部岗位A岗值班员绩效%序号指标权重如何考核的描述1两票合格率35%两票合格率低于()扣()分2不合格电量比率15%不合格电量比率高于()扣()分3操作正确率25%出现一次不正确操作扣()分4事故处理正确率10%事故处理正确率低于()扣()分5发现缺陷的次数15%发现一次缺陷加()分考核人签字:年月日第5页共5页第4页共5页编号:时间:2021年x月x日书山有路勤为径,学海无涯苦作舟页码:第5页共5页被考核人部门运行分部岗位B岗值班员绩效%序号指标权重如何考核的描述1两票合格率35%两票合格率低于()扣()分2不合格电量比率15%不合格电量比率高于()扣()分3操作正确率25%出现一次不正确操作扣()分4事故处理正确率10%事故处理正确率低于()扣()分5发现缺陷的次数15%发现一次缺陷加()分考核人签字:年月日被考核人部门运行分部岗位综合员绩效%序号指标权重如何考核的描述1出勤统计与考评统计的真实性与准确率35%出现一次误差扣()分2文书资料管理的规范性与及时性15%出现一次误差扣()分3文字打印准确率25%准确率低于()扣()分4后勤管理的规范性10%出现一次不规范的情形扣()分考核人签字:年月日

1、当您付费下载文档后,您只拥有了使用权限,并不意味着购买了版权,文档只能用于自身使用,不得用于其他商业用途(如 [转卖]进行直接盈利或[编辑后售卖]进行间接盈利)。
2、本站所有内容均由合作方或网友上传,本站不对文档的完整性、权威性及其观点立场正确性做任何保证或承诺!文档内容仅供研究参考,付费前请自行鉴别。
3、如文档内容存在违规,或者侵犯商业秘密、侵犯著作权等,请点击“违规举报”。

碎片内容

某发电企业运行分部任务绩效考核指标详细说明表

精品中小学文档+ 关注
实名认证
内容提供者

精品资料,值得下载

确认删除?
VIP
微信客服
  • 扫码咨询
会员Q群
  • 会员专属群点击这里加入QQ群
客服邮箱
回到顶部