电脑桌面
添加小米粒文库到电脑桌面
安装后可以在桌面快捷访问

某公司采购绩效评估管理表件VIP免费

某公司采购绩效评估管理表件_第1页
1/10
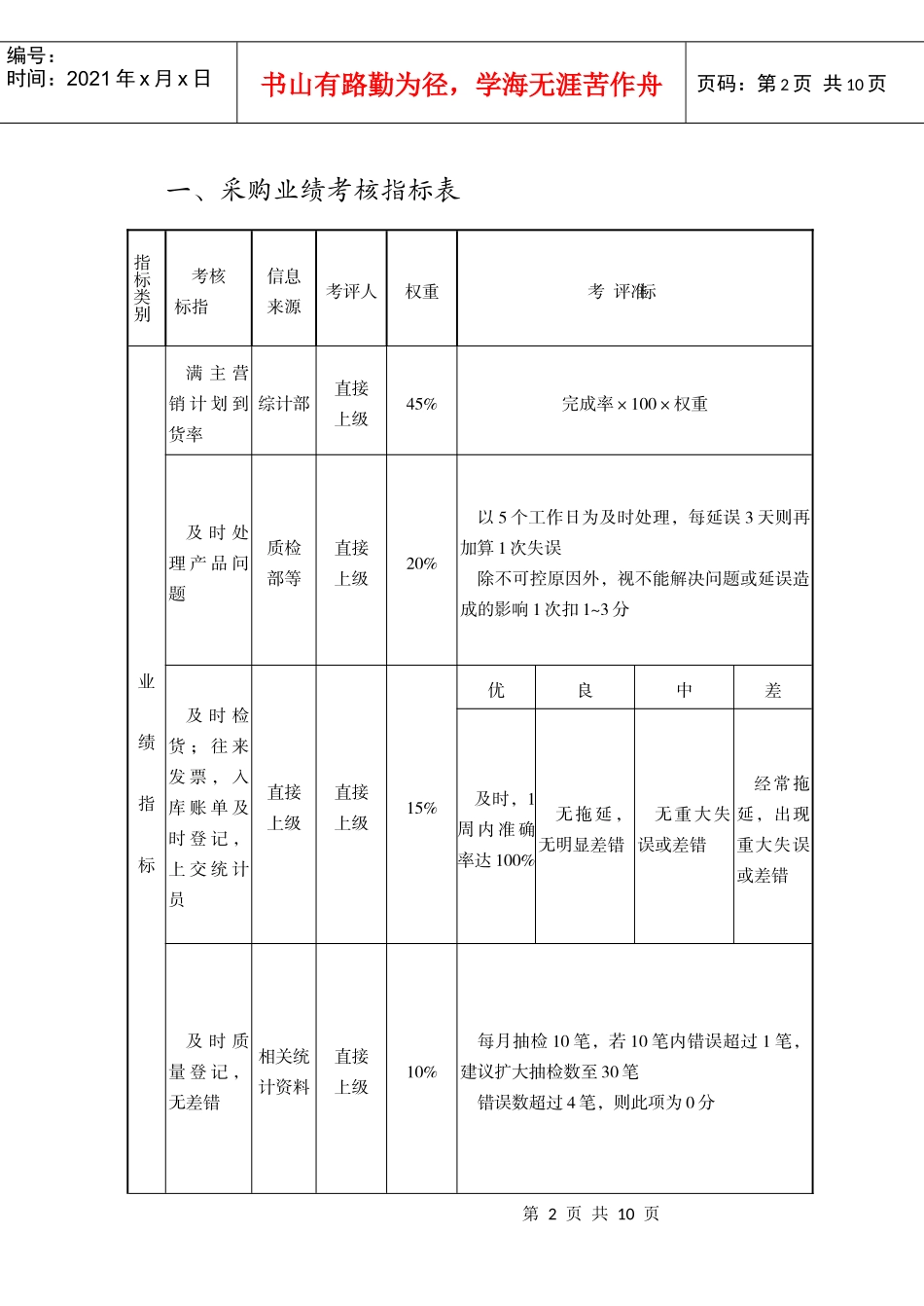
某公司采购绩效评估管理表件_第2页
2/10
某公司采购绩效评估管理表件_第3页
3/10
采购绩效评估管理表格第2页共10页编号:时间:2021年x月x日书山有路勤为径,学海无涯苦作舟页码:第2页共10页一、采购业绩考核指标表指标类别考核指标信息来源考评人权重考评标准业绩指标满主营销计划到货率综计部直接上级45%完成率×100×权重及时处理产品问题质检部等直接上级20%以5个工作日为及时处理,每延误3天则再加算1次失误除不可控原因外,视不能解决问题或延误造成的影响1次扣1~3分及时检货;往来发票,入库账单及时登记,上交统计员直接上级直接上级15%优良中差及时,1周内准确率达100%无拖延,无明显差错无重大失误或差错经常拖延,出现重大失误或差错及时质量登记,无差错相关统计资料直接上级10%每月抽检10笔,若10笔内错误超过1笔,建议扩大抽检数至30笔错误数超过4笔,则此项为0分第3页共10页第2页共10页编号:时间:2021年x月x日书山有路勤为径,学海无涯苦作舟页码:第3页共10页续表指标类别考核指标信息来源考评人权重考评标准业绩指标成本控制财务部直接上级10%优良中差成本比同期下降明显(30%)资金利用率为108%(40%)成本审核高效(30%)成本比同期有所下降资金利用率合理(105%)成本审核负责成本比同期略有下降资金利用率正常(102%)按规定进行成本审核成本比同期没有下降资金利用率不理想(低于102%)未按规定成本审核二、采购稽核重点与依据表稽核项目稽核内容稽核依据预算管理1.采购预算是否与销售计划、生产计划、库存状况等相配合2.采购预算的编制是否考虑存货定量及定价管制3.采购预算是否得到全面执行,若与实际采购费用存在差异,是否对采购预算进行修正请购单、销售计划、生产计划请购作业1.请购是否与预算相符,并按照权限核准请购单、安全存量控制表第4页共10页第3页共10页编号:时间:2021年x月x日书山有路勤为径,学海无涯苦作舟页码:第4页共10页请购作业2.请购单(数量、规格等)变更是否按照相关程序进行3.紧急采购原因分析请购单、安全存量控制表比价作业1.询价管理2.招标管理3.采购合同管理询价单、采购合同订购作业1.合同的规范性、合法性2.采购合同的执行情况3.订单发出后有无跟踪控制4.因某种原因当供应商没有按约定的日期将采购物资送达时,采购部是否采取了相应的措施以保证企业正常生产请购单、采购合同稽核项目稽核内容稽核依据验收作业1.采购物资送达时,采购部是否会同(采购物资)使用部门、质量管理部及其他相关部门共同对采购物资进行验收2.相关技术部门是否派有专业的技术人员对采购物资进行验收3.采购物资不符合标准时,是否采取了相应的有效措施4.检验人员是否依据相关单据对采购物资的品名、数量、单价等逐一点检,并做相应记录入库验收单、送货发票第5页共10页第4页共10页编号:时间:2021年x月x日书山有路勤为径,学海无涯苦作舟页码:第5页共10页三、采购目标管理表目标(项目及数值)重要性(%)工作计划时间工作进度(%)月月月月降低采购成本5%~10%351.检查同类物料购买数2.协商付款条件计划实绩提高交货日期准确率至95%251.加强厂商辅导2.严格厂商评鉴与奖惩3.把握采购前置期计划实绩每月开发新供应商5家201.了解专业期刊资讯2.针对供应商较集中的物料开发新厂商计划实绩加速呆滞料处理,控制在库存总额5%以内151.每月召开呆料处理会议2.审核订购单3.定期追踪生产变更状况计划实绩提高办事效率,简化工作流程51.检讨电话订货的可行性2.扩大小量采购3.借助计算机处理计划实绩主管填卡人第6页共10页第5页共10页编号:时间:2021年x月x日书山有路勤为径,学海无涯苦作舟页码:第6页共10页四、采购人员绩效考核表(1)姓名部门岗位直接领导考核期间年月日至年月日考核得分汇总考核内容权重被考核得分考核得分工作能力10%工作态度30%工作业绩60%考核评估考核内容考核项目评价要点评分工作能力语言表达能力能清晰地表达所要传递的信息沟通能力掌握一定的沟通技巧工作态度勤务态度严格遵守公司规章制度,积极协助上级领导的工作,热爱本职工作工作责任心工作一丝不苟,且勇于承担责任工作业绩采购及时率保证企业生产经营的顺利进行采购计划完成率采购任务完成情况采购物资质量合格率采购物资质量情况续表第7页共1...

1、当您付费下载文档后,您只拥有了使用权限,并不意味着购买了版权,文档只能用于自身使用,不得用于其他商业用途(如 [转卖]进行直接盈利或[编辑后售卖]进行间接盈利)。
2、本站所有内容均由合作方或网友上传,本站不对文档的完整性、权威性及其观点立场正确性做任何保证或承诺!文档内容仅供研究参考,付费前请自行鉴别。
3、如文档内容存在违规,或者侵犯商业秘密、侵犯著作权等,请点击“违规举报”。

碎片内容

某公司采购绩效评估管理表件

精品中小学文档+ 关注
实名认证
内容提供者

精品资料,值得下载

确认删除?
VIP
微信客服
  • 扫码咨询
会员Q群
  • 会员专属群点击这里加入QQ群
客服邮箱
回到顶部