电脑桌面
添加小米粒文库到电脑桌面
安装后可以在桌面快捷访问

某发电企业检修部任务绩效考核指标详表VIP专享VIP免费

某发电企业检修部任务绩效考核指标详表_第1页
1/7
某发电企业检修部任务绩效考核指标详表_第2页
2/7
某发电企业检修部任务绩效考核指标详表_第3页
3/7
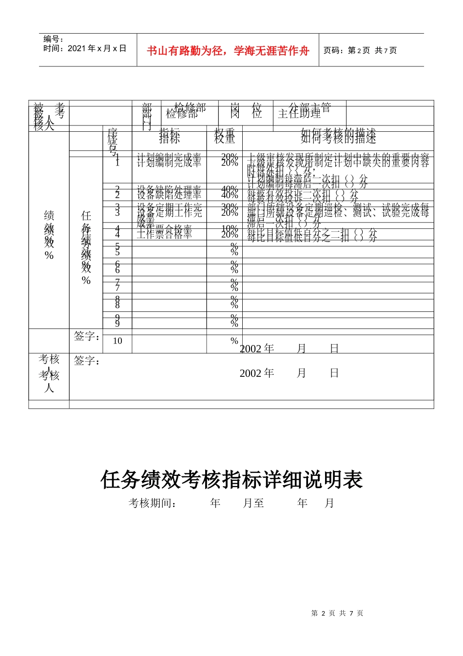
第1页共7页编号:时间:2021年x月x日书山有路勤为径,学海无涯苦作舟页码:第1页共7页某发电企业检修部任务绩效考核指标详表考核期间:年月至年月任务绩效考核指标详细说明表考核期间:年月至年月被考核人部门检修部岗位主任绩效%序号指标权重如何考核的描述任务绩效%1计划编制完成率20%上级审核发现所制定计划中缺失的重要内容时每处扣()分,计划编制每滞后一次扣()分2设备缺陷处理率40%每被有效投诉一次扣()分3设备定期工作完成率30%部门所辖设备定期巡检、测试、试验完成每滞后一次扣()分4工作票合格率10%每比目标值低百分之一扣()分5%6%7%8%9%10%考核人签字:2002年月日第2页共7页第1页共7页编号:时间:2021年x月x日书山有路勤为径,学海无涯苦作舟页码:第2页共7页任务绩效考核指标详细说明表考核期间:年月至年月被考核人部门检修部岗位主任助理绩效%序号指标权重如何考核的描述任务绩效%1计划编制完成率20%上级审核发现所制定计划中缺失的重要内容时每处扣()分,计划编制每滞后一次扣()分2设备缺陷处理率40%每被有效投诉一次扣()分3设备定期工作完成率20%部门所辖设备定期巡检、测试、试验完成每滞后一次扣()分4工作票合格率20%每比目标值低百分之一扣()分5%6%7%8%9%10%考核人签字:2002年月日被考核人部门检修部岗位分部主管绩效%序号指标权重如何考核的描述任务绩效%1计划编制完成率20%上级审核发现所制定计划中缺失的重要内容时每处扣()分,计划编制每滞后一次扣()分2设备缺陷处理率40%每被有效投诉一次扣()分3设备定期工作完成率30%部门所辖设备定期巡检、测试、试验完成每滞后一次扣()分4工作票合格率10%每比目标值低百分之一扣()分5%6%7%8%9%考核人签字:2002年月日第3页共7页第2页共7页编号:时间:2021年x月x日书山有路勤为径,学海无涯苦作舟页码:第3页共7页任务绩效考核指标详细说明表考核期间:年月至年月任务绩效考核指标详细说明表被考核人部门检修部岗位分部副主管绩效%序号指标权重如何考核的描述任务绩效%1计划编制完成率20%上级审核发现所制定计划中缺失的重要内容时每处扣()分,计划编制每滞后一次扣()分2设备缺陷处理率40%每被有效投诉一次扣()分3设备定期工作完成率20%部门所辖设备定期巡检、测试、试验完成每滞后一次扣()分4工作票合格率20%每比目标值低百分之一扣()分5%6%7%8%9%10%考核人签字:2002年月日第4页共7页第3页共7页编号:时间:2021年x月x日书山有路勤为径,学海无涯苦作舟页码:第4页共7页考核期间:年月至年月任务绩效考核指标详细说明表被考核人部门检修部岗位专责A绩效%序号指标权重如何考核的描述任务绩效%1计划编制完成率20%上级审核发现所制定计划中缺失的重要内容时每处扣()分,计划编制每滞后一次扣()分2设备缺陷处理率40%每被有效投诉一次扣()分3设备定期工作完成率30%部门所辖设备定期巡检、测试、试验完成每滞后一次扣()分4工作票合格率10%每比目标值低百分之一扣()分5%6%7%8%9%考核人签字:2002年月日被考核人部门检修部岗位专责B岗绩效%序号指标权重如何考核的描述任务绩效%1计划编制完成率10%上级审核发现所制定计划中缺失的重要内容时每处扣()分,计划编制每滞后一次扣()分2设备缺陷处理率35%每被有效投诉一次扣()分3设备定期工作完成率35%部门所辖设备定期巡检、测试、试验完成每滞后一次扣()分4工作票合格率20%每比目标值低百分之一扣()分5%6%7%8%9%10%考核人签字:2002年月日第5页共7页第4页共7页编号:时间:2021年x月x日书山有路勤为径,学海无涯苦作舟页码:第5页共7页任务绩效考核指标详细说明表考核期间:年月至年月被考核人部门检修部岗位专责C岗绩效%序号指标权重如何考核的描述任务绩效%1设备缺陷处理率40%每被有效投诉一次扣()分2设备定期工作完成率60%部门所辖设备定期巡检、测试、试验完成每滞后一次扣()分34%5%6%7%8%9%10%考核人签字:2002年月日第6页共7页第5页共7页编号:时间:2021年x月x日书山有路勤为径,学海无涯苦作舟页码:第6页共7页任务绩效考核指标详细说明表考核期间:年月至年月被考核人部门检修部岗位水情专责绩效%序号...

1、当您付费下载文档后,您只拥有了使用权限,并不意味着购买了版权,文档只能用于自身使用,不得用于其他商业用途(如 [转卖]进行直接盈利或[编辑后售卖]进行间接盈利)。
2、本站所有内容均由合作方或网友上传,本站不对文档的完整性、权威性及其观点立场正确性做任何保证或承诺!文档内容仅供研究参考,付费前请自行鉴别。
3、如文档内容存在违规,或者侵犯商业秘密、侵犯著作权等,请点击“违规举报”。

碎片内容

某发电企业检修部任务绩效考核指标详表

确认删除?
VIP
微信客服
  • 扫码咨询
会员Q群
  • 会员专属群点击这里加入QQ群
客服邮箱
回到顶部