电脑桌面
添加小米粒文库到电脑桌面
安装后可以在桌面快捷访问

某中型制造业行政主管岗位说明书VIP免费

某中型制造业行政主管岗位说明书_第1页
1/3
某中型制造业行政主管岗位说明书_第2页
2/3
某中型制造业行政主管岗位说明书_第3页
3/3
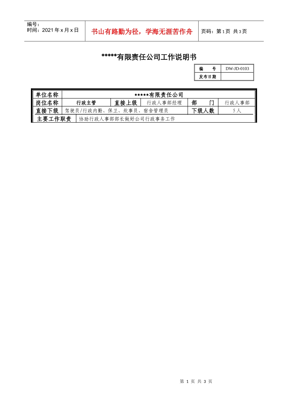
第1页共3页编号:时间:2021年x月x日书山有路勤为径,学海无涯苦作舟页码:第1页共3页*****有限责任公司工作说明书编号DW-JD-0103发布日期单位名称*****有限责任公司岗位名称行政主管直接上级行政人事部经理部门行政人事部直接下级驾驶员/行政内勤、保卫、炊事员、宿舍管理员下级人数5人主要工作职责协助行政人事部部长做好公司行政事务工作第2页共3页第1页共3页编号:时间:2021年x月x日书山有路勤为径,学海无涯苦作舟页码:第2页共3页工作内容1制度的执行1.1贯彻执行公司的各项规章制度,严守公司秘密,维护公司利益;1.2严格执行本部门管理制度及业务流程。2公司规章制度及发展规划的制定2.1负责协助行政人事部经理编制公司中长期规划及年度滚动计划;2.2负责定期对规划、年度计划的分解指标实施情况进行汇总,定期编制分析报告,依据实际情况对规划和计划的适度调整提出意见;2.3负责依据公司管理需要进行公司规章制度的草拟,并呈报上级审批;2.4负责检查、考核现行规章制度的实施情况,并依据实际对现行制度进行修订、完善;3计划管理工作3.1负责协助行政人事部经理编制和分解公司年度经营计划;3.2负责统计和汇总公司及各部门年度经营计划的完成情况,并定期编制考核通报。4行政管理工作4.1负责协助行政人事部经理组织和筹备公司大型、综合性会议,并按公司要求草拟会议纪要文件;4.2负责按公司制度对员工的合理化建议进行管理;4.3负责组织做好公司员工团队建设和企业文化建设,对内对外宣传工作;4.4负责组织公司的安全保卫工作;4.5负责检查、监督下属对公司员工宿舍的管理;4.6负责检查、监督下属对公司员工食堂的管理;5公司资产管理5.1将提出的办公用品和设施采购申请、办公用品配置申请上报行政人事部经理;5.2指导下属管理公司办公用品,并于每月末进行办公用品盘存,编制《办公用品盘存表》;5.3负责管理公司的行政档案资料及证照;5.4指导下属对公司的办公用品及固定资产进行维护。6参谋文书工作及法律事务6.1拟办往来文件、审核公司上报文件;6.2起草、印制、传递和催办总经理或部门经理授权的重要公文、文件、信函;6.3处理公司相关法律事务,负责与律师联络。7日常行政事务7.1检查和维护日常办公秩序,组织做好各部门的沟通、协调工作;7.2负责检查、监督公司公共环境、卫生的管理;7.3负责调度公司公务用车;第3页共3页第2页共3页编号:时间:2021年x月x日书山有路勤为径,学海无涯苦作舟页码:第3页共3页7.4负责各种行政事务公文的先期处理、批转,并在经理外出时受经理委托处理部门行政管理方面的各项事务。7.5负责公司经营资质的管理;7.6负责办理工商、技监等注册、年检手续并负责相关证照的管理和使用,对公司经营相关变更及时向工商等行政管理机关进行登记备案;8行政档案的管理8.1负责按公司档案管理的相关规定妥善保管公司各类行政档案;8.2负责公司行政档案的借阅登记工作。9下级管理9.1明确下属的岗位责任和业绩目标,并实行督导工作;9.2按照绩效考核制度考核下属员工,并将考核结果交人力资源主管。10积极参加专业培训,不断提高业务水平和专业技能11完成领导交办的其他工作。权限1、车辆调度权;2、对直接下级的工作分配、检查监督和奖惩建议权;3、其他临时授权;4、工作建议权。责任1、对公司行政体系的建立健全及正常运转负责;2、对工作任务完成的及时性、准确性负责;3、对公司行政管理信息的保密性负责;4、对车辆的安全、正常使用负责。任职资格性别不限年龄23—45岁资格证学历专科及以上专业行政管理或相关专业经验具有两年及以上相关工作经验知识熟悉:行政管理、文秘、公共关系及相关政策了解:制造行业基本知识、企业管理、相关法律法规、财务知识技能较强的沟通协调能力、组织能力和公关能力;很强的文字能力;较强的计算机操作技能和办公软件应用能力。职业道德诚信、廉洁、敬业、责任感强、严守公司秘密。

1、当您付费下载文档后,您只拥有了使用权限,并不意味着购买了版权,文档只能用于自身使用,不得用于其他商业用途(如 [转卖]进行直接盈利或[编辑后售卖]进行间接盈利)。
2、本站所有内容均由合作方或网友上传,本站不对文档的完整性、权威性及其观点立场正确性做任何保证或承诺!文档内容仅供研究参考,付费前请自行鉴别。
3、如文档内容存在违规,或者侵犯商业秘密、侵犯著作权等,请点击“违规举报”。

碎片内容

某中型制造业行政主管岗位说明书

您可能关注的文档

确认删除?
VIP
微信客服
  • 扫码咨询
会员Q群
  • 会员专属群点击这里加入QQ群
客服邮箱
回到顶部