电脑桌面
添加小米粒文库到电脑桌面
安装后可以在桌面快捷访问

汽车制造业涂装废水处理VIP免费

汽车制造业涂装废水处理_第1页
1/6
汽车制造业涂装废水处理_第2页
2/6
汽车制造业涂装废水处理_第3页
3/6
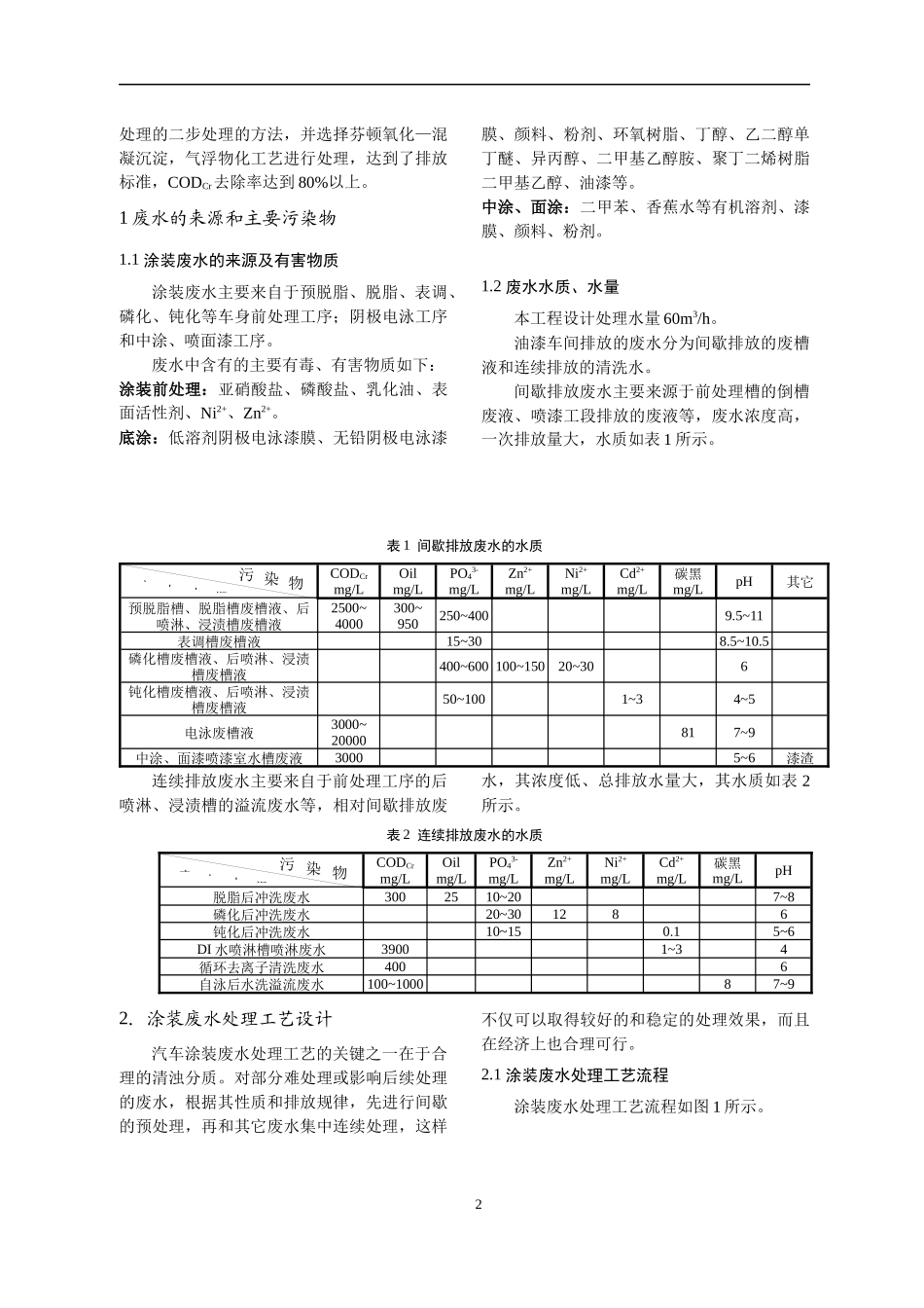
典型汽车涂装废水处理工艺蔡莹,高亮(上海市机电设计研究院,上海市北京西路1287号,邮编200040)ShanghaiInstituteofMechanical&ElectricalEngineering摘要:本文针对汽车涂装废水中含有树脂、表面活性剂、重金属离子,Oil、颜料等污染物,特别是其中的电泳废水、喷漆废水成份复杂,浓度高,可生化性差的实际情况,采用分质处理、混凝沉淀、混凝气浮、砂滤等工艺对涂装废水进行处理,取得了良好效果:CODCr去除率大于80%。实际运行表明,该工艺在技术和经济上均是合理可行的。TreatmenttechnicsofrepresentativecoatingwastewaterofautomobilemanufacturingAbstract:Inthisarticle,inallusiontothecontaminationofcoatingwastewaterofautomobilemanufacturingwhichcontainsresin,surfaceactiveagent,heavymetalion,oil,paint,dyestuffetc,especiallytheELPOwastewaterandpaintingwastewaterwhichiscomplex,andhashighconcentration.weuseseparatedpre-treatment,coagulatingsedimentation,airflotationandsandfiltrationtotreatcoatingwastewaterandobtainsgoodresults:theremovalrateofCODCrcouldbehigherthan80%.Theoperateofthesetprovedthatunderthiscondition,itwouldbepracticablebothintechnologyandeconomy.关键词:涂装废水;分质处理;混凝沉淀;混凝气浮;砂滤Fenton试剂Keywords:coatingwastewater;separatedpre-treatment;coagulatingsedimentation;airflotation;sandfiltration;Fentonreagent中图分类号:X703.1文献标识码:C文章编号:汽车及其零部件的涂装是汽车制造过程中产生废水排放最多的环节之一。涂装废水含有树脂、表面活性剂、重金属离子Oil、PO43-、油漆、颜料、有机溶剂等污染物,CODCr值高,若不妥善处理,会对环境产生严重污染。对此类废水,传统的方法是直接对混合废水进行混凝处理,治理效果不理想,出水水质不稳定,较难达到排放标准。特别是其中的喷漆废水,含大量溶于水的有机溶剂,直接采用混凝法处理效果很差。我们在上海某汽车厂经过实地勘查、大量分析调研和小试,针对涂装废水的特点,采用分质预处理再进行后续1污染物污染物处理的二步处理的方法,并选择芬顿氧化—混凝沉淀,气浮物化工艺进行处理,达到了排放标准,CODCr去除率达到80%以上。1废水的来源和主要污染物1.1涂装废水的来源及有害物质涂装废水主要来自于预脱脂、脱脂、表调、磷化、钝化等车身前处理工序;阴极电泳工序和中涂、喷面漆工序。废水中含有的主要有毒、有害物质如下:涂装前处理:亚硝酸盐、磷酸盐、乳化油、表面活性剂、Ni2+、Zn2+。底涂:低溶剂阴极电泳漆膜、无铅阴极电泳漆膜、颜料、粉剂、环氧树脂、丁醇、乙二醇单丁醚、异丙醇、二甲基乙醇胺、聚丁二烯树脂二甲基乙醇、油漆等。中涂、面涂:二甲苯、香蕉水等有机溶剂、漆膜、颜料、粉剂。1.2废水水质、水量本工程设计处理水量60m3/h。油漆车间排放的废水分为间歇排放的废槽液和连续排放的清洗水。间歇排放废水主要来源于前处理槽的倒槽废液、喷漆工段排放的废液等,废水浓度高,一次排放量大,水质如表1所示。表1间歇排放废水的水质CODCrmg/LOilmg/LPO43-mg/LZn2+mg/LNi2+mg/LCd2+mg/L碳黑mg/LpH其它预脱脂槽、脱脂槽废槽液、后喷淋、浸渍槽废槽液2500~4000300~950250~4009.5~11表调槽废槽液15~308.5~10.5磷化槽废槽液、后喷淋、浸渍槽废槽液400~600100~15020~306钝化槽废槽液、后喷淋、浸渍槽废槽液50~1001~34~5电泳废槽液3000~20000817~9中涂、面漆喷漆室水槽废液30005~6漆渣连续排放废水主要来自于前处理工序的后喷淋、浸渍槽的溢流废水等,相对间歇排放废水,其浓度低、总排放水量大,其水质如表2所示。表2连续排放废水的水质CODCrmg/LOilmg/LPO43-mg/LZn2+mg/LNi2+mg/LCd2+mg/L碳黑mg/LpH脱脂后冲洗废水3002510~207~8磷化后冲洗废水20~301286钝化后冲洗废水10~150.15~6DI水喷淋槽喷淋废水39001~34循环去离子清洗废水4006自泳后水洗溢流废水100~100087~92.涂装废水处理工艺设计汽车涂装废水处理工艺的关键之一在于合理的清浊分质。对部分难处理或影响后续处理的废水,根据其性质和排放规律,先进...

1、当您付费下载文档后,您只拥有了使用权限,并不意味着购买了版权,文档只能用于自身使用,不得用于其他商业用途(如 [转卖]进行直接盈利或[编辑后售卖]进行间接盈利)。
2、本站所有内容均由合作方或网友上传,本站不对文档的完整性、权威性及其观点立场正确性做任何保证或承诺!文档内容仅供研究参考,付费前请自行鉴别。
3、如文档内容存在违规,或者侵犯商业秘密、侵犯著作权等,请点击“违规举报”。

碎片内容

汽车制造业涂装废水处理

精品中小学文档+ 关注
实名认证
内容提供者

精品资料,值得下载

确认删除?
VIP
微信客服
  • 扫码咨询
会员Q群
  • 会员专属群点击这里加入QQ群
客服邮箱
回到顶部