电脑桌面
添加小米粒文库到电脑桌面
安装后可以在桌面快捷访问

电工、电焊工职务说明VIP免费

电工、电焊工职务说明_第1页
1/4
电工、电焊工职务说明_第2页
2/4
电工、电焊工职务说明_第3页
3/4
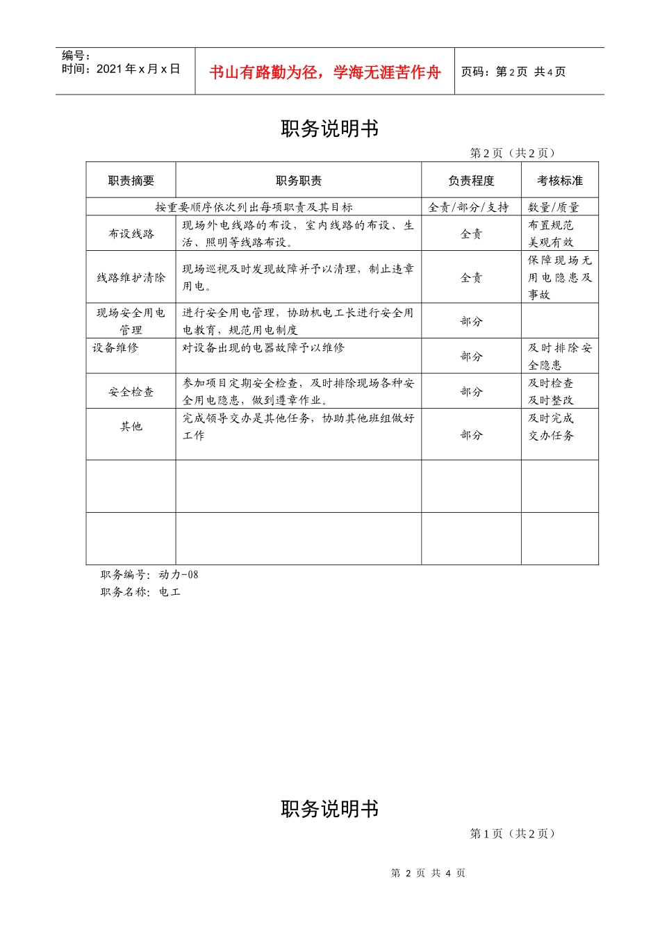
第1页共4页编号:时间:2021年x月x日书山有路勤为径,学海无涯苦作舟页码:第1页共4页职务说明书第1页(共2页)单位:中建三局工程总承包公司职务名称:电工编制日期:年月部门:动力部直接主管:机电工长任职人:任职条件学历或职称:初中(含)以上或初级(含)以上职称经验:三年(含)以上相关工作经验专业知识:外电架设、室内电路架设、电器维修知识业务了解范围:电工知识、简单机械知识培训及持证:持专业上岗证书岗位要求的能力:有较强的专业知识及操作能力,一定的沟通能力,组织协调能力,一定的应变能力,能够发现故障并及时排除。职务目的:根据项目施工生产需要进行外电架设,室内配电线路铺设,进行现场安全用电管理,妥善处理工作中的问题,及时排除故障,保证电器的及时排除故障,保证电器的及时安装及维修。沟通关系:内部外部单位规模:下属人员下属人员类别产值:人数:副经理:利润:直接:专业人员:职工总数:间接:其他:职务编号:动力-08职务名称:电工项目部电工组动力组其他班组甲方基建供电单位甲方现场电工第2页共4页第1页共4页编号:时间:2021年x月x日书山有路勤为径,学海无涯苦作舟页码:第2页共4页职务说明书第2页(共2页)职责摘要职务职责负责程度考核标准按重要顺序依次列出每项职责及其目标全责/部分/支持数量/质量布设线路现场外电线路的布设,室内线路的布设、生活、照明等线路布设。全责布置规范美观有效线路维护清除现场巡视及时发现故障并予以清理,制止违章用电。全责保障现场无用电隐患及事故现场安全用电管理进行安全用电管理,协助机电工长进行安全用电教育,规范用电制度部分设备维修对设备出现的电器故障予以维修部分及时排除安全隐患安全检查参加项目定期安全检查,及时排除现场各种安全用电隐患,做到遵章作业。部分及时检查及时整改其他完成领导交办是其他任务,协助其他班组做好工作部分及时完成交办任务职务编号:动力-08职务名称:电工职务说明书第1页(共2页)第3页共4页第2页共4页编号:时间:2021年x月x日书山有路勤为径,学海无涯苦作舟页码:第3页共4页单位:中建三局工程总承包公司职务名称:电焊工编制日期:年月部门:动力部直接主管:机电工长任职人:任职条件学历或职称:初中(含)以上或初级(含)以上职称经验:三年(含)以上相关工作经验专业知识:电焊技术、气焊、气割技术业务了解范围:各类焊接知识,简单机械维修知识,简单机械工作原理培训及持证:持专业上岗证书岗位要求的能力:能够完成各项电、气焊、气割作业,进行简单的机械设备维修,一定的阅图加工能力。职务目的:保证项目生产中的各项焊割作业,进行简单的设备加工及维修制作简单工具,加工样品沟通关系:内部外部单位规模:下属人员下属人员类别产值:人数:副经理:利润:直接:专业人员:职工总数:间接:其他:职务编号:动力-09职务名称:电焊工项目部电工组动力组其他班组甲方基建第4页共4页第3页共4页编号:时间:2021年x月x日书山有路勤为径,学海无涯苦作舟页码:第4页共4页职务说明书第2页(共2页)职责摘要职务职责负责程度考核标准按重要顺序依次列出每项职责及其目标全责/部分/支持数量/质量韩割作业现场所有焊、割作业,钢筋制品的加工、制作全责保证加工质量样品作业根据图纸制作成品,简单施工工具的制作全责及时、准确完成任务设备维修进行简单的维修作业,对一些机械故障予以排除部分及时处理焊机小故障水管铺设、维修现场所有管道的铺设、改造、维修部分及时、能满足生产需要安全协助焊接工作的安全,及时处理焊接、氧割残余物,预防触电及火灾事故。部分不违章作业其他完成领导交办是其他任务,协助其他班组做好工作部分能及时完成交办任务职务编号:动力-08职务名称:电焊工

1、当您付费下载文档后,您只拥有了使用权限,并不意味着购买了版权,文档只能用于自身使用,不得用于其他商业用途(如 [转卖]进行直接盈利或[编辑后售卖]进行间接盈利)。
2、本站所有内容均由合作方或网友上传,本站不对文档的完整性、权威性及其观点立场正确性做任何保证或承诺!文档内容仅供研究参考,付费前请自行鉴别。
3、如文档内容存在违规,或者侵犯商业秘密、侵犯著作权等,请点击“违规举报”。

碎片内容

电工、电焊工职务说明

确认删除?
VIP
微信客服
  • 扫码咨询
会员Q群
  • 会员专属群点击这里加入QQ群
客服邮箱
回到顶部