电脑桌面
添加小米粒文库到电脑桌面
安装后可以在桌面快捷访问

由市公路路政管理分局负责实施的行政许可事项VIP专享VIP免费

由市公路路政管理分局负责实施的行政许可事项_第1页
1/17
由市公路路政管理分局负责实施的行政许可事项_第2页
2/17
由市公路路政管理分局负责实施的行政许可事项_第3页
3/17
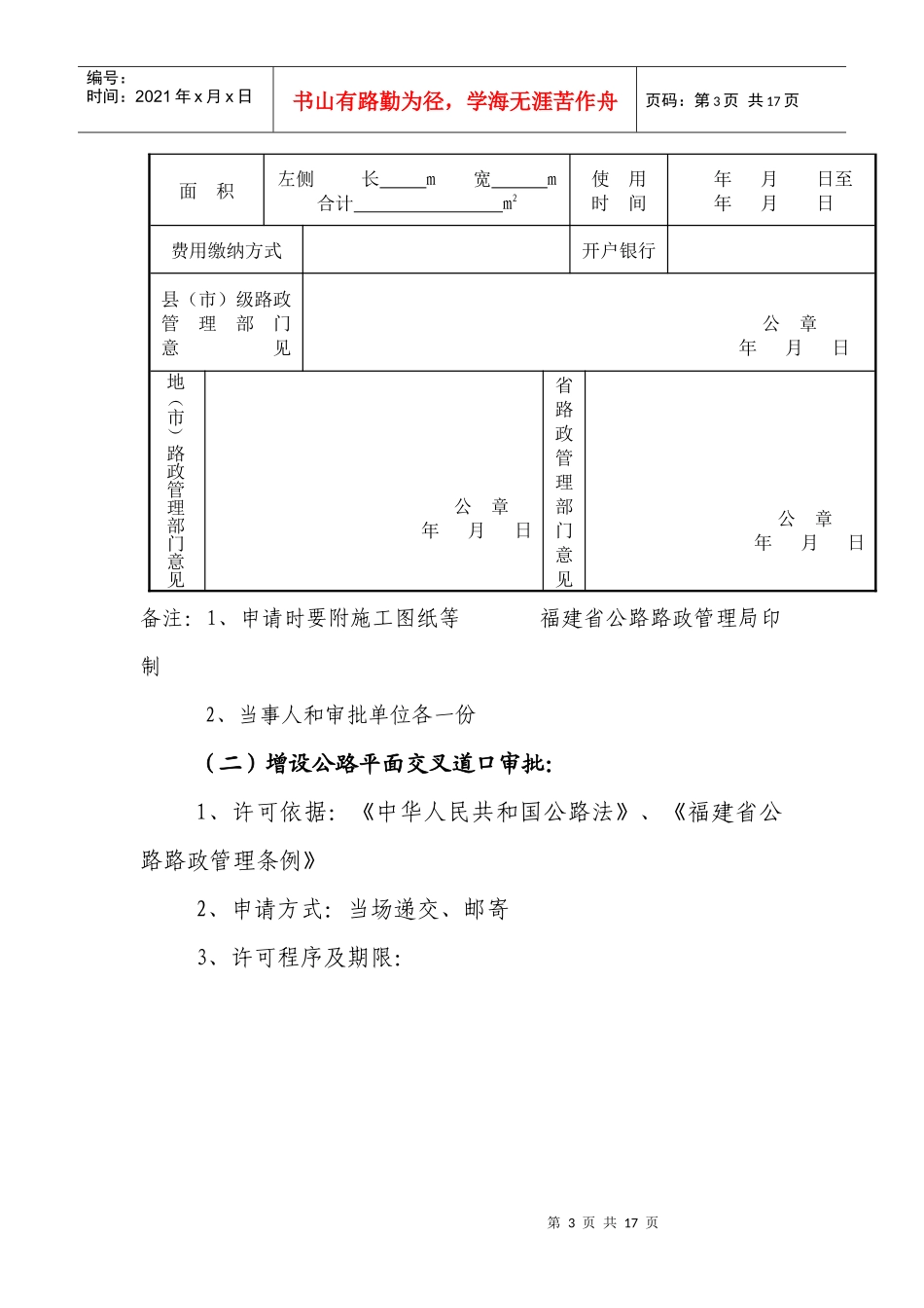
第1页共17页编号:时间:2021年x月x日书山有路勤为径,学海无涯苦作舟页码:第1页共17页由市公路路政管理分局负责实施的行政许可事项(一)新建、改建、扩建非公路建设工程占用、挖掘公路公路用地或者使用公路改线的审批:1、许可依据:《中华人民共和国公路法》、《福建省公路路政管理条例》2、申请方式:当场递交、邮寄3、许可程序及期限:申请人提出申请现场勘察不需上报审批的,由本部门直接审批,3个工作日内完成。上级复核勘查后做出审批决定,2个工作日内完成。申请人缴费,2个工作日内完成。发给施工许可证,当天完成。施工结束后,申请人向路政部门申请验收。需上报审批的,本部门签署意见后转报上级,3个工作日内完成。路政部门3个工作日内完成验收。合格的,退还保证金,不合格的,给予相应扣罚保证金。第2页共17页第1页共17页编号:时间:2021年x月x日书山有路勤为径,学海无涯苦作舟页码:第2页共17页4、申请许可需提供的材料:(1)申请报告(写明事由及拟施工进度安排,保障交通畅通及安全措施);(2)填写特殊使用公路申请表并加盖公章(一式叁份);(3)建设批文(复印件一份);(4)工程设计施工图纸(一份);(5)协议书(一式三份)(6)营业执照、社团登记证、事业法人登记证、法人身份证(复印件加盖与原件相符印章一份)。5、核发的许可证件:临时占用、挖掘公路施工许可证、行政许可决定书。附表:公路路政管理特殊使用公路申请表(挖掘、占用公路、公路用地)申请人全称电话法人代表联系人电话地址邮编申请理由地段道线地点K+m至K+m使用左侧长m宽m恢复方式第3页共17页第2页共17页编号:时间:2021年x月x日书山有路勤为径,学海无涯苦作舟页码:第3页共17页面积左侧长m宽m合计m2使用时间年月日至年月日费用缴纳方式开户银行县(市)级路政管理部门意见公章年月日地(市)路政管理部门意见公章年月日省路政管理部门意见公章年月日备注:1、申请时要附施工图纸等福建省公路路政管理局印制2、当事人和审批单位各一份(二)增设公路平面交叉道口审批:1、许可依据:《中华人民共和国公路法》、《福建省公路路政管理条例》2、申请方式:当场递交、邮寄3、许可程序及期限:第4页共17页第3页共17页编号:时间:2021年x月x日书山有路勤为径,学海无涯苦作舟页码:第4页共17页申请人提出申请现场勘察不需上报审批的,由本部门直接审批,3个工作日内完成。上级复核勘查后做出审批决定,2个工作日内完成。4、申请许可需提供的材料:(1)申请报告(写明事由、拟施工时间安排、保障交通畅通及安全措施);(2)填写特殊使用公路申请表并加盖公章(一式叁份);(3)交叉道口设计、施工图纸(申请地点、路面标高及排水沟等附属设施一份);(4)协议书(一式三份)(5)营业执照、社团登记证、事业法人登记证(复印件一申请人缴费,2个工作日内完成。发给施工许可证,当天完成。施工结束后,申请人向路政部门申请验收。需上报审批的,本部门签署意见后转报上级,3个工作日内完成。路政部门3个工作日内完成验收。合格的,退还保证金,不合格的,给予相应扣罚保证金。第5页共17页第4页共17页编号:时间:2021年x月x日书山有路勤为径,学海无涯苦作舟页码:第5页共17页份)。5、核发的许可证件:交叉道口施工许可证、行政许可决定书。附表:公路路政管理特殊使用公路申请表(挖掘、占用公路、公路用地)申请人全称电话法人代表联系人电话地址邮编申请理由地段道线地点K+m至K+m使用面积左侧长m宽m左侧长m宽m合计m2恢复方式使用时间年月日至年月日费用缴纳方式开户银行县(市)级路政管理部门意见公章年月日第6页共17页第5页共17页编号:时间:2021年x月x日书山有路勤为径,学海无涯苦作舟页码:第6页共17页地(市)路政管理部门意见公章年月日省路政管理部门意见公章年月日备注:1、申请时要附施工图纸等福建省公路路政管理局印制2、当事人和审批单位各一份(三)更新砍伐公路用地上的树木审批:1、许可依据:《中华人民共和国公路法》、《福建省公路路政管理条例》2、申请方式:当场递交、邮寄3、许可程序及期限:第7页共17页第6页共17页编号:时间:2021年x月x日书山有...

1、当您付费下载文档后,您只拥有了使用权限,并不意味着购买了版权,文档只能用于自身使用,不得用于其他商业用途(如 [转卖]进行直接盈利或[编辑后售卖]进行间接盈利)。
2、本站所有内容均由合作方或网友上传,本站不对文档的完整性、权威性及其观点立场正确性做任何保证或承诺!文档内容仅供研究参考,付费前请自行鉴别。
3、如文档内容存在违规,或者侵犯商业秘密、侵犯著作权等,请点击“违规举报”。

碎片内容

由市公路路政管理分局负责实施的行政许可事项

精品中小学文档+ 关注
实名认证
内容提供者

精品资料,值得下载

确认删除?
VIP
微信客服
  • 扫码咨询
会员Q群
  • 会员专属群点击这里加入QQ群
客服邮箱
回到顶部