电脑桌面
添加小米粒文库到电脑桌面
安装后可以在桌面快捷访问

室内采暖管道的安装工程VIP免费

室内采暖管道的安装工程_第1页
1/10
室内采暖管道的安装工程_第2页
2/10
室内采暖管道的安装工程_第3页
3/10
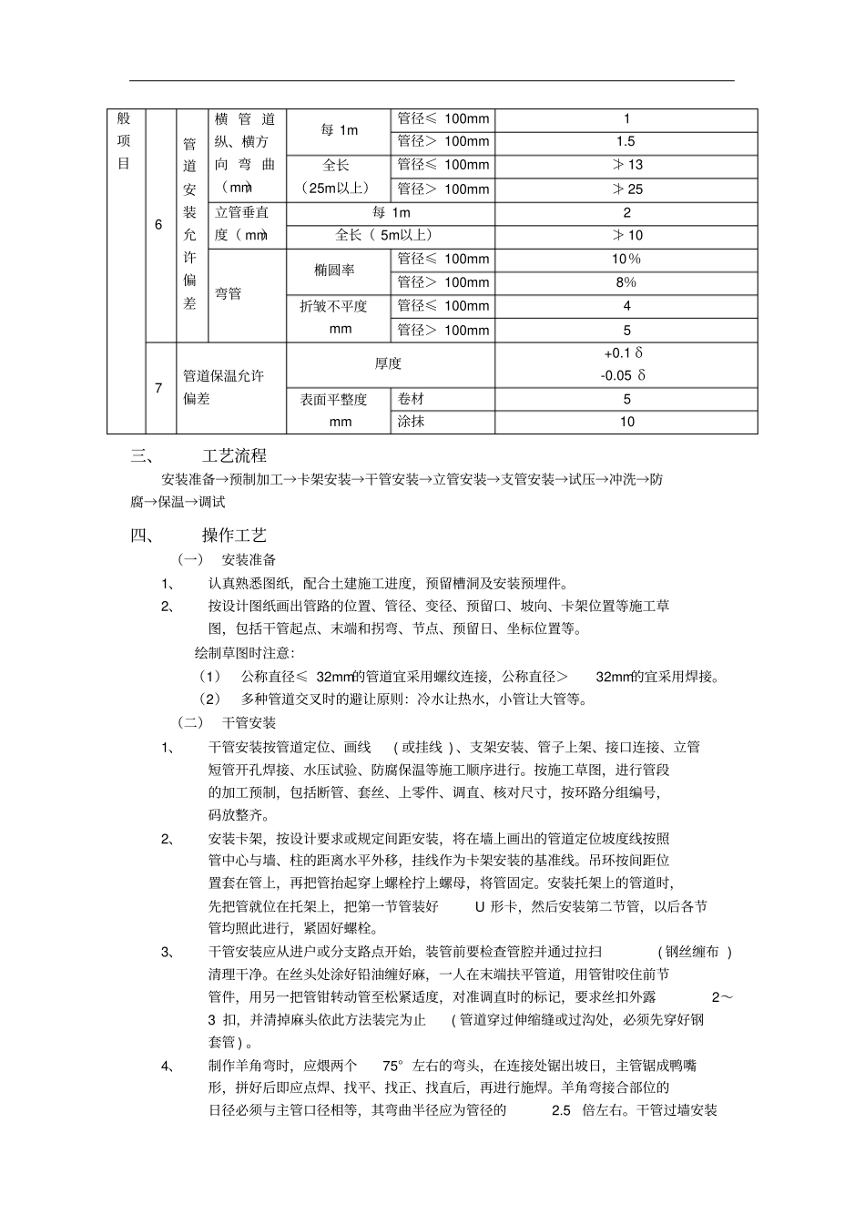
一、施工准备(一)作业条件1.干管安装:位于地沟内的干管,应把地沟内杂物清理干净,安装好托吊、卡架,未盖沟盖板前安装。位于楼板下及顶层的干管,应在结构封顶后或结构进入安装层的一层以上后安装。。。。。。2.立管安装必须在确定准确的地面标高后进行。3.支管安装必须在墙面抹灰后进行。(二)材料要求1、管材:碳索钢管、无缝钢管。管材不得弯曲、锈蚀,无飞刺、重皮及凹凸不平现象。2、管件:无偏扣、方扣、乱扣、断丝,不得有砂眼、裂纹和角度不准确现象。3、阀门:铸造规矩、无毛刺、无裂纹、开关灵活严密,丝扣无损伤,直度和角度正确,强度符合要求,手轮无损伤。安装前应进行强度、严密性试验,主控阀门100%试验,其他阀门抽检10%,若有不合格,则抽查20%,还有不合格,则逐个检验。4、其他材料:型钢、圆钢、管卡子、螺栓、螺母、油、麻、垫、电气焊条等。选用时应符合设计要求。5、在住宅工程中的室内部分中,禁止使用铸铁截止阀。6、各类管材、阀门、调压装置、绝热材料应有产品质量合格证和材质检验报告,热量表应有计量检定证书等。(三)主要机具砂轮锯、套丝机、台钻、电焊机、煨弯器等。二、质量要求质量要求符合《建筑给水排水及采暖工程施工质量验收规范》(GB50242-2002)的规定。项序项目允许偏差或允许值主控项目1管道安装坡度第8.2.1条2采暖系统水压试验第8.6.1条3采暖系统冲洗、试运行和调试第8.6.2条、第8.6.3条4补偿器的制作、安装及预拉伸第8.2.2条、第8.2.5条、第8.2.6条5平衡器、调节阀、减压阀等安装第8.2.3条、第8.2.4条一般项目1热量表、疏水器、除污器等安装第8.2.7条2钢管焊接第8.2.8条3采暖入口及分户计量入户装置安装第8.2.9条4管道连接及散热器支管安装第8.2.10条、第8.2.11条、第8.2.12条、第8.2.13条、第8.2.14条、第8.2.15条续表项序项目允许偏差或允许值一5管道及金属支架的防腐第8.2.16条般项目6管道安装允许偏差横管道纵、横方向弯曲(mm)每1m管径≤100mm1管径>100mm1.5全长(25m以上)管径≤100mm≯13管径>100mm≯25立管垂直度(mm)每1m2全长(5m以上)≯10弯管椭圆率管径≤100mm10%管径>100mm8%折皱不平度mm管径≤100mm4管径>100mm57管道保温允许偏差厚度+0.1δ-0.05δ表面平整度mm卷材5涂抹10三、工艺流程安装准备→预制加工→卡架安装→干管安装→立管安装→支管安装→试压→冲洗→防腐→保温→调试四、操作工艺(一)安装准备1、认真熟悉图纸,配合土建施工进度,预留槽洞及安装预埋件。2、按设计图纸画出管路的位置、管径、变径、预留口、坡向、卡架位置等施工草图,包括干管起点、末端和拐弯、节点、预留日、坐标位置等。绘制草图时注意:(1)公称直径≤32mm的管道宜采用螺纹连接,公称直径>32mm的宜采用焊接。(2)多种管道交叉时的避让原则:冷水让热水,小管让大管等。(二)干管安装1、干管安装按管道定位、画线(或挂线)、支架安装、管子上架、接口连接、立管短管开孔焊接、水压试验、防腐保温等施工顺序进行。按施工草图,进行管段的加工预制,包括断管、套丝、上零件、调直、核对尺寸,按环路分组编号,码放整齐。2、安装卡架,按设计要求或规定间距安装,将在墙上画出的管道定位坡度线按照管中心与墙、柱的距离水平外移,挂线作为卡架安装的基准线。吊环按间距位置套在管上,再把管抬起穿上螺栓拧上螺母,将管固定。安装托架上的管道时,先把管就位在托架上,把第一节管装好U形卡,然后安装第二节管,以后各节管均照此进行,紧固好螺栓。3、干管安装应从进户或分支路点开始,装管前要检查管腔并通过拉扫(钢丝缠布)清理干净。在丝头处涂好铅油缠好麻,一人在末端扶平管道,用管钳咬住前节管件,用另一把管钳转动管至松紧适度,对准调直时的标记,要求丝扣外露2~3扣,并清掉麻头依此方法装完为止(管道穿过伸缩缝或过沟处,必须先穿好钢套管)。4、制作羊角弯时,应煨两个75°左右的弯头,在连接处锯出坡日,主管锯成鸭嘴形,拼好后即应点焊、找平、找正、找直后,再进行施焊。羊角弯接合部位的日径必须与主管口径相等,其弯曲半径应为管径的2.5倍左右。干管过墙安装分路作法见图6-1。5、干管:(1)住宅工程室...

1、当您付费下载文档后,您只拥有了使用权限,并不意味着购买了版权,文档只能用于自身使用,不得用于其他商业用途(如 [转卖]进行直接盈利或[编辑后售卖]进行间接盈利)。
2、本站所有内容均由合作方或网友上传,本站不对文档的完整性、权威性及其观点立场正确性做任何保证或承诺!文档内容仅供研究参考,付费前请自行鉴别。
3、如文档内容存在违规,或者侵犯商业秘密、侵犯著作权等,请点击“违规举报”。

碎片内容

室内采暖管道的安装工程

确认删除?
VIP
微信客服
  • 扫码咨询
会员Q群
  • 会员专属群点击这里加入QQ群
客服邮箱
回到顶部