电脑桌面
添加小米粒文库到电脑桌面
安装后可以在桌面快捷访问

河南省城镇污水处理运行管理绩效考核标准VIP免费

河南省城镇污水处理运行管理绩效考核标准_第1页
1/19
河南省城镇污水处理运行管理绩效考核标准_第2页
2/19
河南省城镇污水处理运行管理绩效考核标准_第3页
3/19
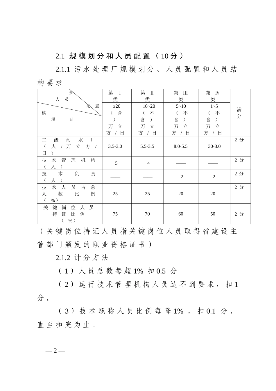
河南省城镇污水处理运行管理绩效考核标准(暂行)1总则1.1为提高全省城镇污水处理运行管理水平,规范污水处理厂运行管理,完善污水处理运行管理绩效考核体系,建立健全污水处理行业自律、竞争激励机制,确保污水处理设施正常规范运行,依据国家相关法规和工作要求,特制定本标准。1.2本标准适用于全省城镇污水处理运行管理的绩效考核工作。1.3河南省住房和城乡建设厅负责全省城镇污水处理运行绩效考核评比工作。受省住房和城乡建设厅委托,省市政公用业协会承担全省城镇污水处理运行单位绩效考核评比的具体工作。1.4本标准所涉及的文件、标准、规范、规定和要求以最新版本为准。2考核项目要求和加权分值—1—2.1规模划分和人员配置(10分)2.1.1污水处理厂规模划分、人员配置和人员结构要求规人员配置模项目第Ⅰ类第Ⅱ类第Ⅲ类第Ⅳ类满分≥20(含)万立方/日10~20(不含)万立方/日5~10(不含)万立方/日1~5(不含)万立方/日二级污水厂(人/万立方/日)3.5-3.05.5-3.58.0-5.530-8.02分技术管理机构(人)54————2分技术负责(人)————222分技术人员占总人数比例(%)252520202分关键岗位人员持证比例(%)757060502分(关键岗位持证人员指关键岗位人员取得省建设主管部门颁发的职业资格证书)2.1.2计分方法(1)人员总数每超1%扣0.5分(2)运行技术管理机构人员达不到要求,扣1分。(3)技术职称人员比例每降1%,扣0.1分,直至扣完为止。—2—(4)关键岗位人员持证比例每降1%,扣0.1分,直至扣完为止。2.2污水处理运行经费(5分)2.2.1污水处理运行款额到位率,按照污水处理厂全年所需运行款额与实际拨款额的比例计算即:运行款额到位率=污水处理厂全年实际到位款额全年进水总量×污水处理成本*100%2.2.2计分方法(1)运行款额到位率100%,得5分。(2)运行款额到位率大于80%(含),小于100%,得4分。(3)运行款额到位率小于80%(不含),大于60%(含),得2分。(4)运行款额到位率低于60%(不含),不得分。2.3处理量(19分)2.3.1污水处理量(10分)(1)污水量和污水处理运行率的统计a)以设计处理水量为准,超过设计处理水量时,按设计处理水量进行统计。b)污水处理量以年作为一个时间统计单位,每年按365天计算,即:—3—污水处理运行率=全年实际处理量设计水量×365×100%(2)计分方法a)投入运行第一年和第二年,污水处理运行率达到60%(含),得10分。投入运行第一年和第二年,污水处理运行率大于50%(不含),小于60%(含),得6分。投入运行第一年和第二年,污水处理运行率小于50%(含),得4分。b)投入运行第三年(含)以后,污水处理运行率大于75%(含),得10分。投入运行第三年(含)以后,污水处理运行率大于70%(含),小于75%,得8分。投入运行第三年(含)以后,污水处理运行率大于50%(不含),小于70%,得6分。投入运行第三年(含)以后,小于50%(含),得2分。2.3.2污泥处置量(4分)(1)污泥安全处置率=消化、干化、堆肥、填埋等有效措施处理污泥量污水厂污泥总量×100%(2)计分方法:得分=分值¿污泥安全处置率其中:污泥消化和干化两项满分共2分,污泥—4—制肥和卫生填埋两项满分共2分。2.3.3污染物削减量(5分)(1)污染物项目:化学需氧量(COD)、氨氮(NH3-N)、悬浮物(SS)共三项。(2)污染物削减率=实际进水污染物年平均浓度−实际出水污染物年平均浓度实际进水污染物年平均浓度×100%(3)计分方法:得分¿分值×污染物削减率其中:化学需氧量(COD)最高分3分;氨氮(NH3-N)最高分1分;悬浮物(SS)最高分1分;2.4处理质量(16分)2.4.1水处理质量(10)(1)水质质量考核项目以GB18918—2002标准规定的项目为依据,同时结合地方规定和要求进行考评。(2)污水处理厂出水水质指标以GB18918—2002标准规定的值为准,考核项目中,当天出水水质有一项不达标,视为一天水质不达标。(3)出水合格率=抽查月水质达标天数抽查月天数×100%;出水合格率低于80%,不得分(4)计分方法:分值¿出水合格率—5—2.4.2污泥处理质量(6分)(1)污泥脱水处理质量(2分)a)污泥含水率以年平均值进行统计。b)年平均含水率小于80%(含)得2分c)...

1、当您付费下载文档后,您只拥有了使用权限,并不意味着购买了版权,文档只能用于自身使用,不得用于其他商业用途(如 [转卖]进行直接盈利或[编辑后售卖]进行间接盈利)。
2、本站所有内容均由合作方或网友上传,本站不对文档的完整性、权威性及其观点立场正确性做任何保证或承诺!文档内容仅供研究参考,付费前请自行鉴别。
3、如文档内容存在违规,或者侵犯商业秘密、侵犯著作权等,请点击“违规举报”。

碎片内容

河南省城镇污水处理运行管理绩效考核标准

确认删除?
VIP
微信客服
  • 扫码咨询
会员Q群
  • 会员专属群点击这里加入QQ群
客服邮箱
回到顶部