电脑桌面
添加小米粒文库到电脑桌面
安装后可以在桌面快捷访问

挖孔桩技术交底VIP专享VIP免费

挖孔桩技术交底_第1页
1/2
挖孔桩技术交底_第2页
2/2
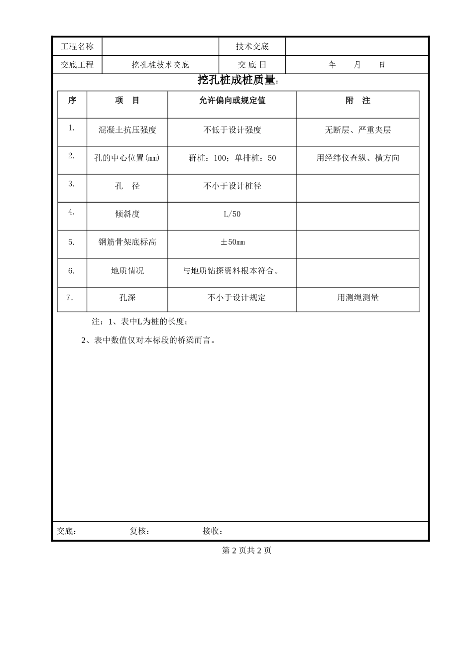
技术交底记录工程名称技术交底交底工程挖孔桩技术交底交底日年月日一、施工准备施工前应先进展场地平整排除一切不平安因素采用机械开挖与人工平整相结合的。并布置好弃土通道必要时孔口搭设雨棚。二、井口围护井口围护可用砖砌或浇筑混凝土井口围护的内径比桩径大10~20cm高出地面20~30cm以防止土石下落地表水回流。孔桩的护桩用四颗铁钉引至井口围护上铁钉插入混凝土中护桩交线的交角约为90。。三、挖孔人工用镐头、铁锹开挖安排好排土提升设备〔可用卷扬机、滑轮或其他自制设备〕挖土过程中随时检查桩孔尺寸和平面位置〔最简单的为吊线坠法〕防止误差。并注意施工平安下孔人员必须配戴平安帽和平安绳提升设备〔吊桶、吊钩、钢丝绳、卷扬机等〕经常检查挖孔工作暂停时孔口必须罩盖。挖孔时如孔内co2浓度超过0.3或孔深超过10米时应采用机械通风。孔内如用爆破施工时应用浅眼爆破法且在炮眼附近要加强支撑和护壁以防止震坍孔壁。当桩底进入倾斜岩层时桩底应凿成程度状或台阶形。桩孔较深时应采用电引爆爆破后应通风排烟一段时间经检查无后施工人员方可下孔继续作业。开挖过程中开挖和护壁两个工序必须连续作业以确保孔壁不坍塌。采用混凝土护壁每下挖1~2m灌注一次随挖随支护壁厚度一般采用0.15~0.20m混凝土标C20必要时可配置少量钢筋。四、终孔检查挖孔到达设计深度后,应进展孔底处理.孔底不应有松渣、淤泥、沉淀等扰动过的软层去除孔底、孔壁浮土孔底必须平整土质与尺寸符合设计要求以保证桩基质量并进展孔位检查。孔径、孔形、倾斜度宜采用专用仪器测定当缺乏专用仪器时可采用外径为孔桩钢筋笼直径加100mm长度为4~6倍外径的钢筋检孔器吊入钻孔内检测。确认满足设计要求后填写“终孔检查证。〞假如遇孔底地质条件与设计要求不符,应会同相关研究处理措施。交底:复核:接收:第1页共2页技术交底记录工程名称技术交底交底工程挖孔桩技术交底交底日年月日挖孔桩成桩质量:序项目允许偏向或规定值附注1.混凝土抗压强度不低于设计强度无断层、严重夹层2.孔的中心位置(mm)群桩:100;单排桩:50用经纬仪查纵、横方向3.孔径不小于设计桩径4.倾斜度L/505.钢筋骨架底标高±50mm6.地质情况与地质钻探资料根本符合。7.孔深不小于设计规定用测绳测量注:1、表中L为桩的长度;2、表中数值仅对本标段的桥梁而言。交底:复核:接收:第2页共2页

1、当您付费下载文档后,您只拥有了使用权限,并不意味着购买了版权,文档只能用于自身使用,不得用于其他商业用途(如 [转卖]进行直接盈利或[编辑后售卖]进行间接盈利)。
2、本站所有内容均由合作方或网友上传,本站不对文档的完整性、权威性及其观点立场正确性做任何保证或承诺!文档内容仅供研究参考,付费前请自行鉴别。
3、如文档内容存在违规,或者侵犯商业秘密、侵犯著作权等,请点击“违规举报”。

碎片内容

挖孔桩技术交底

确认删除?
VIP
微信客服
  • 扫码咨询
会员Q群
  • 会员专属群点击这里加入QQ群
客服邮箱
回到顶部