电脑桌面
添加小米粒文库到电脑桌面
安装后可以在桌面快捷访问

专家论证高支模施工方案VIP免费

专家论证高支模施工方案_第1页
1/62
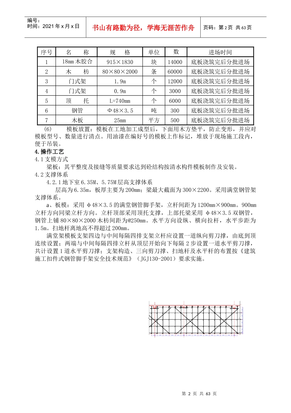
专家论证高支模施工方案_第2页
2/62
专家论证高支模施工方案_第3页
3/62
茶滘城中村改造工程16a#地块高支模施工方案目录1.编制依据..................................................................................................................................12.工程概况..................................................................................................................................13.施工部署及施工准备..............................................................................................................14.操作工艺..................................................................................................................................35.模板质量标准........................................................................................................................126.成品保护................................................................................................................................147.模板施工职业健康安全要求................................................................................................157.1职业健康安全保证措施.................................................................................................157.2环境保证措施.................................................................................................................168.材料节约................................................................................................................................179.施工监测方案及安全应急预案............................................................................................179.1施工监测方案.................................................................................................................179.2安全应急预案.................................................................................................................1810.模板设计计算......................................................................................................................2210.1扣件钢管楼板模板支架计算书(地下层高6.35M,板厚0.2M)............................2210.2梁模板扣件钢管高支撑架计算书(地下层高6.35M,最大梁300×2200)............2910.3楼板模板门式脚手架支撑计算书(地下室层高5.5M,板厚0.4M)....................3710.4梁模板门式支撑架计算书(首层层高5.5M,最大梁300×2200)..........................4410.5梁侧模支撑计算书(梁截面400×1200,两道对拉螺杆)......................................5010.6梁侧模支撑计算书(梁截面300×2200,三道对拉螺杆)......................................5610.7柱模板计算书(柱截面尺寸600×600).........................................................................6310.8墙模板计算书(墙高6.35M,墙厚400).......................................................................70PAGE第1页共63页编号:时间:2021年x月x日书山有路勤为径,学海无涯苦作舟页码:第1页共63页高支模施工方案1.编制依据1.《建筑施工扣件式钢管脚手架安全技术规范》(JGJ130-2001);2.《建筑施工门式钢管脚手架安全技术规范》(JGJ128-2010)3.《木结构设计规程》(GB50005-2003);4.《混凝土结构工程施工质量验收规范》(50204-2002);5.《建筑工程施工质量验收统一标准》(GB50300-2002);6.《茶滘城中村改造工程16a#地块工程施工图纸》;7.《建筑施工计算手册》(第四版缩印本)等。2.工程概况1.工程总体概况本工程是由广州市茶滘城中村改造管理有限公司建设的住宅楼工程,其中16a#地块为9栋高层,地下一层,地上32层,部分临街处设有两层商铺及裙房。本工程结构形式为钢筋砼框架剪力墙结构。总建筑面积137519.8m2,其中地...

1、当您付费下载文档后,您只拥有了使用权限,并不意味着购买了版权,文档只能用于自身使用,不得用于其他商业用途(如 [转卖]进行直接盈利或[编辑后售卖]进行间接盈利)。
2、本站所有内容均由合作方或网友上传,本站不对文档的完整性、权威性及其观点立场正确性做任何保证或承诺!文档内容仅供研究参考,付费前请自行鉴别。
3、如文档内容存在违规,或者侵犯商业秘密、侵犯著作权等,请点击“违规举报”。

碎片内容

专家论证高支模施工方案

您可能关注的文档

确认删除?
VIP
微信客服
  • 扫码咨询
会员Q群
  • 会员专属群点击这里加入QQ群
客服邮箱
回到顶部