电脑桌面
添加小米粒文库到电脑桌面
安装后可以在桌面快捷访问

出口加工区钢管落地卸料平台计算书VIP免费

出口加工区钢管落地卸料平台计算书_第1页
1/8
出口加工区钢管落地卸料平台计算书_第2页
2/8
出口加工区钢管落地卸料平台计算书_第3页
3/8
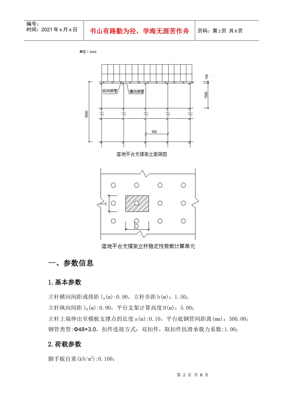
第1页共8页编号:时间:2021年x月x日书山有路勤为径,学海无涯苦作舟页码:第1页共8页钢管落地卸料平台计算书标厂物流项目11#、12#标准厂房工程,结构类型:框架结构;2层局部3层,其中11#厂房建筑面积为17562平方米,12#厂房建筑面积为17562平方米,轴线尺寸为15870mm×52200mm。建筑高度13.55m,局部17.3m。卸料平台处于什么轴线位置?几米*几米?一、设计方案1、材料选择选用Q235A级碳素结构钢不小于2.8壁厚的φ48焊接钢管,配套可锻铸铁制作的直角、旋转及对接扣件;2、钢管落地缺料平台设计立杆横向间距或排距la(m):0.90,立杆步距h(m):1.50;立杆纵向间距lb(m):0.90,平台支架计算高度H(m):5.00;立杆上端伸出至模板支撑点的长度a(m):0.10,平台底钢管间距离(mm):300.00;钢管类型:Φ48×3.0,二、计算书扣件式钢管落地平台的计算依照《建筑施工扣件式钢管脚手架安全技术规范》(JGJ130-2001)、《建筑地基基础设计规范》(GB50007-2002)、《建筑结构荷载规范》(GB50009-2001)、《钢结构设计规范》(GB50017-2003)等编制。本计算书编写还参考了《施工技术》2002.3.《扣件式钢管模板高支撑架设计和使用安全》一文。第2页共8页第1页共8页编号:时间:2021年x月x日书山有路勤为径,学海无涯苦作舟页码:第2页共8页一、参数信息1.基本参数立杆横向间距或排距la(m):0.90,立杆步距h(m):1.50;立杆纵向间距lb(m):0.90,平台支架计算高度H(m):5.00;立杆上端伸出至模板支撑点的长度a(m):0.10,平台底钢管间距离(mm):300.00;钢管类型:Φ48×3.0,扣件连接方式:双扣件,取扣件抗滑承载力系数:1.00;2.荷载参数脚手板自重(kN/m2):0.100;第3页共8页第2页共8页编号:时间:2021年x月x日书山有路勤为径,学海无涯苦作舟页码:第3页共8页栏杆自重(kN/m):0.150;材料堆放最大荷载(kN/m2):5.000;施工均布荷载(kN/m2):3.000;3.地基参数地基土类型:混凝土;地基承载力标准值(kPa):120.00;立杆基础底面面积(m2):0.25;地基承载力调整系数:1.00。二、纵向支撑钢管计算纵向钢管按照均布荷载下连续梁计算,截面几何参数为截面抵抗矩W=4.49cm3;截面惯性矩I=10.78cm4;纵向钢管计算简图1.荷载的计算(1)脚手板自重(kN/m):q11=0.1×0.3=0.03kN/m;(2)堆放材料的自重线荷载(kN/m):q12=5×0.3=1.5kN/m;(3)施工荷载标准值(kN/m):p1=3×0.3=0.9kN/m2.强度验算依照《建筑施工扣件式钢管脚手架安全技术规范》(JGJ130-2001)5.2.4规定,纵向支撑钢管按三跨连续梁计算。最大弯矩考虑为静荷载与活荷载的计算值最不利分配的弯矩和;最大弯矩计算公式如下:第4页共8页第3页共8页编号:时间:2021年x月x日书山有路勤为径,学海无涯苦作舟页码:第4页共8页M=0.1q1l2+0.117q2l2最大支座力计算公式如下:N=1.1q1l+1.2q2l均布恒载:q1=1.2×q11=1.2×0.03=0.036kN/m;均布活载:q2=1.4×0.9+1.4×1.5=3.36kN/m;最大弯距Mmax=0.1×0.036×0.92+0.117×3.36×0.92=0.321kN·m;最大支座力N=1.1×0.036×0.9+1.2×3.36×0.9=3.664kN;最大应力σ=Mmax/W=0.321×106/(4490)=71.569N/mm2;纵向钢管的抗压强度设计值[f]=205N/mm2;纵向钢管的计算应力71.569N/mm2小于纵向钢管的抗压设计强度205N/mm2,满足要求!3.挠度验算最大挠度考虑为三跨连续梁均布荷载作用下的挠度;计算公式如下:ν=0.667ql4/100EI均布恒载:qk=qll=0.03kN/m;ν=0.677×0.03×9004/(100×2.06×105×107800)=0.006mm;纵向钢管的最大挠度为0.006mm小于纵向钢管的最大容许挠度900/150与10mm,满足要求!三、横向支撑钢管计算支撑钢管按照集中荷载作用下的三跨连续梁计算;集中荷载P取板底纵向支撑钢管传递力,P=3.664kN;支撑钢管计算简图第5页共8页第4页共8页编号:时间:2021年x月x日书山有路勤为径,学海无涯苦作舟页码:第5页共8页支撑钢管计算弯矩图(kN·m)支撑钢管计算变形图(mm)支撑钢管计算剪力图(kN)最大弯矩Mmax=0.88kN·m;最大变形νmax=2.301mm;最大支座力Qmax=11.971kN;最大应力σ=195.921N/mm2;横向钢管的计算应力195.921N/mm2小于横向钢管的抗压强度设计值205N/mm2,满足要求!支撑钢管的最大挠度为2.301mm小于支撑钢管的...

1、当您付费下载文档后,您只拥有了使用权限,并不意味着购买了版权,文档只能用于自身使用,不得用于其他商业用途(如 [转卖]进行直接盈利或[编辑后售卖]进行间接盈利)。
2、本站所有内容均由合作方或网友上传,本站不对文档的完整性、权威性及其观点立场正确性做任何保证或承诺!文档内容仅供研究参考,付费前请自行鉴别。
3、如文档内容存在违规,或者侵犯商业秘密、侵犯著作权等,请点击“违规举报”。

碎片内容

出口加工区钢管落地卸料平台计算书

您可能关注的文档

确认删除?
VIP
微信客服
  • 扫码咨询
会员Q群
  • 会员专属群点击这里加入QQ群
客服邮箱
回到顶部