电脑桌面
添加小米粒文库到电脑桌面
安装后可以在桌面快捷访问

某服务楼内装饰工程施工组织设计VIP免费

某服务楼内装饰工程施工组织设计_第1页
1/79
某服务楼内装饰工程施工组织设计_第2页
2/79
某服务楼内装饰工程施工组织设计_第3页
3/79
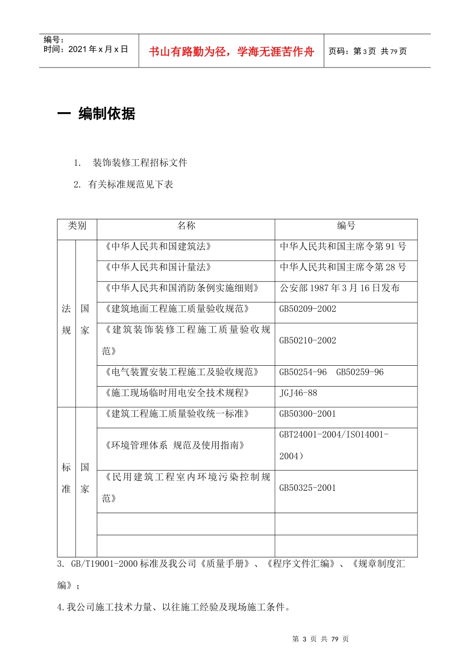
某服务楼内装饰工程施工组织设计编制:总工:审核:装饰工程公司2006年8月10日目录一编制依据--------------------------------------------------3二工程概况--------------------------------------------------4三施工组织管理--------------------------------------------4四施工部署--------------------------------------------------4五施工现场布置--------------------------------------------6六施工进度计划及保证工期措施-----------------------7七主要项目施工方法--------------------------------------8八成品保护措施-------------------------------------------69九质量保证措施-------------------------------------------72十安全文明施工及消防措施----------------------------74十一安全防护----------------------------------------------77十二雨期施工措施----------------------------------------77十三地下管线及其他地上地下设施的加固措施----78十四工程保修服务----------------------------------------78第3页共79页编号:时间:2021年x月x日书山有路勤为径,学海无涯苦作舟页码:第3页共79页一编制依据1.装饰装修工程招标文件2.有关标准规范见下表类别名称编号法规国家《中华人民共和国建筑法》中华人民共和国主席令第91号《中华人民共和国计量法》中华人民共和国主席令第28号《中华人民共和国消防条例实施细则》公安部1987年3月16日发布《建筑地面工程施工质量验收规范》GB50209-2002《建筑装饰装修工程施工质量验收规范》GB50210-2002《电气装置安装工程施工及验收规范》GB50254-96GB50259-96《施工现场临时用电安全技术规程》JGJ46-88标准国家《建筑工程施工质量验收统一标准》GB50300-2001《环境管理体系规范及使用指南》GBT24001-2004/ISO14001-2004)《民用建筑工程室内环境污染控制规范》GB50325-20013.GB/T19001-2000标准及我公司《质量手册》、《程序文件汇编》、《规章制度汇编》;4.我公司施工技术力量、以往施工经验及现场施工条件。第3页共79页第4页共79页编号:时间:2021年x月x日书山有路勤为径,学海无涯苦作舟页码:第4页共79页二工程概况工程名称:建设地点:建设规模:合同类型:总价固定合同要求质量标准:合格工程要求工期:2006年8月15日至2006年9月30日招标范围:三施工组织管理为了组织好本工程,公司从本部到施工现场有针对性的组织了一个强有力的管理班子,集中了一批有经验、干过大工程的施工管理人员,用以确保工程如期如质完成,让业主放心,让社会放心。对于一些重点工序作到样板先行、方案先行,优先采用新工艺、新技术、新材料,提高工程的科技含量。同时在材料、设备的选择上尊重建设单位意见,使工程能够顺利进行。另外在进度控制、财务管理、成本控制、材料管理等方面采用微机管理,实现各项工作的程序化和标准化,以提高工作效率,降低工程成本。四施工部署1.施工准备1.1技术准备1)装饰施工图纸确定后,立即组织有关人员核对熟悉图纸,同时将各专业提出的施工第5页共79页第4页共79页编号:时间:2021年x月x日书山有路勤为径,学海无涯苦作舟页码:第5页共79页图问题汇总,会同设计进行图纸会审;2)对现场进行实地测量,提取数据,细化装饰施工图设计;3)完善施工组织设计,进行施工方案和详细的技术交底;4)安排专业人员进行施工材料放样,提出详细的材料和备料计划,经建设单位审核后进行招标定货。1.2施工现场准备施工前的准备工作应根据现场实际情况,合理安排办公区、库房等,安排工人食宿、准备施工机具、材料等。根据原图纸及施工现场的实际情况进行施工布署。根据装修工程特点,主要加工车间及办公区、库房均布置在建筑内,工人宿舍及食堂安排场外。室外主要安排砂石临时堆场。1.3施工劳动力准备本工程装修工程将由我公司项目经理部承担施工任务,该项目经理部具有丰富的从事大型装饰工程的施工经验,曾参与多个大型高级精装修工程的施工。在工程施工中将合理安排人员、严格控制施工顺序,确保工程实现进度及质量目标。劳动力计划见附表。1.4施工机械准备根据工程周期紧,施工量大的特点,我公...

1、当您付费下载文档后,您只拥有了使用权限,并不意味着购买了版权,文档只能用于自身使用,不得用于其他商业用途(如 [转卖]进行直接盈利或[编辑后售卖]进行间接盈利)。
2、本站所有内容均由合作方或网友上传,本站不对文档的完整性、权威性及其观点立场正确性做任何保证或承诺!文档内容仅供研究参考,付费前请自行鉴别。
3、如文档内容存在违规,或者侵犯商业秘密、侵犯著作权等,请点击“违规举报”。

碎片内容

某服务楼内装饰工程施工组织设计

确认删除?
VIP
微信客服
  • 扫码咨询
会员Q群
  • 会员专属群点击这里加入QQ群
客服邮箱
回到顶部