电脑桌面
添加小米粒文库到电脑桌面
安装后可以在桌面快捷访问

强制性条文执行记录表样及填写示范VIP免费

强制性条文执行记录表样及填写示范_第1页
1/27
强制性条文执行记录表样及填写示范_第2页
2/27
强制性条文执行记录表样及填写示范_第3页
3/27
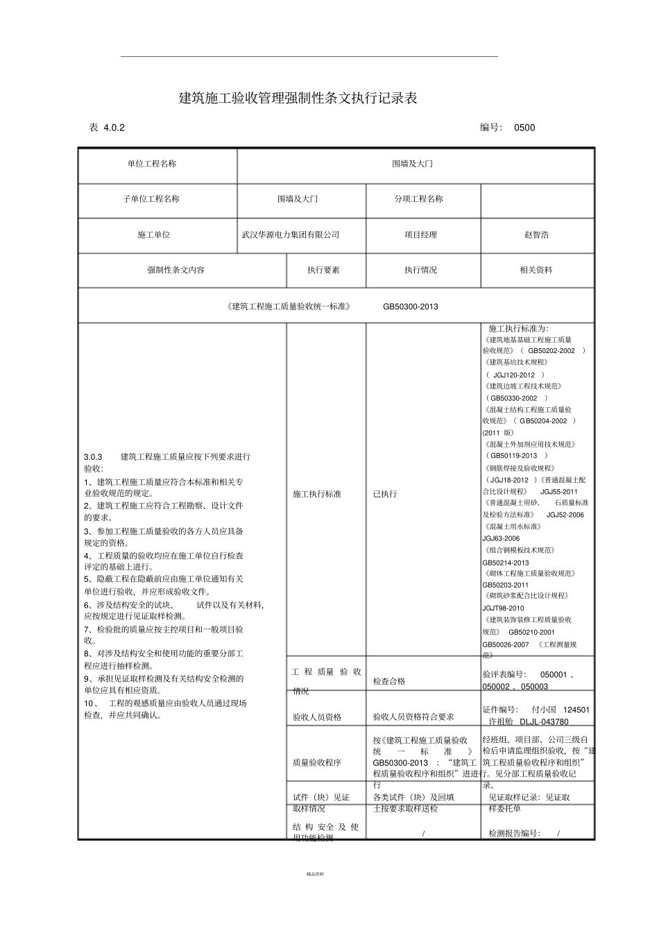
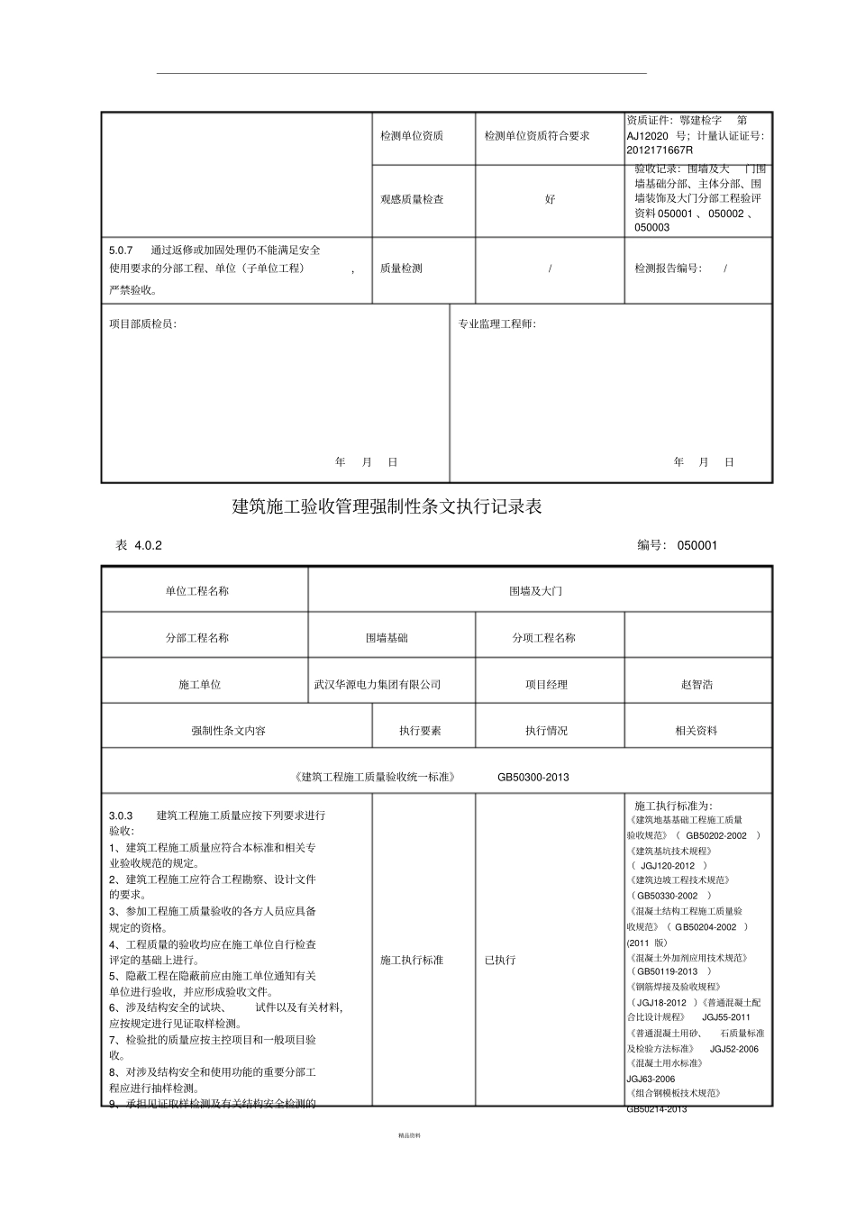
精品资料建筑施工验收管理强制性条文执行记录表表4.0.2编号:0500单位工程名称围墙及大门子单位工程名称围墙及大门分项工程名称施工单位武汉华源电力集团有限公司项目经理赵智浩强制性条文内容执行要素执行情况相关资料《建筑工程施工质量验收统一标准》GB50300-20133.0.3建筑工程施工质量应按下列要求进行验收:1、建筑工程施工质量应符合本标准和相关专业验收规范的规定。2、建筑工程施工应符合工程勘察、设计文件的要求。3、参加工程施工质量验收的各方人员应具备规定的资格。4、工程质量的验收均应在施工单位自行检查评定的基础上进行。5、隐蔽工程在隐蔽前应由施工单位通知有关单位进行验收,并应形成验收文件。6、涉及结构安全的试块、试件以及有关材料,应按规定进行见证取样检测。7、检验批的质量应按主控项目和一般项目验收。8、对涉及结构安全和使用功能的重要分部工程应进行抽样检测。9、承担见证取样检测及有关结构安全检测的单位应具有相应资质。10、工程的观感质量应由验收人员通过现场检查,并应共同确认。施工执行标准已执行工程质量验收检查合格情况验收人员资格验收人员资格符合要求按《建筑工程施工质量验收统一标准》施工执行标准为:《建筑地基基础工程施工质量验收规范》(GB50202-2002)《建筑基坑技术规程》(JGJ120-2012)《建筑边坡工程技术规范》(GB50330-2002)《混凝土结构工程施工质量验收规范》(GB50204-2002)(2011版)《混凝土外加剂应用技术规范》(GB50119-2013)《钢筋焊接及验收规程》(JGJ18-2012)《普通混凝土配合比设计规程》JGJ55-2011《普通混凝土用砂、石质量标准及检验方法标准》JGJ52-2006《混凝土用水标准》JGJ63-2006《组合钢模板技术规范》GB50214-2013《砌体工程施工质量验收规范》GB50203-2011《砌筑砂浆配合比设计规程》JGJT98-2010《建筑装饰装修工程质量验收规范》GB50210-2001GB50026-2007《工程测量规范》验评表编号:050001、050002、050003证件编号:付小国124501许祖贻DLJL-043780经班组、项目部、公司三级自检后申请监理组织验收,按“建质量验收程序GB50300-2013:“建筑工筑工程质量验收程序和组织”程质量验收程序和组织”进进行。见分部工程质量验收记试件(块)见证取样情况行各类试件(块)及回填土按要求取样送检录。见证取样记录:见证取样委托单结构安全及使用功能检测/检测报告编号:/精品资料5.0.7通过返修或加固处理仍不能满足安全检测单位资质检测单位资质符合要求观感质量检查好资质证件:鄂建检字第AJ12020号;计量认证证号:2012171667R验收记录:围墙及大门围墙基础分部、主体分部、围墙装饰及大门分部工程验评资料050001、050002、050003使用要求的分部工程、单位(子单位工程),严禁验收。质量检测/检测报告编号:/项目部质检员:专业监理工程师:年月日年月日建筑施工验收管理强制性条文执行记录表表4.0.2编号:050001单位工程名称围墙及大门分部工程名称围墙基础分项工程名称施工单位武汉华源电力集团有限公司项目经理赵智浩强制性条文内容执行要素执行情况相关资料《建筑工程施工质量验收统一标准》GB50300-20133.0.3建筑工程施工质量应按下列要求进行验收:1、建筑工程施工质量应符合本标准和相关专业验收规范的规定。2、建筑工程施工应符合工程勘察、设计文件的要求。3、参加工程施工质量验收的各方人员应具备规定的资格。4、工程质量的验收均应在施工单位自行检查施工执行标准为:《建筑地基基础工程施工质量验收规范》(GB50202-2002)《建筑基坑技术规程》(JGJ120-2012)《建筑边坡工程技术规范》(GB50330-2002)《混凝土结构工程施工质量验收规范》(GB50204-2002)(2011版)评定的基础上进行。5、隐蔽工程在隐蔽前应由施工单位通知有关单位进行验收,并应形成验收文件。6、涉及结构安全的试块、试件以及有关材料,应按规定进行见证取样检测。7、检验批的质量应按主控项目和一般项目验收。8、对涉及结构安全和使用功能的重要分部工程应进行抽样检测。9、承担见证取样检测及有关结构安全检测的施工执行标准已执行《混凝土外加剂应用技术规范》(GB50119-2013)《钢筋焊接及验收规程...

1、当您付费下载文档后,您只拥有了使用权限,并不意味着购买了版权,文档只能用于自身使用,不得用于其他商业用途(如 [转卖]进行直接盈利或[编辑后售卖]进行间接盈利)。
2、本站所有内容均由合作方或网友上传,本站不对文档的完整性、权威性及其观点立场正确性做任何保证或承诺!文档内容仅供研究参考,付费前请自行鉴别。
3、如文档内容存在违规,或者侵犯商业秘密、侵犯著作权等,请点击“违规举报”。

碎片内容

强制性条文执行记录表样及填写示范

确认删除?
VIP
微信客服
  • 扫码咨询
会员Q群
  • 会员专属群点击这里加入QQ群
客服邮箱
回到顶部