电脑桌面
添加小米粒文库到电脑桌面
安装后可以在桌面快捷访问

路基工程试验段施工方案(123)VIP免费

路基工程试验段施工方案(123)_第1页
1/18
路基工程试验段施工方案(123)_第2页
2/18
路基工程试验段施工方案(123)_第3页
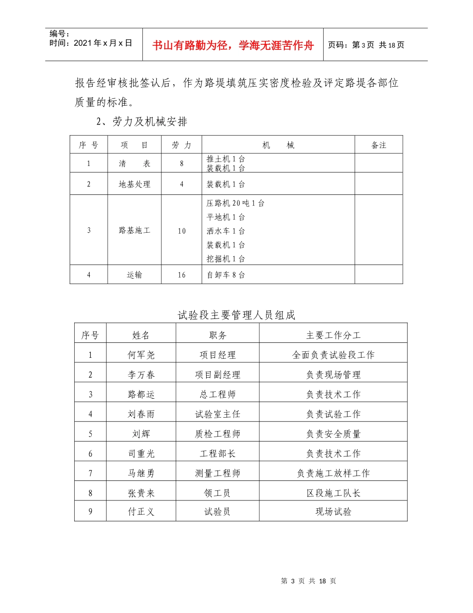
3/18
第1页共18页编号:时间:2021年x月x日书山有路勤为径,学海无涯苦作舟页码:第1页共18页路基工程试验段施工方案(DK0+015-DK0+277段)一、编制依据及执行规范、标准1、《客货共线铁路路基工程施工技术指南》2、《铁路路基工程验收标准》3、《铁路工程土工试验方法》4、许昌至禹州地方铁路改建(禹亳铁路一期)工程施工单价承包(LD2K5+790~LD2K8+558.045、DK1+300~L2K5+790)招标文件、设计图纸及资料、招标答疑等文件。5、国家、铁道部、地方政府有关安全、环境保护、水土保持的法律、规程、规则、条例。二、工程概况许昌至禹州地方窄轨铁路修建于1966年10月。许昌至禹州铁路位于河南省中部,为河南省地方铁路神(后)郸(城)线762mm窄轨铁路的一部分。神郸铁路自许昌为界分为两段,许昌至郸城段位许郸线,线路全长164.47km。许昌至神后段为许神线,线路全长70.74km。许郸铁路向东经鄢陵、扶沟、太康、淮阳在周口与漯阜线相连,沟通国铁京九线;在扶沟向北与新郑-杞县地方铁路沟通。许神铁路向西终止于神后,其中相继有新峰四矿支线、凤翅山支线、五吕支线、角子山支线在该线接轨。XYZQ-6标段起止里程:LD2K5+790~LD2K8+558.045、DK1+300~L2K5+790,标段长度4.068km。联络线并行处至苏桥西站出站端(备注:①含苏桥西站;②含L1与L2并行段2.768km)。施工图范围内改移道路、路基、轨道、桥梁涵洞、站场排水槽及立交桥(涵)两端引道工程。第2页共18页第1页共18页编号:时间:2021年x月x日书山有路勤为径,学海无涯苦作舟页码:第2页共18页三、实施试验段的目的根据本工程的具体条件,选择地质条件、断面型式具有代表性的地段(DK0+015-DK0+277段路基)做工艺试验路段。按施工规范要求做填筑、压实的试验,以确定合理的铺填厚度、压实遍数和填筑工艺。试验时记录好压实设备的类型、最佳组合方式、碾压遍数及碾压速度、工序、每层材料的松铺厚度、材料含水量等。试验完成及时整理写出书面材料,实验结果报请监理工程师批准,作为该种填料施工时使用的依据。四、主要技术标准:1、基床表层(厚30cm,B组填料):对细粒土、粘砂、粉砂,要求地基系数K30(MPa/m)≥140,孔隙率n为<29%。2、基床底层(厚90cm,C组填料):对细粒土、粘砂、粉砂,要求压实系数≥0.91,地基系数K30(MPa/m)≥90。3、路堤基床以下部位(C组填料):本段路堤为不浸水路基。对细粒土、粘砂、粉砂,要求压实系数≥0.90,地基系数K30(MPa/m)≥80;4、路堤基底:路堤地基表层为松软土层,其静力触探比贯入阻力不得小于1.0MPa,或天然地基基本承载力σ0不得小于0.12MPa。否则应进行冲击碾压、挖除换填或加固处理等措施。基底处理后要求达到规范有关规定:Ps≥1.0MPa;σ0≥0.12MPa;压实系数≥0.90。五、施工准备1、材料采购及检验路基填料由施工主管技术人员与试验人员到现场勘察取样试验,试验第3页共18页第2页共18页编号:时间:2021年x月x日书山有路勤为径,学海无涯苦作舟页码:第3页共18页报告经审核批签认后,作为路堤填筑压实密度检验及评定路堤各部位质量的标准。2、劳力及机械安排试验段主要管理人员组成序号姓名职务主要工作分工1何军尧项目经理全面负责试验段工作2李万春项目副经理负责现场管理3路都运总工程师负责技术工作4刘春雨试验室主任负责试验工作5刘辉质检工程师负责安全质量6司重光工程部长负责技术工作7马继勇测量工程师负责施工放样工作8张贵来领工员区段施工队长9付正义试验员现场试验序号项目劳力机械备注1清表8推土机1台装载机1台2地基处理4装载机1台3路基施工10压路机20吨1台平地机1台洒水车1台装载机1台挖掘机1台4运输16自卸车8台第4页共18页第3页共18页编号:时间:2021年x月x日书山有路勤为径,学海无涯苦作舟页码:第4页共18页六、施工工艺及方法1测量准备施工准备阶段我们用全站仪进行导线控制测量,并与本工程外控制导线联测,且均满足测规要求。用全站仪沿线置中支导线及中线控制桩并进行中线加密工作。施工过程中将每6个月进行一次导线测量,以保证整个测量控制网稳定可靠。利用水准仪与本工程外高程控制点进行高程联测,且均满足测规要求,并布置了高程控制网。施工过...

1、当您付费下载文档后,您只拥有了使用权限,并不意味着购买了版权,文档只能用于自身使用,不得用于其他商业用途(如 [转卖]进行直接盈利或[编辑后售卖]进行间接盈利)。
2、本站所有内容均由合作方或网友上传,本站不对文档的完整性、权威性及其观点立场正确性做任何保证或承诺!文档内容仅供研究参考,付费前请自行鉴别。
3、如文档内容存在违规,或者侵犯商业秘密、侵犯著作权等,请点击“违规举报”。

碎片内容

路基工程试验段施工方案(123)

确认删除?
VIP
微信客服
  • 扫码咨询
会员Q群
  • 会员专属群点击这里加入QQ群
客服邮箱
回到顶部