电脑桌面
添加小米粒文库到电脑桌面
安装后可以在桌面快捷访问

电力企业绩效考核全案VIP免费

电力企业绩效考核全案_第1页
1/18
电力企业绩效考核全案_第2页
2/18
电力企业绩效考核全案_第3页
3/18
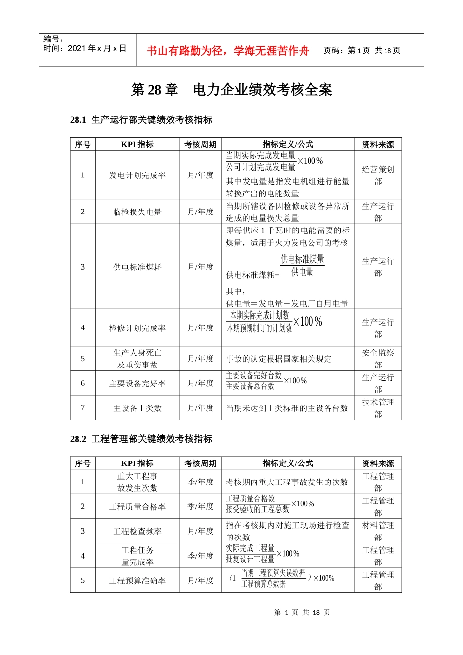
第1页共18页编号:时间:2021年x月x日书山有路勤为径,学海无涯苦作舟页码:第1页共18页第28章电力企业绩效考核全案28.1生产运行部关键绩效考核指标序号KPI指标考核周期指标定义/公式资料来源1发电计划完成率月/年度当期实际完成发电量公司计划完成发电量×100%其中发电量是指发电机组进行能量转换产出的电能数量经营策划部2临检损失电量月/年度当期所辖设备因检修或设备异常所造成的电量损失总量生产运行部3供电标准煤耗月/年度即每供应1千瓦时的电能需要的标煤量,适用于火力发电公司的考核供电标准煤耗=供电标准煤量供电量其中,供电量=发电量-发电厂自用电量生产运行部4检修计划完成率月/年度本期实际完成计划数本期预期制订的计划数×100%生产运行部5生产人身死亡及重伤事故月/年度事故的认定根据国家相关规定安全监察部6主要设备完好率月/年度主要设备完好台数主要设备总台数×100%生产运行部7主设备Ⅰ类数月/年度当期未达到Ⅰ类标准的主设备台数技术管理部28.2工程管理部关键绩效考核指标序号KPI指标考核周期指标定义/公式资料来源1重大工程事故发生次数季/年度考核期内重大工程事故发生的次数工程管理部2工程质量合格率季/年度工程质量合格数接受验收的工程总数×100%工程管理部3工程检查频率月/年度指在考核期内对施工现场进行检查的次数材料管理部4工程任务量完成率季/年度实际完成工程量批复设计工程量×100%工程管理部5工程预算准确率月/年度(1−当期工程预算失误数据工程预算总数据)×100%工程管理部第2页共18页第1页共18页编号:时间:2021年x月x日书山有路勤为径,学海无涯苦作舟页码:第2页共18页6工程成本控制率季/年度工程总成本工程预算总额×100%28.3技术管理部关键绩效考核指标序号KPI指标考核周期指标定义/公式资料来源1公司用电率月/年度当期公司用电量发电总量×100%生产运行部2供电标准煤耗月/年度供电标准煤量供电量生产运行部3技术方案差错次数月/年度考核期内技术方案中出现严重错误的次数技术管理部4开发完成准时率月/年度实际开发周期计划开发周期×100%技术管理部5废水回收利用率月/年度当期回收废水再投入生产中的量当期废水排放量×100%生产运行部6二氧化硫排放总量月/年度同一电厂所有机组的排放指标之和,即为该电厂获得的排放总量指标经营策划部7技术服务满意度月/年度对客户进行随机调查的技术服务满意度评分的算术平均值技术管理部第3页共18页第2页共18页编号:时间:2021年x月x日书山有路勤为径,学海无涯苦作舟页码:第3页共18页28.4安全监察部经理绩效考核指标量表被考核人姓名职位安全监察部经理部门安全监察部考核人姓名职位总经理部门序号KPI指标权重绩效目标值考核得分1部门工作计划完成率15%考核期内部门工作计划完成率达100%2部门费用控制10%考核期内部门费用控制在预算范围之内3安全频率5%考核期内安全的次数不低于次/周4全年连续安全生产天数15%考核周期内安全生产天数无中断5生产人身死亡及重伤事故10%考核周期内控制为06安全隐患整改率15%考核期内在%以上7公司安全规范考试合格率10%考核期内在%以上8临检、非计划停运次数10%考核周期内控制为09安全培训覆盖率5%考核期内安全培训覆盖率达100%10员工管理5%考核期内部门员工绩效考核的平均分在分以上第4页共18页第3页共18页编号:时间:2021年x月x日书山有路勤为径,学海无涯苦作舟页码:第4页共18页本次考核总得分考核指标说明被考核人考核人复核人签字:日期:签字:日期:签字:日期:28.5经营策划部经理绩效考核指标量表被考核人姓名职位经营策划部经理部门经营策划部考核人姓名职位总经理部门第5页共18页第4页共18页编号:时间:2021年x月x日书山有路勤为径,学海无涯苦作舟页码:第5页共18页序号KPI指标权重绩效目标值考核得分1部门工作计划完成率15%考核期内部门工作计划完成率达100%2部门费用控制10%考核期内部门费用控制在预算范围之内3公司发展战略制定及时率10%考核期内公司发展战略制定及时率达100%4经营计划完成率10%考核期内达100%5统计数据准确率15%考核期内达100%6策划方案通过率15%考核期内在%以上7部门协作满意度10%考核期内满意度评分达到分以上8合同文本...

1、当您付费下载文档后,您只拥有了使用权限,并不意味着购买了版权,文档只能用于自身使用,不得用于其他商业用途(如 [转卖]进行直接盈利或[编辑后售卖]进行间接盈利)。
2、本站所有内容均由合作方或网友上传,本站不对文档的完整性、权威性及其观点立场正确性做任何保证或承诺!文档内容仅供研究参考,付费前请自行鉴别。
3、如文档内容存在违规,或者侵犯商业秘密、侵犯著作权等,请点击“违规举报”。

碎片内容

电力企业绩效考核全案

中小学资料+ 关注
实名认证
内容提供者

精美课件,值得下载

确认删除?
VIP
微信客服
  • 扫码咨询
会员Q群
  • 会员专属群点击这里加入QQ群
客服邮箱
回到顶部