电脑桌面
添加小米粒文库到电脑桌面
安装后可以在桌面快捷访问

消火栓施工方案正文VIP免费

消火栓施工方案正文_第1页
1/28
消火栓施工方案正文_第2页
2/28
消火栓施工方案正文_第3页
3/28
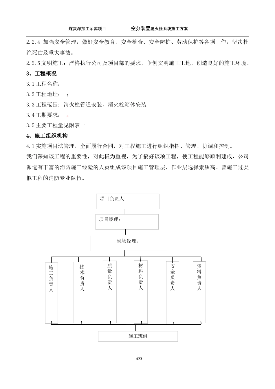
煤炭深加工示范项目空分装置消火栓系统施工方案目录1、编制依据..............................................................................................................................................................13、工程概况..............................................................................................................................................................14、施工组织机构......................................................................................................................................................25、施工准备..............................................................................................................................................................26、施工程序、施工方法、施工工艺......................................................................................................................37、劳动力计划..........................................................................................................................................................78、主要施工机械计划..............................................................................................................................................89、施工报验..............................................................................................................................................................810、质量保证措施....................................................................................................................................................911、HSE控制与保证措施.......................................................................................................................................1212、工程进度..........................................................................................................................................................1613、工作危害分析(JHA)表................................................................................................................................1714、安全检查(SCL)分析记录表........................................................................................................................2015、环境因素识别及评价表..................................................................................................................................23附表一:劳动力计划..............................................................................................................................................25附表二:主要实物量清单......................................................................................................................................261、编制依据1.1设计图纸、招标文件、答疑文件、施工现场的具体情况。1.2《给排水水管道工程施工及验收规范》GB50268-20081.3《石油化工给排水管道工程施工及验收规范》SH3533-20031.4《石油化工设备和管道涂料防腐蚀技术规范》SH3022-20111.5《工业金属管道工程施工及验收规范》GB50235-20101.6《现场设备工业管道焊接工程施工及验收规范》GB50236-20101.7《建筑给水排水及采暖工程施工质量验收规范》GB50242-20022、指导思想、管理目标2.1消火栓的施工指导思想是:运用科学管理手段,认真执行ISO-9001:2000管理体系;积极推广新技术、新工艺,运用先进的计算机工程管理软件为本工程提供完整的纲领性的文件,用以指导消防安装工程的科学的管理。2.2消火栓工程的管理目标:2.2.1合同履行:与业主密切配合创造良好的施工条件,搞好双方...

1、当您付费下载文档后,您只拥有了使用权限,并不意味着购买了版权,文档只能用于自身使用,不得用于其他商业用途(如 [转卖]进行直接盈利或[编辑后售卖]进行间接盈利)。
2、本站所有内容均由合作方或网友上传,本站不对文档的完整性、权威性及其观点立场正确性做任何保证或承诺!文档内容仅供研究参考,付费前请自行鉴别。
3、如文档内容存在违规,或者侵犯商业秘密、侵犯著作权等,请点击“违规举报”。

碎片内容

消火栓施工方案正文

您可能关注的文档

确认删除?
VIP
微信客服
  • 扫码咨询
会员Q群
  • 会员专属群点击这里加入QQ群
客服邮箱
回到顶部