电脑桌面
添加小米粒文库到电脑桌面
安装后可以在桌面快捷访问

营销服务部车皮调度岗岗位说明书VIP免费

营销服务部车皮调度岗岗位说明书_第1页
1/3
营销服务部车皮调度岗岗位说明书_第2页
2/3
营销服务部车皮调度岗岗位说明书_第3页
3/3
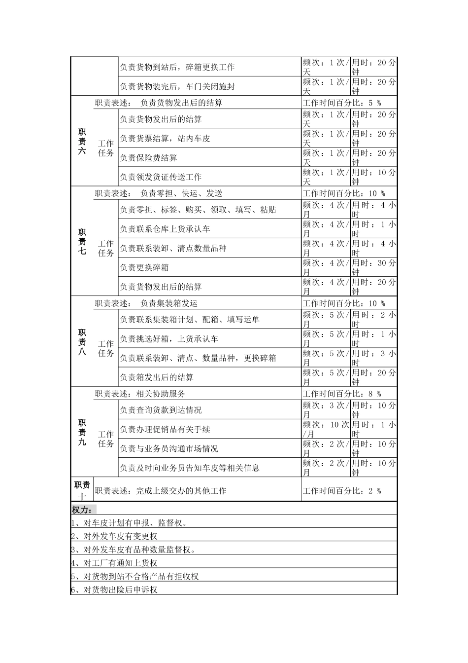
营销服务部车皮调度岗岗位说明书岗位名称车皮调度岗岗位编号所在部门服务部岗位定员1人直接上级调度班长岗位工资直接下级无分析人所辖人员无分析日期本职:职责与工作任务:职责一职责表述:负责省外啤酒整车皮发送计划申报工作时间百分比:10%工作任务负责接收驻外机构计划报表频次:2次/月用时:2小时负责填写计划表上报车站频次:3次/月用时:2小时负责追加日计划上报车站频次:4次/月用时:1小时负责联系青岛、济南车皮申批频次:5次/月用时:0.5小时负责确认计划审批多少频次:5次/月用时:0.5小时职责二职责表述:负责联系车站、青岛承认车工作时间百分比:15%工作任务负责及时联系本站批车情况频次:2次/天用时:20分钟负责及时联系青岛点前加批车频次:1次/天用时:20分钟负责及时联系青岛济南点后加批车频次:1次/天用时:20分钟职责三职责表述:负责本站车皮、货位、仓库工作时间百分比:15%工作任务负责根据车皮承认,联系上车皮频次:2次/天用时:10分钟负责联系仓库上货频次:1次/天用时:10分钟负责联系货位上货频次:1次/天用时:10分钟负责填写运单频次:1次/天用时:20分钟职责四职责表述:负责根据车皮计划,通知工厂上货工作时间百分比:5%工作任务负责通知工厂上货数量频次:1次/天用时:10分钟负责通知工厂上货车站频次:1次/天用时:10分钟负责按照到站收货人,通知工厂上货频次:1次/天用时:10分钟职责五职责表述:负责货物到站后的工作工作时间百分比:20%工作任务负责货物到站后联系车站调甩车皮频次:1次/天用时:10分钟负责货物到站后,联系装卸车装车频次:1次/天用时:10分钟负责货物到站后清点数量品种频次:1次/天用时:2.5小时负责货物到站后,碎箱更换工作频次:1次/天用时:20分钟负责货物装完后,车门关闭施封频次:1次/天用时:20分钟职责六职责表述:负责货物发出后的结算工作时间百分比:5%工作任务负责货物发出后的结算频次:1次/天用时:20分钟负责货票结算,站内车皮频次:1次/天用时:20分钟负责保险费结算频次:1次/天用时:20分钟负责领发货证传送工作频次:1次/天用时:10分钟职责七职责表述:负责零担、快运、发送工作时间百分比:10%工作任务负责零担、标签、购买、领取、填写、粘贴频次:4次/月用时:4小时负责联系仓库上货承认车频次:4次/月用时:1小时负责联系装卸、清点数量品种频次:4次/月用时:4小时负责更换碎箱频次:4次/月用时:30分钟负责货物发出后的结算频次:4次/月用时:20分钟职责八职责表述:负责集装箱发运工作时间百分比:10%工作任务负责联系集装箱计划、配箱、填写运单频次:5次/月用时:2小时负责挑选好箱,上货承认车频次:5次/月用时:1小时负责联系装卸、清点、数量品种,更换碎箱频次:5次/月用时:3小时负责箱发出后的结算频次:5次/月用时:20分钟职责九职责表述:相关协助服务工作时间百分比:8%工作任务负责查询货款到达情况频次:3次/月用时:10分钟负责办理促销品有关手续频次:10次/月用时:1小时负责与业务员沟通市场情况频次:2次/月用时:10分钟负责及时向业务员告知车皮等相关信息频次:2次/月用时:10分钟职责十职责表述:完成上级交办的其他工作工作时间百分比:2%权力:1、对车皮计划有申报、监督权。2、对外发车皮有变更权3、对外发车皮有品种数量监督权。4、对工厂有通知上货权5、对货物到站不合格产品有拒收权6、对货物出险后申诉权7、对外发车皮通知驻外机构的相关信息权考核指标:1、对车皮计划申报完好率100%2、对承认车辆申报结果98%3、对收货后的产品破碎率控制在3%以内4、对出险赔偿手续齐全、正规赔率98%5、对单据传递及时正确100%6、对促销品外发合格率100%工作协作关系:内部协调关系市场部、车队、销售部各驻外机构外部协调关系烟台站、铁路公司、青岛分局、济南局、珠玑站、福山站任职资格:教育水平大专专业物流运输工作经验从事物流工作2年以上能力要求人际交往、文字表达、应变、协调个性特征稳重、责任、细心生理特征无特别要求所需培训物流专业培训一月以上工作特点:工作场所火车站工作方式走动为主工作时间特征工作不规律,有时需加班工作环境一般体力精力消耗体...

1、当您付费下载文档后,您只拥有了使用权限,并不意味着购买了版权,文档只能用于自身使用,不得用于其他商业用途(如 [转卖]进行直接盈利或[编辑后售卖]进行间接盈利)。
2、本站所有内容均由合作方或网友上传,本站不对文档的完整性、权威性及其观点立场正确性做任何保证或承诺!文档内容仅供研究参考,付费前请自行鉴别。
3、如文档内容存在违规,或者侵犯商业秘密、侵犯著作权等,请点击“违规举报”。

碎片内容

营销服务部车皮调度岗岗位说明书

确认删除?
VIP
微信客服
  • 扫码咨询
会员Q群
  • 会员专属群点击这里加入QQ群
客服邮箱
回到顶部