电脑桌面
添加小米粒文库到电脑桌面
安装后可以在桌面快捷访问

农田水利渠道流量设计VIP免费

农田水利渠道流量设计_第1页
1/17
农田水利渠道流量设计_第2页
2/17
农田水利渠道流量设计_第3页
3/17
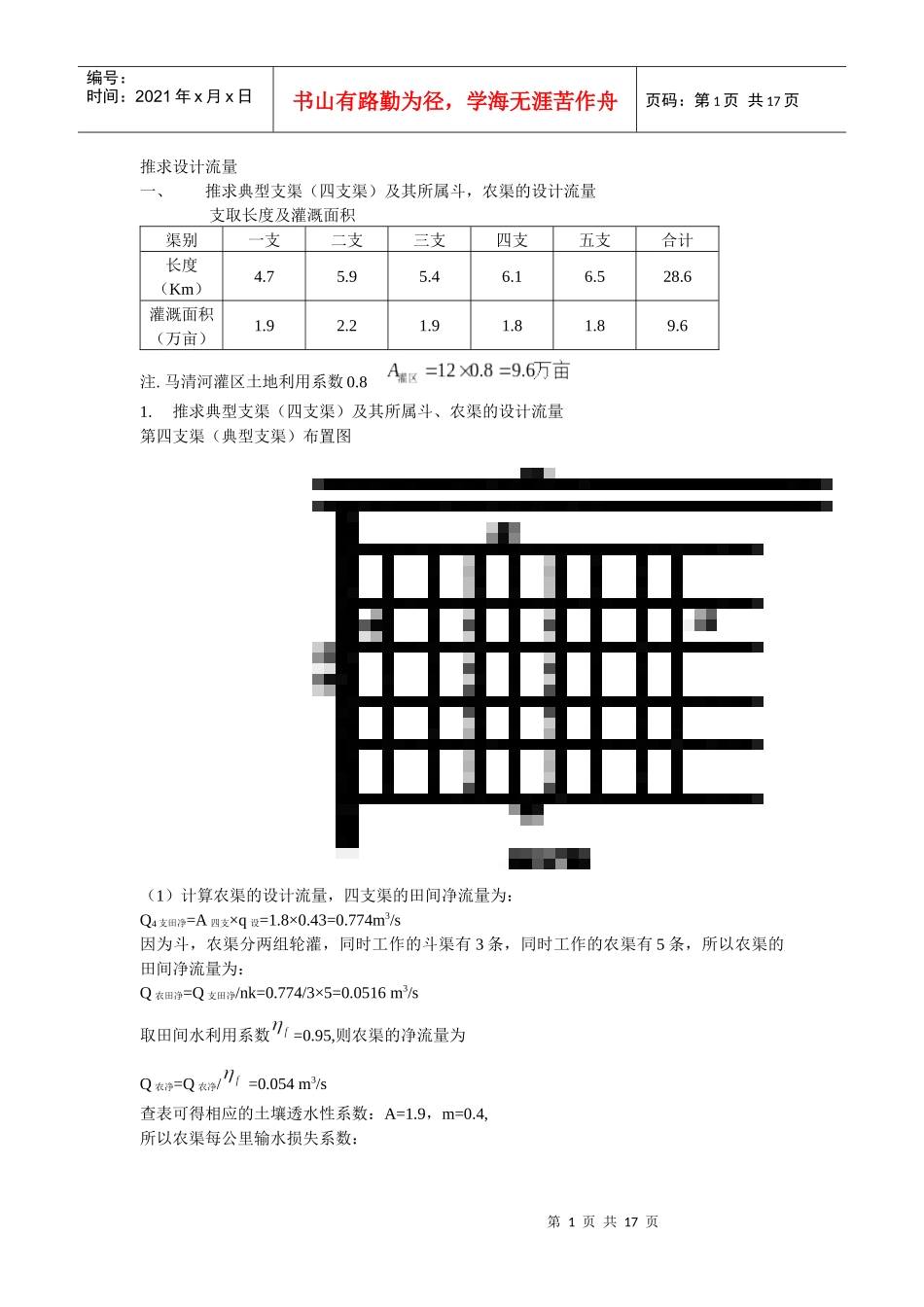
第1页共17页编号:时间:2021年x月x日书山有路勤为径,学海无涯苦作舟页码:第1页共17页推求设计流量一、推求典型支渠(四支渠)及其所属斗,农渠的设计流量支取长度及灌溉面积渠别一支二支三支四支五支合计长度(Km)4.75.95.46.16.528.6灌溉面积(万亩)1.92.21.91.81.89.6注.马清河灌区土地利用系数0.81.推求典型支渠(四支渠)及其所属斗、农渠的设计流量第四支渠(典型支渠)布置图(1)计算农渠的设计流量,四支渠的田间净流量为:Q4支田净=A四支×q设=1.8×0.43=0.774m3/s因为斗,农渠分两组轮灌,同时工作的斗渠有3条,同时工作的农渠有5条,所以农渠的田间净流量为:Q农田净=Q支田净/nk=0.774/3×5=0.0516m3/s取田间水利用系数=0.95,则农渠的净流量为Q农净=Q农净/=0.054m3/s查表可得相应的土壤透水性系数:A=1.9,m=0.4,所以农渠每公里输水损失系数:第2页共17页第1页共17页编号:时间:2021年x月x日书山有路勤为径,学海无涯苦作舟页码:第2页共17页=A/100Qm农净==0.061m3/s所以农渠的设计流量为:Q农毛=Q农净(1+L农)==0.057m3/s(L农=0.8千米)(2)计算斗渠的设计流量,因为一条斗渠内同时工作的农渠有5条,所以斗渠的净流量等于5条农渠的毛流量之和:Q斗净=5×Q农毛=5×0.057=0.285m3/s农渠分两组轮灌。各组要求斗渠供给的净流量相等,但是,第Ⅱ组轮灌组距斗渠进水口较远,输水损失较多,据此求得斗渠毛流量较大,以第Ⅱ组轮灌组灌水时需要的斗渠毛流量作为斗渠的设计流量。斗渠的平均工作长度L4=1.8Km因为斗渠每公里输水损失系数为=A/100Qm斗净=0.0314所以斗渠的设计流量为:Q斗毛=Q斗净(1+L斗)=0.301m3/s(3)计算四支渠的设计流量;斗渠也是分两组轮灌,以第Ⅱ轮灌组要求的支渠毛流量作为支渠的设计流量,支渠的平均工作长度L支=4.9Km支渠的净流量为:Q支净=3×Q斗毛=0.903m3/s支渠每公里输水损失系数:=A/100Qm支净=0.0198支渠的毛流量为:Q四支毛=Q四支净(1+L四支)=0.991m3/s2.计算四支渠的灌溉水利用系数0.783.计算其他支渠的设计流量1)计算其他支渠的田间净流量Q1支田净=1.9×0.43=0.817m3/sQ2支田净=2.2×0.43=0.946m3/sQ3支田净=1.9×0.43=0.817m3/sQ5支田净=1.8×0.43=0.774m3/s第3页共17页第2页共17页编号:时间:2021年x月x日书山有路勤为径,学海无涯苦作舟页码:第3页共17页2)计算其他支渠的设计流量以典型支渠(四支渠)的灌溉水利用系数作为扩大指标,用来计算其他支渠的设计流量。Q1支毛=m3/sQ2支毛=m3/sQ3支毛=m3/sQ5支毛=m3/s4.推求干渠各段的设计流量1)DE段的设计流量:QDEJ净=Q五支=0.99m3/s=0.019m3/sQDE毛=QDE净(1+LDE)=0.99(1+0.019×2.5)=1.04m3/s2)CD段设计流量:QCD净=QDE毛+Q四支毛=1.04+0.99=2.03m3/s=0.0143QCD毛=QCD净(1+LCD)=2.03(1+0.0143×2.9)=2.11m3/s3)BC段设计流量:QBC净=QCD毛+Q三支毛=2.11+1.05=3.16m3/s=m3/sQBC毛=QBC净(1+LBC)=3.16(1+0.0120×4.3)=3.32m3/s4)AB段设计流量:QAB净=QBC毛+Q二支毛=3.32+1.21=4.53m3/s=m3/sQAB毛=QAB净(1+LAB)=4.53(1+0.0104×3.4)=4.69m3/s第4页共17页第3页共17页编号:时间:2021年x月x日书山有路勤为径,学海无涯苦作舟页码:第4页共17页5)OA段设计流量:m3/sm3/s二、推求渠道最小流量和加大流量的计算1.推求典型支渠(四支渠)及其所属斗、农渠的最小流量(1)计算农渠的最小流量,四支渠的田间净流量为:Q4支田净=A四支×=1.8×0.18=0.324m3/s因为斗,农渠分两组轮灌,同时工作的斗渠有3条,同时工作的农渠有5条,所以农渠的田间净流量为:Q农田净=Q支田净/nk=0.324/(3×5)=0.0216m3/s取田间水利用系数=0.95,则农渠的净流量为Q农净=Q农净/=0.023m3/s查表可得相应的土壤透水性系数:A=1.9,m=0.4,所以农渠每公里输水损失系数:=A/100Qm农净==0.0859m3/s所以农渠的最小流量为:Q农毛=Q农净(1+L农)==0.025m3/s(L农=0.8千米)(2)计算斗渠的最小流量,因为一条斗渠内同时工作的农渠有5条,所以斗渠的净流量等于5条农渠的毛流量之和:Q斗净=5×Q农毛=5×0.025=0.125m3/s农渠分两组轮灌。各组要求斗渠供给的净流量相等,但是,第Ⅱ组轮灌组距斗渠进水口较远,输水损...

1、当您付费下载文档后,您只拥有了使用权限,并不意味着购买了版权,文档只能用于自身使用,不得用于其他商业用途(如 [转卖]进行直接盈利或[编辑后售卖]进行间接盈利)。
2、本站所有内容均由合作方或网友上传,本站不对文档的完整性、权威性及其观点立场正确性做任何保证或承诺!文档内容仅供研究参考,付费前请自行鉴别。
3、如文档内容存在违规,或者侵犯商业秘密、侵犯著作权等,请点击“违规举报”。

碎片内容

农田水利渠道流量设计

精华资料店+ 关注
实名认证
内容提供者

大量教育教学资料

确认删除?
VIP
微信客服
  • 扫码咨询
会员Q群
  • 会员专属群点击这里加入QQ群
客服邮箱
回到顶部