电脑桌面
添加小米粒文库到电脑桌面
安装后可以在桌面快捷访问

储罐基础知识正稿VIP免费

储罐基础知识正稿_第1页
1/20
储罐基础知识正稿_第2页
2/20
储罐基础知识正稿_第3页
3/20
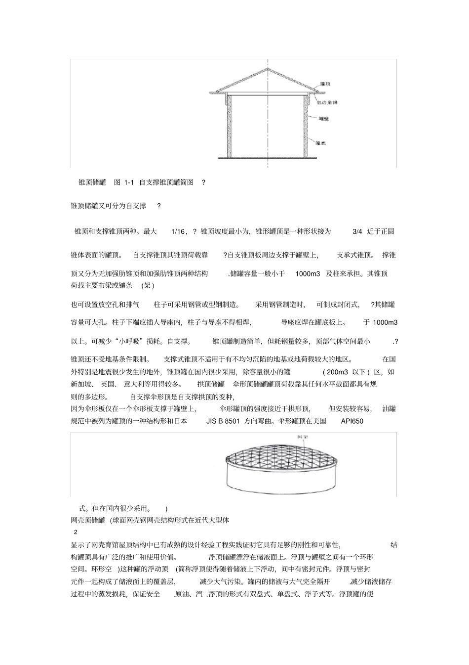
对储罐在设计过程中应考虑的因本次培训首先介绍了储罐的发展历程与基本分类,接着通过对储罐本体构造的讲述引出了本次培训的主素与遵循的原则作了简单的讲解。要内容,即拱顶罐与内浮顶罐的基本结构及其附件。通过对这两种储罐的基本结构和各个附件的逐一讲解,采用理论与现场图片相结合的形式,图文并茂,使大家对拱顶罐与内浮顶罐有了进一步的认识,更为日常管理与安全操作提供了有力保障。最后通过问答的方式将储罐的一些小常识与技术问题呈现给大家,既直观又可加深大家的记忆。储罐基础知识储罐概念及用途:即储存原油、汽油、煤油、石脑油以及各种不具有挥发性化学品的储存设备,是储运系统设施、炼油、化工装置的重要组成部分。主要内容:一、储罐发展简介?二、储罐分类?三、储罐设计?四、储罐本体?五、拱顶罐简介?六、内浮顶罐简介?七、爆炸危险区域划分方法?八、常见技术问答?一、储罐发展简介70年代以来,内浮顶储油罐和大型浮顶油罐发展较快。20世纪第一个发展油罐内部覆盖层的是法国。1955年美国也开始建造此种类型的储罐。年美国德士古公司就开始使用覆盖浮顶罐,并在纽瓦克建有世界上最大直径为1962的带盖浮顶罐。187ft(61.6m)多个内浮顶油罐。1972年美国已建造了600对内浮盘的分类、选材、设计、安装、检验及标准载荷、H年美国API650附录1978静态分析、先进国家都有较齐全的储罐设计专用软件,浮力要求等均做了一系列修订和改进。年也相继出现各种形式和结构的内20T形脚焊缝波带分析。近动态分析、抗震分析等,如浮盘或覆盖物。铝浮盘投人使用,通过测试蒸发损耗,收到显著效果。年国内3000m31978,同时引进原,全部执行日本标准JISB8501年中国从日本引进第一台10×104m31985材料,零部件及焊接设备。用的经验,国产大型储罐用高×104m3油罐有比较成熟的设计、施工和使目前国内对10目前国内正在建设。15×104m3强度刚材已能够批量生产。二、储罐分类及特点a.按制造材料分:非金属储罐、塑料防震储罐、软体储罐、金属储罐(钢壳衬里、铝及合金等)。b.按压力分:常压储罐:储罐的气相侧压力与大气压相同或小于1/3大气压(表)时,称常压储罐。低压储罐:大于1/3大气压(表)、小于0.1MPa时,称为低压储罐。可见低压储罐的工作压力大于常压储罐,但是其压力小于0.1MPa。c.按所处环境分:地上储罐:指储罐的罐底位于设计标高±0.00及其以上;罐底在设计标高±0.00以下但不超1过油罐高度的1/2,也称为地上油罐。,而且油罐的液位的最大高度不超过设计标1/2半地下储罐:指储罐埋入地下深于其高度的0.00以上0.2m。高±0.00以下0.2m的油罐。地下储罐:指罐内液位处于设计标高±洞中储罐:海中储罐:d.按几何形状分:立式圆柱形储罐:按其罐顶结构又可分为固定顶储罐(锥顶储罐、拱顶储罐、伞形顶储罐、球面网壳)、滴形储罐)和活动顶储罐(外浮顶罐、内浮顶罐无力矩储罐)。网壳顶储罐(卧式圆柱形储罐:适用于储存容量较小且需压力较高的液体。球形储罐:适用于储存容量较大有一定压力的液体,如液氨、液化石油气、乙烯等。下面我们分别看一看各种储罐的结构及特点:锥顶储罐图1-1自支撑锥顶罐简图?锥顶储罐又可分为自支撑?锥顶和支撑锥顶两种。最大1/16,?锥顶坡度最小为,锥形罐顶是一种形状接为3/4近于正圆锥体表面的罐顶。自支撑锥顶其锥顶荷载靠?自支锥顶板周边支撑于罐壁上,支承式锥顶。撑锥顶又分为无加强肋锥顶和加强肋锥顶两种结构.储罐容量一般小于1000m3及柱来承担。其锥顶荷载主要布梁或镶条(架)也可设置放空孔和排气柱子可采用钢管或型钢制造。采用钢管制造时,可制成封闭式,?其储罐容量可大孔。柱子下端应插人导座内,柱子与导座不得相焊,导座应焊在罐底板上。于1000m3以上。可减少“小呼吸”损耗。自支撑。锥顶罐制造简单,但耗钢量较多,顶部气体空间最小.?锥顶还不受地基条件限制。支撑式锥顶不适用于有不均匀沉陷的地基或地荷载较大的地区。在国外特别是地震很少发生的地外,锥顶罐在国内很少采用,除容量很小的罐(200m3以下)区,如新加坡、英国、意大利等用得较多。拱顶储罐伞形顶储罐罐顶荷载靠其任何水平截面都具有规则的多边形。自支撑伞形顶是自...

1、当您付费下载文档后,您只拥有了使用权限,并不意味着购买了版权,文档只能用于自身使用,不得用于其他商业用途(如 [转卖]进行直接盈利或[编辑后售卖]进行间接盈利)。
2、本站所有内容均由合作方或网友上传,本站不对文档的完整性、权威性及其观点立场正确性做任何保证或承诺!文档内容仅供研究参考,付费前请自行鉴别。
3、如文档内容存在违规,或者侵犯商业秘密、侵犯著作权等,请点击“违规举报”。

碎片内容

储罐基础知识正稿

爱的疯狂+ 关注
实名认证
内容提供者

该用户很懒,什么也没介绍

确认删除?
VIP
微信客服
  • 扫码咨询
会员Q群
  • 会员专属群点击这里加入QQ群
客服邮箱
回到顶部