电脑桌面
添加小米粒文库到电脑桌面
安装后可以在桌面快捷访问

人工挖孔桩安全专项施工方案(新)VIP免费

人工挖孔桩安全专项施工方案(新)_第1页
1/55
人工挖孔桩安全专项施工方案(新)_第2页
2/55
人工挖孔桩安全专项施工方案(新)_第3页
3/55
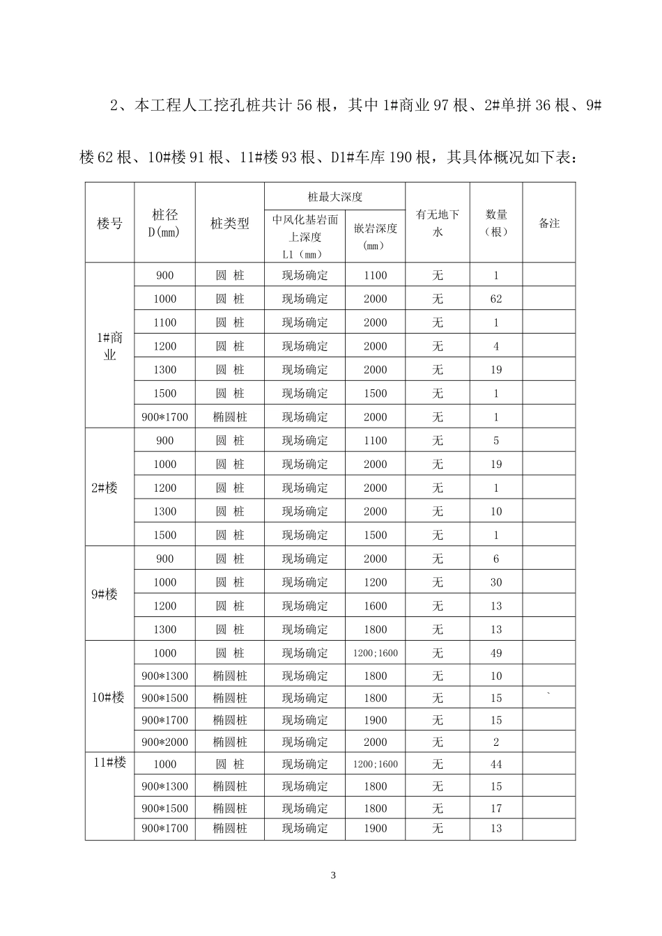
1人工挖孔桩专项施工方案第一章工程概况一、工程简介建筑结构合理使用年限为50年,抗震设防烈度6度,结构耐火等级为二级,地下车库耐火等级一级,屋面防水等级Ⅰ级。二、水文、地质简介1、地形地貌本工程场地属构造剥蚀丘陵地貌,丘堡、沟湾相间,坡谷地段覆盖层较薄,基岩零星出露,沟谷地段土层较厚,场地地形起伏较大,场地最高点位于场地北部,高程约314.86m,最低点位于场地东南部,标高约248.6m,相对高差66.26m,整体地势北高南低,地形坡度约10~30°,在局部地段可见基岩陡坎,场地西侧、东侧为已建道路,场地内部有水泥路相通,交通较为便捷。2、气象、水文本工程属亚热带暖湿季风气候区,四季分明,气候较温和。盛夏炎热,冬无严寒,无霜期长,雨量充沛,多年平均降雨量为1085.1~1114.8mm,但时间分布不均,5~9月降水量占全年的70%左右。多年平均气温17.8~18.8C,最热7~8月份平均气温为28.0~28.8C,最冷1月份平均气温为7.2~7.9C,极端最高气温43.0C(2006.8.15),最低-3.1C。区内主导风向为东北风,次要风向为北风,平均风速1.5m/s。3、地质构造场地位于北碚向斜西翼,本场地优势地层产状为110°∠8°,岩层呈单斜产出,层序清楚,层面结合差,砂泥岩结合面结合很差,为软弱结构面。场区内未发现断层及活动性大断裂通过,地质构造简单。4、不良地质现象及地质灾害经工程地质调查、访问和钻探揭露,本工程场地目前未发现滑坡、崩塌等不良地质作用。场地范围内无对工程建设不利的埋藏物,场地现状稳定。5、地层岩性2场地地层主要为第四系全新统人工填土(Q4ml)、第四系全新统残坡积粉质粘土(Q4el+dl)和侏罗系中统沙溪庙组(J2s)泥岩、砂岩。6、地勘报告钻孔柱状图、剖面图施工图内容三、基础工程概况1、本工程基础采用人工挖孔桩+独立基础为主,附带少量的条形基础。现主要介绍人工挖孔桩;桩基以完整中等风化泥岩、中等风化砂岩为基础持力层,中等风化泥岩天然单轴抗压强度标准值frk≥6.35MPa,地基承载力特征值fa=2.200Mpa,中等风化砂岩饱和单轴抗压强度标准值frk≥14.40MPa,地基承载力特征值fa=5.040Mpa。设计桩长不小于6米,人工挖孔灌注桩的桩身、护壁混凝土强度均为C30。32、本工程人工挖孔桩共计56根,其中1#商业97根、2#单拼36根、9#楼62根、10#楼91根、11#楼93根、D1#车库190根,其具体概况如下表:楼号桩径D(mm)桩类型桩最大深度有无地下水数量(根)备注中风化基岩面上深度L1(mm)嵌岩深度(mm)1#商业900圆桩现场确定1100无11000圆桩现场确定2000无621100圆桩现场确定2000无11200圆桩现场确定2000无41300圆桩现场确定2000无191500圆桩现场确定1500无1900*1700椭圆桩现场确定2000无12#楼900圆桩现场确定1100无51000圆桩现场确定2000无191200圆桩现场确定2000无11300圆桩现场确定2000无101500圆桩现场确定1500无19#楼900圆桩现场确定2000无61000圆桩现场确定1200无301200圆桩现场确定1600无131300圆桩现场确定1800无1310#楼1000圆桩现场确定1200;1600无49900*1300椭圆桩现场确定1800无10900*1500椭圆桩现场确定1800无15`900*1700椭圆桩现场确定1900无15900*2000椭圆桩现场确定2000无211#楼1000圆桩现场确定1200;1600无44900*1300椭圆桩现场确定1800无15900*1500椭圆桩现场确定1800无17900*1700椭圆桩现场确定1900无134900*2000椭圆桩现场确定2000无3900*2200椭圆桩现场确定200无1D1#车库900圆桩现场确定1000无41000圆桩现场确定1000无1141200圆桩现场确定1000无241300圆桩现场确定1000无251500圆桩现场确定1000无4900*1300椭圆桩现场确定1000无14900*1500椭圆桩现场确定1000无1四、周边环境1、经查资料本工程施工区域内无地下管线管网,无滑坡、危岩、崩塌、泥石流、岩溶塌陷等不良地质作用,无地下文物。2、10#、11#楼周边场平过后,靠地下车库挡墙侧形成高切坡,高度最高处约13.5m;五、危险源识别和因素分析1.高处坠落地面作业人员或过往人员不慎坠入桩孔中;孔内作业人员在上下孔过程中失稳坠落孔底。2.物体打击地面物体掉入桩孔内,孔内升降中的工器具掉下,活底吊桶或箩筐装载的弃土掉下,或绳索断裂、吊桶脱钩下击中孔底作业人员...

1、当您付费下载文档后,您只拥有了使用权限,并不意味着购买了版权,文档只能用于自身使用,不得用于其他商业用途(如 [转卖]进行直接盈利或[编辑后售卖]进行间接盈利)。
2、本站所有内容均由合作方或网友上传,本站不对文档的完整性、权威性及其观点立场正确性做任何保证或承诺!文档内容仅供研究参考,付费前请自行鉴别。
3、如文档内容存在违规,或者侵犯商业秘密、侵犯著作权等,请点击“违规举报”。

碎片内容

人工挖孔桩安全专项施工方案(新)

确认删除?
VIP
微信客服
  • 扫码咨询
会员Q群
  • 会员专属群点击这里加入QQ群
客服邮箱
回到顶部