电脑桌面
添加小米粒文库到电脑桌面
安装后可以在桌面快捷访问

变电站自动化系统调试方案VIP专享VIP免费

变电站自动化系统调试方案_第1页
1/11
变电站自动化系统调试方案_第2页
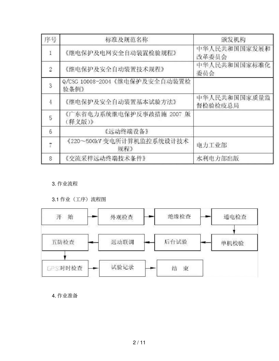
2/11
变电站自动化系统调试方案_第3页
3/11
1/11变电站监控系统调试方案批准:审核:编制:正泰电气股份有限公司海南矿业110kV铁矿变电站工程2014年7月13日目录1.工程概况及适用范围.....................................................12.编写依据...............................................................13.作业流程...............................................................25.作业方法...............................................................36.安健环控制措施.........................................................77.质量控制措施及检验标准.................................................81.工程概况及适用范围本作业指导书适应于变电工程监控系统调试作业。2.编写依据2/113.作业流程3.1作业(工序)流程图4.作业准备3/115.作业方法5.1开始5.1.1检查屏柜安装完毕,符合试验条件。5.1.2检查工作票完善,工作安全措施完善,二次措施单编写内因符合作业安全标准。5.1.3试验人员符合要求,熟悉相关资料和技术要求。5.2通电前检查:5.2.1核对各屏柜配置的连片、压板、端子号、回路标注等,必须符合图纸要求。5.2.2核对保护装置的硬件配置、标注及接线等,必须符合图纸要求。5.2.3保护装置各插件上的元器件的外观质量、焊接质量应良好,所有芯片应插紧,型号正确,芯片放置位置正确。4/115.2.4检查保护装置的背板接线有无断线、短路和焊接不良等现象,并检查背板上抗干扰元件的焊接、连线和元器件外观是否良好。5.2.5检查试验设备是否符合要求,试验设备是否完好。5,2,6检查回路接线是否正确。5.2.7检查保护装置电压是否与实际接入电压相符。5.2.8检查保护装置所配模块与实际配置的PT、CT相符合。5.2.9保护屏接地是否符合要求。5.3绝缘检查5.3.1分组回路绝缘检查:将装置CPU插件拔出,在屏柜端子排处分别短接交流电压回路,交流电流回路、操作回路、信号回路端子;用1000V兆欧表轮流测量以上各组短接端子间及各组对地绝缘。其阻值应大于10MΩ。5/115.3.2整组回路绝缘检查:将各分组回路短接,用1000V兆欧表测量整组回路对地绝缘。其阻值应大于1MΩ。5.4通电检查5.4.1核对屏柜元件配置是否与设计图纸和技术规范相符。5.4.2检查保护装置版本信息经厂家确认满足设计要求。5.4.3按键检查:检查装置各按键,操作正常。5.4.4装置自检正确,无异常报警信号。5.4.5打印机与保护装置的联机试验:进行本项试验之前,打印机应进行通电自检。5.5单机校验5.5.1零漂检查进行零漂检查时,应对电压端子短接,电流回路断开防止感应引起误差,应在装置上电10min以后,零漂值要求在一段时间(几分钟)内保持在规定范围内;电流回路零漂在-0.05~+0.05A范围内(额定值为5A,电压回路在0.05V以内。5.5.2通道采样及线性度检查在各模拟量通道分别按规范加量,装置采样应正确,同时加入三相对称电流、三相对称电压,查看装置采样,检查电流、电压相角正常。功率显示正确。5.5.3时钟的整定与核对检查:调整时间,装置正常,GPS对时已完善,核对各装置时间显示一致,并与后台计算机显示相符。5.5.4装置自检正确,无异常报警信号。6/115.5.5遥信输入检查:短接开关量输入正电源和各开关量输入端子,对照图纸和说明书,核对开关量名称,装置显示屏显示各开关量名称与实际一致。5.5.6遥控、遥调接点检查:在监控装置模拟遥控、遥调信号,用万用表测量各输出接点正确。5.5.7监控系统同期功能检查:分别按检同期、检无压和不检方式进行模拟调试,在检同期方式下输入母线电压和线路电压,分别改变两电压间的相角、幅值、频率使之不能满足同期条件,按合闸按钮,合闸输出继电器接点应不接通。满足同期条件,合闸输出接点应接通。在检无压方式下,使任意侧电压满足无压条件或两侧满足无压条件,按合闸按钮,合闸输出继电器接点应接通,否则,合闸输出继电器接点应不接通。在不检方式下,无任两侧电压如何变法,按合闸按钮,合闸输出继电器接点应接通。5.6后台联调:5.6.1后台数据库已建立,电源已给上,通讯系统已连接完毕。5.6.2检查设备运行情况及后台监控系统与各测控单元(装置)、保护设备的通信情况,断开任意单元装...

1、当您付费下载文档后,您只拥有了使用权限,并不意味着购买了版权,文档只能用于自身使用,不得用于其他商业用途(如 [转卖]进行直接盈利或[编辑后售卖]进行间接盈利)。
2、本站所有内容均由合作方或网友上传,本站不对文档的完整性、权威性及其观点立场正确性做任何保证或承诺!文档内容仅供研究参考,付费前请自行鉴别。
3、如文档内容存在违规,或者侵犯商业秘密、侵犯著作权等,请点击“违规举报”。

碎片内容

变电站自动化系统调试方案

确认删除?
VIP
微信客服
  • 扫码咨询
会员Q群
  • 会员专属群点击这里加入QQ群
客服邮箱
回到顶部