电脑桌面
添加小米粒文库到电脑桌面
安装后可以在桌面快捷访问

传统电除尘器到袋收尘器的升级改造doc-前言VIP免费

传统电除尘器到袋收尘器的升级改造doc-前言_第1页
1/6
传统电除尘器到袋收尘器的升级改造doc-前言_第2页
2/6
传统电除尘器到袋收尘器的升级改造doc-前言_第3页
3/6
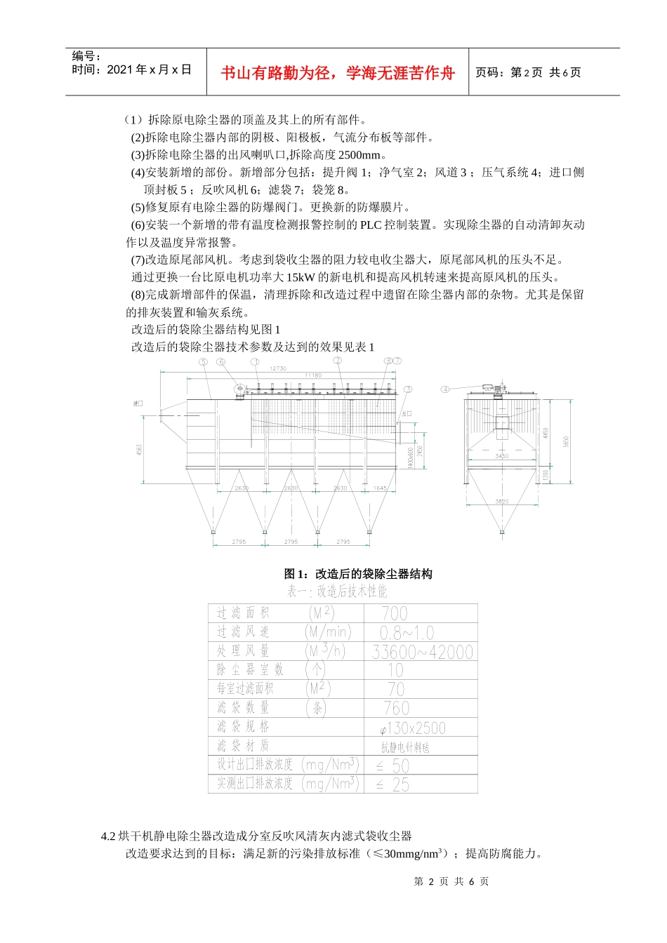
第1页共6页编号:时间:2021年x月x日书山有路勤为径,学海无涯苦作舟页码:第1页共6页传统电除尘器到袋收尘器的升级改造汪韶山毛晓俊徐玲1前言自从工业化以来,静电除尘器和袋除尘器一直是工业生产工程中普遍采用的两种高效除尘装置。在大风量,高温,高湿的工况场合,静电除尘器曾经还占领着主导地位。在新的排放标准实施之前,水泥行业中的窑头篦冷机废气处理和窑尾废气处理90%已上均采用静电除尘器。随着国家对水泥工业的环保要求越来越严,尤其是水泥工业新的排放标准的贯彻实施。静电除尘器要达到新排放标准的要求,必须解决微细粉尘的捕集。就目前的静电除尘技术,只有采用增加电场数量,延长含尘气流在静电除尘器中的停留时间来达到这一目的。静电除尘器变得结构复杂,造价高。于此同时,由于PTEF覆膜滤料、耐高温、抗结露型等新型过滤材料的开发成功,使得袋除尘器不仅能适用于大风量,高温,高湿的工况场合,而且能长期稳定满足新的排放要求。现如今袋除尘器在极大多数工业领域已完全可以替代静电除尘器除尘器使用。对于新设计投产的除尘装置可以采用袋除尘器就可以满足新排放标准。对于现存的静电除尘器,要达到新的排放标准则必须技术改造。2袋除尘器的优势袋除尘器较静电除尘器有如下优点:(1)高过滤效率;采用覆膜滤料,排放可保证在30mg/nm3以下。(2)更随时更换破损的过滤元件,能长期保证高效运行。(3)无CO爆炸危险。(4)袋除尘器可设计成多个相互独立的单元,实现在线维护检修。(5)可容许粉尘荷载的改变。(6)对处理的废气的比电阻没有要求,烟气无须调质处理。(7)能处理气体流量的波动。袋除尘器的除尘效率不会因为气体量的增加而减低,反而会提高,只是过滤阻力上升的速度加快。通过加快清灰频率就能保证过滤阻力保持在工艺要求的范围内。(8)可以方便改变过滤材料,来满足工况条件的变化。3现存静电除尘器可能的改造方案老的静电除尘器要在原有的工况条件下,要满足新排放标准,有三个可供选择的方案。方案一:并联一台新的静电除尘器。通过减小电场风速提高捕集效率。方案二:利用原有静电除尘器的箱体,将静电除尘器改造成袋除尘器。方案三:用一台全新的袋除尘器替代老的静电除尘器。方案一仍然是基于静电除尘的原理。静电除尘器通常在新的时候,表现为相当高的除尘效率。但当随着服务时间的延长,它的效率逐渐降低。能否长期满足排放要求是不确定的,因此该方案只有在极少数对静电除尘器有较高管理水平的工厂采用。方案二是应用过滤元件代替静电除尘器的极板极线来收集粉尘。既不破坏老的静电除尘器单元结构,又不需要长时间的停产。该方案适用于还未到报废年限的老式静电除尘器。是目前最普遍采用的经济方案。方案三是完全替换方案。用袋除尘器替代静电除尘器时,原有的管路布置,设备基础都需重新设计施工,改造成本高,所需的停机长。该方案适用于已接近报废年限的静电除尘器的改造。4静电除尘器改造成袋除尘器的典型实例4.1煤磨静电除尘器改造成分室反吹风清灰袋收尘器改造要求达到的目标:满足新的污染排放标准(≤30mmg/nm3)。改造步骤如下:第2页共6页第1页共6页编号:时间:2021年x月x日书山有路勤为径,学海无涯苦作舟页码:第2页共6页(1)拆除原电除尘器的顶盖及其上的所有部件。(2)拆除电除尘器内部的阴极、阳极板,气流分布板等部件。(3)拆除电除尘器的出风喇叭口,拆除高度2500mm。(4)安装新增的部份。新增部分包括:提升阀1;净气室2;风道3;压气系统4;进口侧顶封板5;反吹风机6;滤袋7;袋笼8。(5)修复原有电除尘器的防爆阀门。更换新的防爆膜片。(6)安装一个新增的带有温度检测报警控制的PLC控制装置。实现除尘器的自动清卸灰动作以及温度异常报警。(7)改造原尾部风机。考虑到袋收尘器的阻力较电收尘器大,原尾部风机的压头不足。通过更换一台比原电机功率大15kW的新电机和提高风机转速来提高原风机的压头。(8)完成新增部件的保温,清理拆除和改造过程中遗留在除尘器内部的杂物。尤其是保留的排灰装置和输灰系统。改造后的袋除尘器结构见图1改造后的袋除尘器技术参数及达到的效果见表1图1:改造后的袋除尘器结构4.2烘干机...

1、当您付费下载文档后,您只拥有了使用权限,并不意味着购买了版权,文档只能用于自身使用,不得用于其他商业用途(如 [转卖]进行直接盈利或[编辑后售卖]进行间接盈利)。
2、本站所有内容均由合作方或网友上传,本站不对文档的完整性、权威性及其观点立场正确性做任何保证或承诺!文档内容仅供研究参考,付费前请自行鉴别。
3、如文档内容存在违规,或者侵犯商业秘密、侵犯著作权等,请点击“违规举报”。

碎片内容

传统电除尘器到袋收尘器的升级改造doc-前言

您可能关注的文档

教育教学文库+ 关注
实名认证
内容提供者

本店有大量的教育教学资料,课件

确认删除?
VIP
微信客服
  • 扫码咨询
会员Q群
  • 会员专属群点击这里加入QQ群
客服邮箱
回到顶部