电脑桌面
添加小米粒文库到电脑桌面
安装后可以在桌面快捷访问

(完整版)数字电子技术第四章答案VIP免费

(完整版)数字电子技术第四章答案_第1页
1/26
(完整版)数字电子技术第四章答案_第2页
2/26
(完整版)数字电子技术第四章答案_第3页
3/26
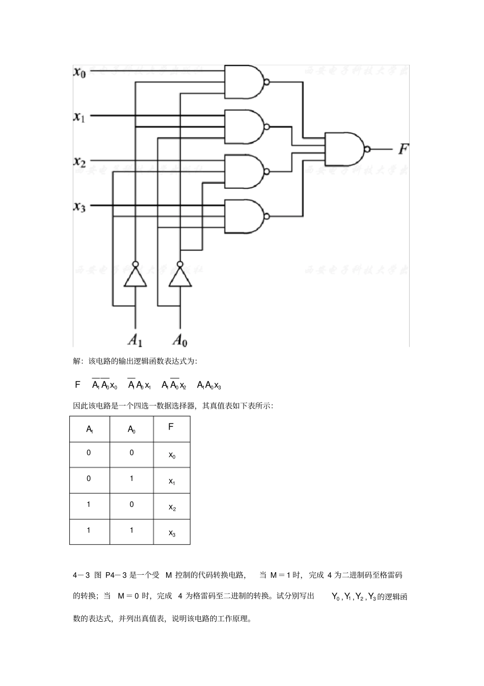
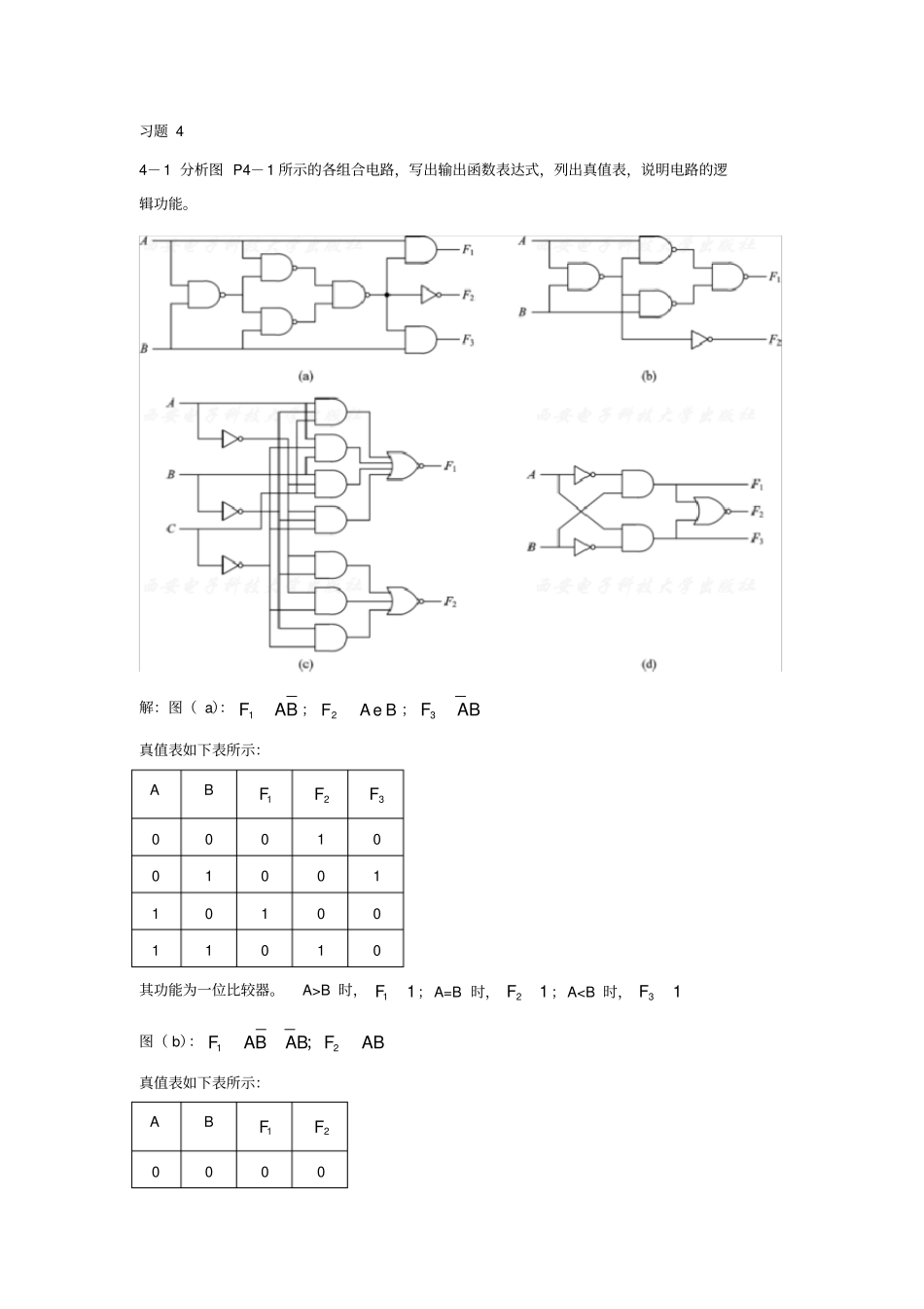
习题44-1分析图P4-1所示的各组合电路,写出输出函数表达式,列出真值表,说明电路的逻辑功能。解:图(a):1FAB;2FABe;3FAB真值表如下表所示:AB1F2F3F00010010011010011010其功能为一位比较器。A>B时,11F;A=B时,21F;AB时,3F=14-2分析图P4-2所示的组合电路,写出输出函数表达式,列出真值表,指出该电路完成的逻辑功能。解:该电路的输出逻辑函数表达式为:100101102103FAAxAAxAAxAAx因此该电路是一个四选一数据选择器,其真值表如下表所示:1A0AF000x011x102x113x4-3图P4-3是一个受M控制的代码转换电路,当M=1时,完成4为二进制码至格雷码的转换;当M=0时,完成4为格雷码至二进制的转换。试分别写出0Y,1Y,2Y,3Y的逻辑函数的表达式,并列出真值表,说明该电路的工作原理。解:该电路的输入为3x2x1x0x,输出为3Y2Y1Y0Y。真值表如下:3x2x1x0x3Y2Y1Y0YM=10000000000010001001000110011001001000110010101110110010101100100M=01000111110011110101011001011110111001000110110011110101111111010由此可得:1M当时,33232121010YxYxxYxxYxx完成二进制至格雷码的转换。0M当时,332321321210321010YxYxxYxxxYxYxxxxYx完成格雷码至二进制的转换。4-4图P4-4是一个多功能逻辑运算电路,图中3S,2S,1S,0S为控制输入端。试列表说明电路在3S,2S,1S,0S的各种取值组合下F与A,B的逻辑关系。解:3210()()FSABSABSBSBA,功能如下表所示,3S2S1S0SF3S2S1S0SF0000A1000AB0001AB1001AB0010AB1010B001111011AB0100AB110000101B1101AB0110ABe1110AB0111AB1111A两个变量有四个最小项,最多可构造42种不同的组合,因此该电路是一个能产生十六种函数的多功能逻辑运算器电路。4-5已知某组合电路的输出波形如图P4-5所示,试用最少的或非门实现之。解:()(1,3,6,7)(0)()FABCmACAB电路图如下:ABCF4-6用逻辑门设计一个受光,声和触摸控制的电灯开关逻辑电路,分别用A,B,C表示光,声和触摸信号,用F表示电灯。灯亮的条件是:无论有无光,声信号,只要有人触摸开关,灯就亮;当无人触摸开关时,只有当无关,有声音时灯才亮。试列出真值表,写出输出函数表达式,并画出最简逻辑电路图。解:根据题意,列出真值表如下:ABCF00000011010101111000101111001111由真值表可以作出卡诺图,如下图:CAB0010111001由卡诺图得到它的逻辑表达式为:由此的到逻辑电路为:ABCF4-7用逻辑门设计一个多输出逻辑电路,输入为8421BCD码,输出为3个检测信号。要求:(1)当检测到输入数字能被4整除时,1F=1。(2)当检测到输入数字大于或等于3时,2F=1。(3)当检测到输入数字小于7时,3F=1。解:1()fABCDCD2()fABCDABCD01001111FABC3()fABCDACABCD4-8用逻辑门设计一个两位二进制数的乘法器。解:二进制乘法:设两个2位二进制数的乘法运算结果为:10103210()()AAABBBPPPP电路图如下图所示:4-9设计一个全加(减)器,其输入为A,B,C和X(当X=0时,实现加法运算;当X=1时,实现减法运算),输出为S(表示和或差),P(表示进位或借位)。列出真值表,试用3个异或门和3个与非门实现该电路,画出逻辑电路图。解:根据全加器和全减器的原理,我们可以作出如下的真值表:XABCSP0000000001100010100011010100100101010110010111111000001000111001111111A3A2A1B1B3B2B1B0“1”S3S2S1S0CO74LS83(1)CIA3A2A1A0B3B2B1B0B0SOCO∑1CISOCO∑0CI&&&&P3P2P1P0C0S3S2S1S0101001111110110000110100111011由真值表可以画出卡诺图,由卡诺图得出逻辑表达式,并画出逻辑电路图:ABCXSP4-10设计一个交通灯故障检测电路,要求红,黄,绿三个灯仅有一个灯亮时,输出F=0;若无灯亮或有两个以上的灯亮,则均为故障,输...

1、当您付费下载文档后,您只拥有了使用权限,并不意味着购买了版权,文档只能用于自身使用,不得用于其他商业用途(如 [转卖]进行直接盈利或[编辑后售卖]进行间接盈利)。
2、本站所有内容均由合作方或网友上传,本站不对文档的完整性、权威性及其观点立场正确性做任何保证或承诺!文档内容仅供研究参考,付费前请自行鉴别。
3、如文档内容存在违规,或者侵犯商业秘密、侵犯著作权等,请点击“违规举报”。

碎片内容

(完整版)数字电子技术第四章答案

您可能关注的文档

爱的疯狂+ 关注
实名认证
内容提供者

该用户很懒,什么也没介绍

确认删除?
VIP
微信客服
  • 扫码咨询
会员Q群
  • 会员专属群点击这里加入QQ群
客服邮箱
回到顶部