电脑桌面
添加小米粒文库到电脑桌面
安装后可以在桌面快捷访问

CCVK-QZBZ-002修房装修工程工艺工法标准VIP专享VIP免费

CCVK-QZBZ-002修房装修工程工艺工法标准_第1页
1/14
CCVK-QZBZ-002修房装修工程工艺工法标准_第2页
2/14
CCVK-QZBZ-002修房装修工程工艺工法标准_第3页
3/14
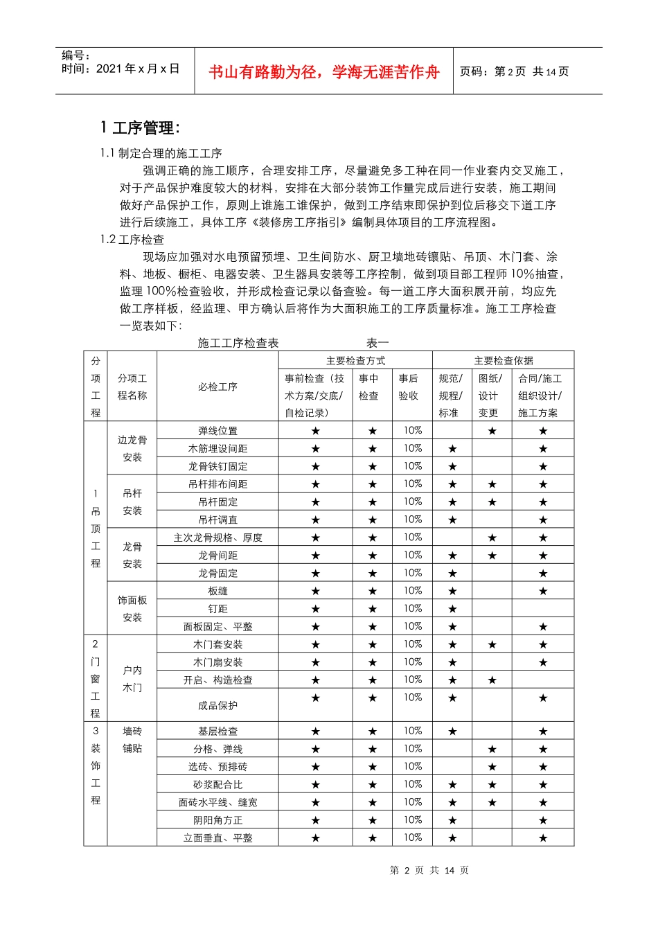
第1页共14页编号:时间:2021年x月x日书山有路勤为径,学海无涯苦作舟页码:第1页共14页装修房装修工程工序检验及工艺工法标准1工序管理...............................................................................................................22工艺工法标准........................................................................................................42.1地砖铺贴工程...................................................................................................42.2复合木地板工程...............................................................................................52.3地面铺砖工程..................................................................................................62.4内墙面砖镶贴工程...........................................................................................72.5墙面乳胶漆施工...............................................................................................82.6铝板条板安装工程............................................................................................92.7石膏板吊顶工程...............................................................................................102.8木门窗安装工程...............................................................................................112.9窗护杆安装工程...............................................................................................122.10电器安装工程.................................................................................................122.11卫生器具安装工程..........................................................................................13第2页共14页第1页共14页编号:时间:2021年x月x日书山有路勤为径,学海无涯苦作舟页码:第2页共14页1工序管理:1.1制定合理的施工工序强调正确的施工顺序,合理安排工序,尽量避免多工种在同一作业套内交叉施工,对于产品保护难度较大的材料,安排在大部分装饰工作量完成后进行安装,施工期间做好产品保护工作,原则上谁施工谁保护,做到工序结束即保护到位后移交下道工序进行后续施工,具体工序《装修房工序指引》编制具体项目的工序流程图。1.2工序检查现场应加强对水电预留预埋、卫生间防水、厨卫墙地砖镶贴、吊顶、木门套、涂料、地板、橱柜、电器安装、卫生器具安装等工序控制,做到项目部工程师10%抽查,监理100%检查验收,并形成检查记录以备查验。每一道工序大面积展开前,均应先做工序样板,经监理、甲方确认后将作为大面积施工的工序质量标准。施工工序检查一览表如下:施工工序检查表表一分项工程分项工程名称必检工序主要检查方式主要检查依据事前检查(技术方案/交底/自检记录)事中检查事后验收规范/规程/标准图纸/设计变更合同/施工组织设计/施工方案1吊顶工程边龙骨安装弹线位置★★10%★★木筋埋设间距★★10%★★龙骨铁钉固定★★10%★★吊杆安装吊杆排布间距★★10%★★★吊杆固定★★10%★★★吊杆调直★★10%★★龙骨安装主次龙骨规格、厚度★★10%★★龙骨间距★★10%★★★龙骨固定★★10%★★饰面板安装板缝★★10%★★钉距★★10%★面板固定、平整★★10%★★2门窗工程户内木门木门套安装★★10%★★★木门扇安装★★10%★★开启、构造检查★★10%★★成品保护★★10%★★3装饰工程墙砖铺贴基层检查★★10%★★分格、弹线★★10%★★选砖、预排砖★★10%★★砂浆配合比★★10%★★★面砖水平线、缝宽★★10%★★★阴阳角方正★★10%★★立面垂直、平整★★10%★★第3页共14页第2页共14页编号:时间:2021年x月x日书山有路勤为径,学海无涯苦作舟页码:第3页共14页勾缝处理★★10%★★4防水工程厨卫间防水基层检查、结构试水★★100%★★管根孔洞封堵、试水★★10%★★材料配合比、厚度★★10%★★★蓄水检验★★100%★5楼地面...

1、当您付费下载文档后,您只拥有了使用权限,并不意味着购买了版权,文档只能用于自身使用,不得用于其他商业用途(如 [转卖]进行直接盈利或[编辑后售卖]进行间接盈利)。
2、本站所有内容均由合作方或网友上传,本站不对文档的完整性、权威性及其观点立场正确性做任何保证或承诺!文档内容仅供研究参考,付费前请自行鉴别。
3、如文档内容存在违规,或者侵犯商业秘密、侵犯著作权等,请点击“违规举报”。

碎片内容

CCVK-QZBZ-002修房装修工程工艺工法标准

确认删除?
VIP
微信客服
  • 扫码咨询
会员Q群
  • 会员专属群点击这里加入QQ群
客服邮箱
回到顶部