电脑桌面
添加小米粒文库到电脑桌面
安装后可以在桌面快捷访问

关於在工程图档案中建立报告表格VIP免费

关於在工程图档案中建立报告表格_第1页
1/35
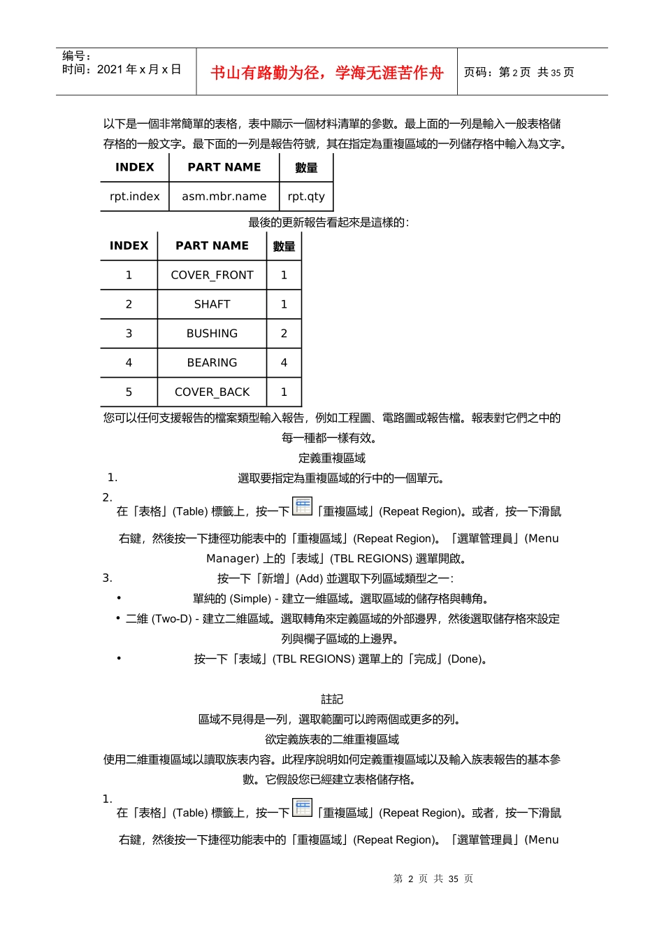
关於在工程图档案中建立报告表格_第2页
2/35
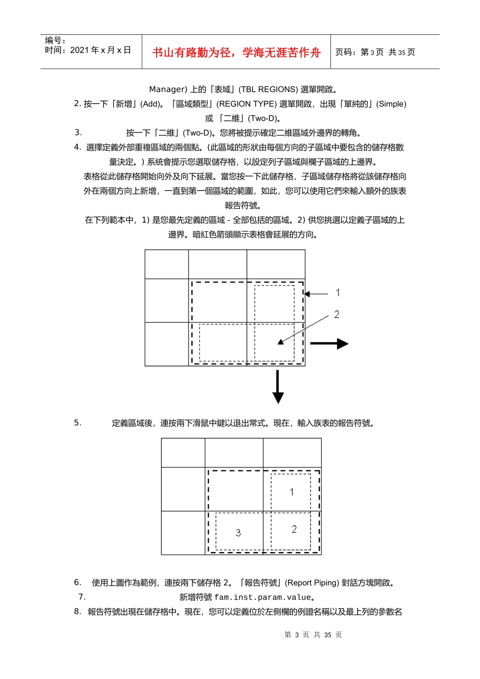
关於在工程图档案中建立报告表格_第3页
3/35
第1页共35页编号:时间:2021年x月x日书山有路勤为径,学海无涯苦作舟页码:第1页共35页關於在工程圖檔案中建立報告表格您可在「工程圖」模式中建立動態、自訂的表格報告。藉由定義塊跨好幾個表格儲存格的重複區域,您可以將模型資料新增至報告中,模型變更、新增或減少列或欄時報告也會自動隨之更新。也可利用下列技術處理報告中出現的資料:•新增篩選器以移除報告、工程圖表或佈局表中出現的特定資料類型。•搜尋遞歸或頂層組件資料以進行顯示。•單獨或作為一個群組列出報告、工程圖表或佈局表中重複出現的模型資料。•在對組件進行修改時,可直接將組件的元件球標同自訂的BOM連結起來,並自動更新。利用報告功能可產生多種類型的輸出,諸如族表、相關表及圖形線清單。報告的一個常見範例就是自訂的材料清單(BOM),如下圖所示。具有組件視圖的報告了解重複區域CreoParametric動態報告是根據稱為「重複區域」的「智慧」表儲存格原理所進行的。重複區域是使用者指定要延展或收縮的表格部分,目的是為了配合關聯模型目前擁有的資料量。它們包含的資訊取決於文字型的報告符號,這些符號在區域內的每個儲存格中輸入為文字。例如,如果您的組件工程圖有20個零件,並在重複區域的儲存格中鍵入asm.mbr.name,則您更新表格時,表格會延展以為每個零件名稱增加一個儲存格。第2页共35页第1页共35页编号:时间:2021年x月x日书山有路勤为径,学海无涯苦作舟页码:第2页共35页以下是一個非常簡單的表格,表中顯示一個材料清單的參數。最上面的一列是輸入一般表格儲存格的一般文字。最下面的一列是報告符號,其在指定為重複區域的一列儲存格中輸入為文字。INDEXPARTNAME數量rpt.indexasm.mbr.namerpt.qty最後的更新報告看起來是這樣的:INDEXPARTNAME數量1COVER_FRONT12SHAFT13BUSHING24BEARING45COVER_BACK1您可以任何支援報告的檔案類型輸入報告,例如工程圖、電路圖或報告檔。報表對它們之中的每一種都一樣有效。定義重複區域1.選取要指定為重複區域的行中的一個單元。2.在「表格」(Table)標籤上,按一下「重複區域」(RepeatRegion)。或者,按一下滑鼠右鍵,然後按一下捷徑功能表中的「重複區域」(RepeatRegion)。「選單管理員」(MenuManager)上的「表域」(TBLREGIONS)選單開啟。3.按一下「新增」(Add)並選取下列區域類型之一:•單純的(Simple)-建立一維區域。選取區域的儲存格與轉角。•二維(Two-D)-建立二維區域。選取轉角來定義區域的外部邊界,然後選取儲存格來設定列與欄子區域的上邊界。•按一下「表域」(TBLREGIONS)選單上的「完成」(Done)。註記區域不見得是一列,選取範圍可以跨兩個或更多的列。欲定義族表的二維重複區域使用二維重複區域以讀取族表內容。此程序說明如何定義重複區域以及輸入族表報告的基本參數。它假設您已經建立表格儲存格。1.在「表格」(Table)標籤上,按一下「重複區域」(RepeatRegion)。或者,按一下滑鼠右鍵,然後按一下捷徑功能表中的「重複區域」(RepeatRegion)。「選單管理員」(Menu第3页共35页第2页共35页编号:时间:2021年x月x日书山有路勤为径,学海无涯苦作舟页码:第3页共35页Manager)上的「表域」(TBLREGIONS)選單開啟。2.按一下「新增」(Add)。「區域類型」(REGIONTYPE)選單開啟,出現「單純的」(Simple)或「二維」(Two-D)。3.按一下「二維」(Two-D)。您將被提示確定二維區域外邊界的轉角。4.選擇定義外部重複區域的兩個點。(此區域的形狀由每個方向的子區域中要包含的儲存格數量決定。)系統會提示您選取儲存格,以設定列子區域與欄子區域的上邊界。表格從此儲存格開始向外及向下延展。當您按一下此儲存格,子區域儲存格將從該儲存格向外在兩個方向上新增,一直到第一個區域的範圍,如此,您可以使用它們來輸入額外的族表報告符號。在下列範本中,1)是您最先定義的區域-全部包括的區域。2)供您挑選以定義子區域的上邊界。暗紅色箭頭顯示表格會延展的方向。5.定義區域後,連按兩下滑鼠中鍵以退出常式。現在,輸入族表的報告符號。6.使用上圖作為範例,連按兩下儲存格2。「報告符號」(ReportPiping)對話方塊開啟。7.新增符號fam.inst.param.valu...

1、当您付费下载文档后,您只拥有了使用权限,并不意味着购买了版权,文档只能用于自身使用,不得用于其他商业用途(如 [转卖]进行直接盈利或[编辑后售卖]进行间接盈利)。
2、本站所有内容均由合作方或网友上传,本站不对文档的完整性、权威性及其观点立场正确性做任何保证或承诺!文档内容仅供研究参考,付费前请自行鉴别。
3、如文档内容存在违规,或者侵犯商业秘密、侵犯著作权等,请点击“违规举报”。

碎片内容

关於在工程图档案中建立报告表格

确认删除?
VIP
微信客服
  • 扫码咨询
会员Q群
  • 会员专属群点击这里加入QQ群
客服邮箱
回到顶部